休眠功能要求
在恒压供水控制系统中,为了节省电能并防止水泵频繁启停,当水泵的速度降到设定的最低频率时,经过一段时间后变频器会自动停止输出,进入休眠状态。当系统压力低于设定的压力值时,变频器会自动唤醒并启动水泵,保持恒压供水。
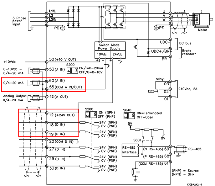
系统接线与参数设置
1、系统接线
变频恒压供水系统接线图如下所示,需要连接压力传感器(60、55号引脚)、水泵等设备,使用18、9号引脚控制恒压供水启动。

2、参数设置以下是实现恒压供水和休眠功能的主要参数设置:


通过这些参数设置,水泵在低负荷时可以自动进入休眠状态,当系统压力不足时可以自动唤醒水泵。
SLC逻辑配置
在丹佛斯FC51变频器中,SLC(智能逻辑控制)是实现系统休眠和唤醒功能的关键。以下是SLC的主要逻辑配置步骤:
1、比较器设置
①设置比较器0的操作数为电动机速度,当速度低于20.1Hz时,认为系统满足休眠条件。
②设置比较器1的操作数为压力反馈,当压力低于4.0bar时,认为需要唤醒系统。
2、计时器设置
①计时器0用于延时进入休眠状态,设置为10秒。
②计时器1用于延时唤醒,设置为10秒。
3、逻辑规则设置
①逻辑规则0结合比较器0和计时器0,用于判断何时进入休眠状态。
②逻辑规则1结合比较器1和计时器1,用于判断何时唤醒系统。
4、SL控制器事件与动作
①当逻辑规则0满足时,停止变频器输出,进入休眠状态。
②当逻辑规则1满足时,启动计时器1,唤醒变频器,重新启动水泵。
相关阅读
◆fkswng仪表谈变频恒压供水那些事儿
◆变频器PID控制模式实现恒压供水的一些经验
◆变频恒压供水系统压力不稳和容易振荡的原因
