计时器/定时器定时器特点
◆ 6位LED数码显示,显示范围宽
◆ 计时器/定时器具备递增和递减两种计时方式
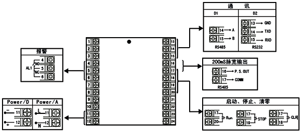
◆ 具备“定时报警”、“计时报警”功能,带LED报警灯指示;计时报警时,可选200ms脉宽同步输出,同时仪表将自动清零且停止报警,并重新开始计时
◆ 计时器/定时器支持RS485、RS232串行接口,采用标准MODBUS RTU通讯协议
◆ 具备仪表按键启动、停止、清零功能操作,也可外接启动、停止、清零功能按钮
◆ 计时器/定时器的输出、电源、通讯相互之间采用光电隔离技术
◆ 计时器/定时器具备3种外形尺寸及样式供用户选择
◆ 面板轻触式按键设置,参数设置断电永久保存 计时器/定时器面板

技术参数
显示位数:0~999999
计时器时间范围:99.59.59.99(时.分.秒.毫秒)
测量精度:10ms
报警输出:继电器,容量:AC220V/2A,DC24V/2A
通讯:RS485或RS232,MODBUS RTU协议
电源:DC20V-29V;AC/DC100V-250V
功耗:5W
工作温度:-10~50℃
计时器/定时器指示灯状态指示
PV:显示测量值;在参数设定状态下, 显示参数符号和参数值;A/T:计时功能时PV显示累计时间:分、秒、毫秒,指示灯亮/定时功能时PV显示当前时间:时、分、秒,指示灯亮;B/D:计时功能时PV显示累计时间:时,指示灯亮/定时功能时PV显示:年、月、日,指示灯亮;AL1:报警指示灯;AL2:备用;Hz:备用;C:备用;T:计时器指示灯亮。
◆ 注:外形尺寸为96×48mm的计时器/定时器,无Hz、C、T指示灯。
计时器/定时器参数功能

◆ 注:以上参数为仪表全部参数,如果不是全功能仪表,则未选功能所对应的参数将不予显示。
例1:选择计时功能时,参数“T1”和“T2”、“T3”无效,并且进入菜单设置时不显示“T1”和“T2”、“T3”。
例2:选择定时功能时,参数“A-MODE”无效,并且进入菜单设置时不显示“A-MODE”。

计时器/定时器选型
计时器 YR-GFTA①②-③④-⑤-⑥-⑦
定时器 YR-GFTB①②-③④-⑤-⑥-⑦
①计时器/定时器外形尺寸
[9]:96×96mm(开孔尺寸:92×92mm)
[8]:160×80mm(开孔尺寸:152×76mm)
[4]:96×48mm(开孔尺寸:92×45mm)
②控制作用
[03]:计时/定时+1限个报警
③计时器通讯方式
[0]:无通讯
[2]:RS232
[8]:RS485
④计时器脉宽输出
[0]:无输出
[1]:200ms脉宽输出
⑤第一报警
[H]:上限报警
[L]:下限报警
⑥外部事件输入
[N]:无外接按钮
[Y]:外接启动、停止、清零按钮
⑦计时器电源
[T]:交流/直流100-240V供电
[W]:DC24V供电
计时器/定时器接线图

