
信号选择器特点
◆高精度、高可靠性、高稳定性、长使用寿命
◆信号输出控制方式有四种,分别是自动高选/低选、开关量控制、高/低电平控制
◆输入/输出/电源全隔离
◆低功耗、极低温度漂移、抗强干扰
信号选择器型号举例
①YR9033A-00-G-AH
两路输入信号均为4-20mA,信号输出控制方式为自动高选,输出一路4-20mA信号
②YR9033A-00-G-AL
两路输入信号均为4-20mA,信号输出控制方式为自动低选,输出一路4-20mA信号
③YR9033A-00-G-DI
两路输入信号均为4-20mA,信号输出控制方式为开关量控制,输出一路4-20mA信号
④YR9033A-00-G-LS
两路输入信号均为4-20mA,信号输出控制方式为高电平/低电平控制,输出一路4-20mA信号

信号选择器技术指标
◆ 产品类型:两路输入/一路输出
◆ 控制方式(客户指定):自动高选、自动低选、开关量控制输出和高/低电平控制输出
◆ 回差:≤0.5%
◆ 响应时间:0.05s(0-90%)(TYP)
◆ 波纹:<10mArms
◆ 精度:0.2%
◆ 温度系数:50ppm/K的测量值/100Ω负载
◆ 耐压强度:500VDC时100MΩ,2000VAC/分钟
◆ 工作温度:-25~+85℃
◆ 工作湿度:<90%RH(无凝结水)
◆ 电源:DC24V±10%
◆ 功耗:<2W
◆ 外壳材料:尼龙PA.66
◆ 重量:约200克
◆ 外形尺寸:16.5×106×112mm(宽×高×深,单位:mm)
◆ 质保:工业级信号选择器质保36个月,军品级信号选择器质保60个月
信号选择器选型表
YR9033A-①-②③-④-⑤
①仪表供电方式
[省略]:传统端子供电(老款,逐渐停产)
[DR]:集中供电(新款)
②信号选择器第一路输入信号类型(两路输入信号类型应一致)
[0]:4-20mA输入,输入阻抗≤100Ω
[2]:0-5V,输入阻抗≥100kΩ
[3]:0-10V,输入阻抗≥100kΩ
[5]:0-10mA,输入阻抗≤100Ω
[6]:0-20mA,输入阻抗≤100Ω
③信号选择器第二路输入信号类型(两路输入信号类型应一致)
[0]:4-20mA输入,输入阻抗≤100Ω
[2]:0-5V,输入阻抗≥100kΩ
[3]:0-10V,输入阻抗≥100kΩ
[5]:0-10mA,输入阻抗≤100Ω
[6]:0-20mA,输入阻抗≤100Ω
④信号选择器输出信号类型(与输入信号类型应一致)
[G]:直流4-20mA输出,输出阻抗≤500Ω
[A]:直流0-5V,输出阻抗≥10kΩ
[B]:直流0-10V,输出阻抗≥10kΩ
[E]:直流0-10mA,输出阻抗≤1kΩ
[F]:直流0-20mA,输出阻抗≤500Ω
⑤信号选择器信号输出控制方式
[AH]:自动选择输入高的一路信号输出
[AL]:自动选择输入低的一路信号输出
[DI]:开关量控制(开关断开:选择输入第一路输出;开关闭合:选择输入第二路输出)
[LS]:电平控制[高电平(≥4V)):选择输入第一路输出;低电平≤1V:选择输入第二路输出]
选型举例
端子供电:YR9033A-00-G-AH
端子供电:YR9033A-00-G-AL
端子供电:YR9033A-00-G-DI
端子供电:YR9033A-00-G-LS
集中供电:YR9033A-DR-00-G-AH
集中供电:YR9033A-DR-00-G-AL
集中供电:YR9033A-DR-00-G-DI
集中供电:YR9033A-DR-00-G-LS
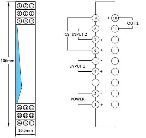
信号选择器接线图

注意:信号选择器若为自动高选或自动低选输出控制时,端子6和9不接线。
信号选择器价格不在fkswng仪表网上公示,产品选型、价格咨询和技术服务请联系页面上的网站客服或电话0871-65127691联系。
