单相多功能电力仪表能高精度的测量AC220V电力系统或高压电力系统中单相交流电压、交流电流、有功功率、无功功率、视在功率、有功电能、无功电能、视在电能、功率因素和工频周波;带RS485数字通讯接口可实现仪表组网通讯功能;带1路电能累积脉冲输出。单相多功能电力采用LED数码来显示测量参数,四种外形尺寸,有四个操作按键,用户可现场方便的实现显示切换、仪表参数编程设置,具有很强的灵活性。

单相多功能电力仪表具有极高的性价比,可以直接取代fkswng电量变送器、测量指示仪表以及相关的辅助单元。作为一种先进的智能化、数字化的电网前端采集元件,YR-GFE单相多功能电力仪表已广泛应用于各种控制系统、SCADA系统和能源管理系统、变电站自动化、配电网自动化、小区电力监控、工业自动化、智能建筑、智能配电盘、开关柜中,具有安装方便,接线简单,维护方便、工程量小,现场可编程设置输入参数、能完成业界与PLC、工业控制计算机通讯软件的组网。

单相多功能电力仪表技术指标
1、精度:U、I为0.2%级,P、Q为0.2%级,有功电能为0.2%级,无功电能为0.4%级

2、输入测量:
①电压:额定值/AC100V、AC500V;过负荷:持续:1.2倍,瞬时:电压2倍(10秒);功耗<1VA;阻抗>300kΩ
②电流:额定值/AC1A、AC5A;过负荷/持续:1.2倍,瞬时:电流10倍(5秒);功耗<0.4VA;阻抗<20MΩ
3、频率:50-60Hz±10%
4、电能:有功、无功电能计算
5、电源:AC/DC80-270V
6、功耗:<5W
7、仪表输出:
①数字量 :RS485接口,Modbus-RTU协议
②电能脉冲输入:累积冲输出1路,光耦隔离
8、工作条件:环境温度-10~50℃;相对湿度≤93%,无腐蚀气体场所,海拔高度≤2500米
9、仪表绝缘电阻:≥100MΩ
10、仪表结构:仪表外壳为ABS工程塑料;亚克力有机玻璃面板;按键数量4个,硅胶按键
10、显示方式:1排LED数码显示
11、仪表尺寸:4种外形尺寸

单相多功能电力仪表选型表
YR-GF①-②③④⑤⑥⑦⑧-⑨⑩-⑪-⑫
①功能代码
[E]:综合电量(电压、电流、有功功率、无功功率、视在功率、有功电能、无功电能、视在电能、功率因素、工频周波)测量
②外形尺寸
[3]:外形尺寸:80×80×115mm(高×宽×深)/开孔尺寸:76×76mm(高×宽)
[5]:外形尺寸:96×48×97mm(高×宽×深)/开孔尺寸:92×45mm(高×宽)
[9]:外形尺寸:96×96×97mm(高×宽×深)/开孔尺寸:92×92mm(高×宽)
[B]:外形尺寸:160×80×142mm(高×宽×深)/开孔尺寸:152×76mm(高×宽)
③产品设计序号
[S]:多功能仪表设计序号
④:参数显示个数
[1]:1个参数显示
⑤电网类型
[2]:单相
⑥通讯接口(160×80mm仪表通讯和变送输出不能同时存在;96×96mm、96×48mm和80×80mm仪表通讯和变送输出可以复选)
[N]:无通讯
[C]:RS485通讯
⑦变送输出(160×80mm仪表通讯和变送输出不能同时存在;96×96mm、96×48mm和80×80mm仪表通讯和变送输出可以复选)
[N]:无变送输出
[1M]:1路4-20mA变送输出(RL≤500Ω)
[2M]:1路0-10mA变送输出(RL≤1000Ω)
[3M]:1路0-20mA变送输出(RL≤500Ω)
[1V]:1路1-5V变送输出(RL≥250kΩ)
[2V]:1路0-5V变送输出(RL≥250kΩ)
[1X]:1路其他(用户指定输出)
⑧累积脉冲输出
[N]:无累积脉冲输出
[P1]:1路累积脉冲输出(适用于电能累积)
⑨电压输入信号类型
[1]:0-100VAC
[2]:0-500VAC
⑩电流输入信号类型
[1]:AC0-1A
[2]:AC0-5A
⑪报警
[N]:无报警
[2]:2限报警
⑫仪表供电电源
[W]:DC20-29V
[T]:DC/AC100-240V
备注:
1、外形规格为160×80mm仪表,模拟量输出、通讯输出和累积脉冲输出在同组接线端子上,只能选择其中一种功能;外形规格为96×96mm、96×48mm和80×80mm仪表,模拟量输出和累积脉冲输出在同组接线端子上,只能选择其中一种功能。
2、选择累积脉冲输出(按电压、电流倍率的1倍计算)时,请在订货时注明清楚测量类型和脉冲常数。
YR-GFE单相多功能电力仪表接线图
1、外形规格为160×80mm仪表接线图

2、外形规格为96×96mm和96×48mm仪表接线图

3、外形规格为80×80mm仪表接线图

仪表各输入方式接线说明
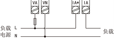
①单相两线系统,采用无PT,无CT方式的接线图

②单相两线系统,采用1PT,1CT方式的接线图

仪表电能脉冲输出接线说明
电能脉冲输出采用光耦集电极开路方式实现电能的远传,远程的计算机终端、PLC或开关量采集模块采集仪表的脉冲总数来实现电能累积计量。

