YR-GFB无功补偿控制器带有RS485/RS232通讯接口,将采集到的电压、电流、频率、有功功率、无功功率、电压畸变率、功率因数、温度等参数传送给其他设备。具有过电压、欠电压、欠流、断相、电压过畸变、温度保护等功能。产品执行标准:JB/T9663-2013《低压无功功率自动补偿控制器》。

低压无功功率自动补偿控制器特点
◆6种混合(共补+分补)补偿方案
◆12种电容器阻容量编码方式
◆16路补偿投切控制输出
◆自动/手动/远程补偿投切
◆柜体温度监测功能
◆报警输出功能
◆控制精度高
◆基波功率因素
◆基波无功功率
◆多种电参量测量切换显示

低压无功功率自动补偿控制器技术指标
◆辅助电源:
①电源电压:AC220V、AC380V,允许波动±10%;
②电源频率:50Hz、60Hz;
③总功耗:小于8VA
◆信号输入:
①交流电压:额定220V(相电压)或380V(相电压)
②交流电流:额定值5A
③过载:电压1.2倍连续,2倍持续30s;电流1.2倍连续,10倍持续5s
④交流频率:45-65Hz
⑤测温热电阻:Pt100
◆精确度等级:电流0.5级;电压0.5级;功率因素0.5级;有功功率1级;无功功率1.5级;温度3级
◆被测功率因素对应相位角:±180度
◆通讯:RS485或RS232
◆控制输出:8路或16路开关量输出,继电器容量AC250V/1A、DC30/1A
◆报警输出:1路报警,继电器容量AC250V/2A、DC30/2A
◆绝缘电阻:≥100MΩ
◆工频耐压:辅助电源和各输入线路端子组之间,试验电压为交流2.5kV/1min 50Hz
◆环境条件:工作温度-10~50℃;贮存温度-10~60℃,;湿度25%-85%,不结露
◆安装方式:标准卡入式

fkswng低压无功功率自动补偿控制器选型表
YR-GFB①-②③-④-⑤-⑥
①无功功率自动补偿控制器外形尺寸
[S]:120×120×115mm(开孔尺寸105×105mm)
②无功功率自动补偿控制器通选方式
[0]:无通讯
[2]:RS232(MOBUS RTU协议)
[8]:RS485(MOBUS RTU协议)
③控制输出
[08]:8路控制输出
[16]:16路控制输出
④报警输出
[N]:无报警输出
[1]:1限报警
⑤柜体温度监控
[N]:无温度监控
[T]:柜体温度监控(仪表不含测温Pt100热电阻)
⑥无功功率自动补偿控制器供电电源
[T1]:AC220V
[T2]:AC380V
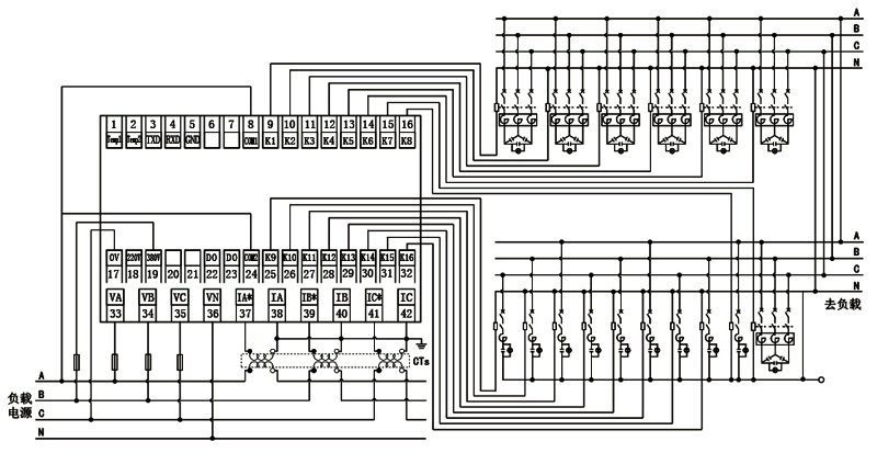
低压无功功率自动补偿控制器接线图
①无功功率自动补偿控制器端子位置图

电气符号说明

②低压无功功率自动补偿控制器接线图

