
多功能电力仪表技术参数
多功能电力仪表标准配置时基本功能为综合电量显示。
1、精度和分辨力

2、多功能电力仪表输入
①测量三相四线制低压电气系统参数:电压(Ua、Ub、Uc、N)直接接入仪表;电流(Ia、Ib、Ic)经3个CT接入多功能电力仪表
②测量三相四线制高压电气系统参数:电压(Ua、Ub、Uc、N)经3个PT后接入仪表;电流(Ia、Ib、Ic)经3个CT接入仪表
③测量三相三线制低压电气系统参数:电压(Ua、Ub、Uc)直接接入仪表;电流(Ia、Ic)经过2个CT接入多功能电力仪表
④测量三相三线制高压电气系统参数:电压(Ua、Uc)经2个PT后接入仪表;电流(Ia、Ic)经过2个CT接入多功能电力仪表
3、多功能电力仪表输出
①通讯接口:RS485,Modbus-RTU协议
②脉冲输出:有功脉冲输出1路和无功脉冲输出1路,光耦隔离
4、多功能电力仪表电源:DC/AC100-240V或DC20-29V
5、功耗:≤5W
6、多功能电力仪表耐压:输入和电源>1.5kV;输入和输出>1.5kV;电源和输出>1.5kV
7、绝缘:输入、输出、电源对机壳>100MΩ
8、仪表结构:仪表外壳为ABS工程塑料;亚克力有机玻璃面板;按键数量4个,硅胶按键
9、显示方式:3排4位数码管显示或LCD液晶显示

10、多功能电力仪表有4种外形
①外形尺寸:120×120×115mm(高×宽×深);开孔尺寸:105×105mm(高×宽)
②外形尺寸:96×96×97mm(高×宽×深);开孔尺寸:92×92mm(高×宽)
③外形尺寸:80×80×115mm(高×宽×深);开孔尺寸:76×76mm(高×宽)
④外形尺寸:1600×80×142mm(高×宽×深);开孔尺寸:152×76mm(高×宽)

多功能电力仪表选型
YR-GF①-②③④⑤⑥⑦⑧-⑨⑩-⑪-⑫-⑬
①功能[注1]
[E]:综合电量(电压、电流、有功功率、无功功率、视在功率、有功电能、无功电能、视在电能、功率因素、工频周波、谐波)测量
②多功能电力仪表外形
[2]:外形尺寸:120×120×115mm;开孔尺寸:105×105mm
[3]:外形尺寸:80×80×115mm;开孔尺寸:76×76mm
[9]:外形尺寸:96×96×97mm;开孔尺寸:92×92mm
[B]:外形尺寸:160×80×142mm;开孔尺寸:152×76mm
③功能说明
[S]:多功能仪表设计序号
④参数输入个数
[4]:3排数码显示/标准出厂配置
[Y]:LCD液晶显示(仪表外形为96×96×130mm)
⑤电网类型
[3]:三相三线制
[4]:三相四线制
⑥通讯接口
[N]:无通讯
[C]:RS485通讯
⑦变送输出[注2]
------所有外形仪表均可选以下选项
[N]:无变送输出
[11M]:1路4-20mA变送输出(RL≤500Ω)
[21M]:1路0-10mA变送输出(RL≤1000Ω)
[31M]:1路0-20mA变送输出(RL≤500Ω)
[11V]:1路1-5V变送输出(RL≥250kΩ)
[21V]:1路0-5V变送输出(RL≥250kΩ)
[11X]:1路其他(用户指定输出)
-----仅外形尺寸120×120mm仪表可选以下选项
[12M]:2路4-20mA变送输出(RL≤500Ω)
[22M]:2路0-10mA变送输出(RL≤1000Ω)
[32M]:2路0-20mA变送输出(RL≤500Ω)
[12V]:2路1-5V变送输出(RL≥250kΩ)
[22V]:2路0-5V变送输出(RL≥250kΩ)
[12X]:2路其他(用户指定输出)
[13M]:3路4-20mA变送输出(RL≤500Ω)
[23M]:3路0-10mA变送输出(RL≤1000Ω)
[33M]:3路0-20mA变送输出(RL≤500Ω)
[13V]:3路1-5V变送输出(RL≥250kΩ)
[23V]:3路0-5V变送输出(RL≥250kΩ)
[13X]:3路其他(用户指定输出)
[14M]:4路4-20mA变送输出(RL≤500Ω)
[24M]:4路0-10mA变送输出(RL≤1000Ω)
[34M]:4路0-20mA变送输出(RL≤500Ω)
[14V]:4路1-5V变送输出(RL≥250kΩ)
[24V]:4路0-5V变送输出(RL≥250kΩ)
[14X]:4路其他(用户指定输出)
⑧累积脉冲输出[注3]
[N]:无累积脉冲输出
[P1]:1路有功电能累积脉冲输出
[P2]:1路有功电能、2路无功电能累积脉冲输出
⑨电压输入信号类型
[1]:0-100VAC
[2]:0-500VAC
⑩电流输入信号类型
[1]:AC0-1A
[2]:AC0-5A
⑪外部事件输入
[N]:无外部事件输入[注4]
[Y2]:2路外部事件输入(仅外形80×80mm仪表可选)
[Y4]:4路外部事件输入(仅外形120×120mm仪表可选)
⑫报警
[N]:无报警
[2]:2限报警
⑬仪表供电电源
[W]:DC20-29V
[T]:DC/AC100-240V
1、YR-GFE系列多功能电力仪表可显示交流电压、交流电流、有功功率、无功功率、视在功率、有功电能、无功电能、视在电能、功率因素、工频周波、谐波(其中谐波显示只针对120×120mm外形仪表)。
2、规格尺寸为160×80mm、96×96mm和80×80mm外形仪表,模拟量输出只能选择一路;120×120mm外形仪表,模拟量输出最多可选择四路;电流输出与电压输出之间是不可切换的,需通过更改硬件完成,订货时请注明清楚。
3、规格尺寸为160×80mm、96×96mm和80×80mm仪表,累积脉冲输出只能选择一路;120×120mm外形仪表,累积脉冲输出可选择两路;累积脉冲输出(按电压、电流倍率的1倍计算)时,请在订货时注明清楚测量类型和脉冲常数;
4、160×80mm、96×96mm外形仪表,无外部事件输入功能;80×80mm外形仪表,外部事件输入可选择两路;120×120mm外形仪表,外部事件输入可选择四路。
常用多功能电力仪表型号
YR-GFE-2S4CP01N对应江苏斯菲尔电气股份有限公司PD194E-2S4,功能完全一致,fkswng多功能电力仪表价格更实惠
YR-GFE-9S4CP01N对应江苏斯菲尔电气股份有限公司PD194E-9S4,功能完全相同,fkswng多功能电力仪表高性价比,质保24个月
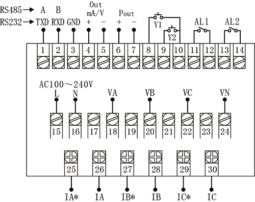
多功能电力仪表接线图
多功能电力仪表可使用在三相三线制和三相四线制配电系统中,仪表接线存在差别,请注意正确接线。
1、外形尺寸160×80mm、96×96mm多功能电力仪表接线图

2、外形尺寸80×80mm多功能电力仪表接线图

3、外形尺寸120×120mm多功能电力仪表接线图

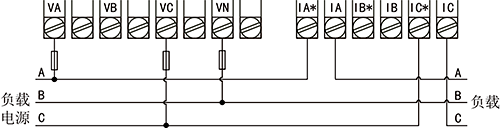
◆三相三线系统,多功能电力仪表接入无PT、无CT方式的接线图

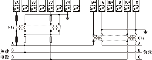
◆三相三线系统,多功能电力仪表接入2PT、2CT方式的接线图

◆三相四线系统,多功能电力仪表接入无PT、无CT方式的接线图

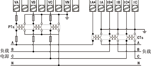
◆三相四线系统,多功能电力仪表接入3PT、3CT方式的接线图

注意事项
1、建议用户在外接CT、PT时,在本仪表和CT、PT之间采用接线端子排连接,以方便多功能电力仪表的拆卸。
2、当电流信号以CT方式接入时,请注意CT同名端。
3、用户需根据所采用的PT不同选择额定电流合适的保险丝。
4、为保证测量数据的准确度,必须正确接入电压、电流测试信号。当被测试电压小于多功能电力仪表电压量程,可以直接接入;否则,必须经电压互感器PT接入。当被测试电流小于多功能电力仪表电流量程,可以直接接入;否则,必须经电流互感器CT接入。
5、接线时确保输入电流与电压相序一致,否则会出现显示数值与符号错误,同时确保电流进出线连接正确(打*号端子接进线)
6、接入互感器的精度能够影响多功能电力仪表测试数据的准确度。互感器次级输出应连接较粗、较短的低阻抗导线,减少干扰影响。互感器可能产生信号角差的偏移,对测试数据的准确度有影响。
多功能电力仪表应用场合
功能电力表和网络多功能电力仪表用在电气系统的进线柜上,用于负载监控和考核计量,对电网所有参数进行高精度测量,仪表可靠性、稳定性和使用寿命达到国内行业领先水平,品质值得信赖!
