fkswngYR-GFER系列电能质量分析仪采用新进的集成电路及数字采样技术,对三相电气线路中的交流电流/电压、有功功率、无功功率、视在功率、功率因数、工频周波、谐波、有功电能、无功电能、四象限电能、波峰系数及不平衡度等进行实时测量显示与在线分析。分析仪采用3.5英寸320×240点阵TFT高亮度彩色图形液晶显示,LED背光,画面清晰、视角宽。本机具有模拟量输出、通讯输出及累积脉冲输出功能,支持RS232/485通讯接口,以太网接口,微型打印机接口和USB接口,Micro SD卡,支持干接点数字信号输入,功能强大,性价比高。产品广泛应用于分布式电力监控系统、变电站综合自动化系统、无人值守变电站、低压智能配电系统、智能型开关柜/配电盘、智能型箱变及楼宇自动化系统的数据采集。

电能质量分析仪技术参数
1、电能质量分析仪测量参数
◆电压:测量范围为0.0-500.0V/AC;测量误差为±0.2%F.S;分辨力为0.1V
◆电流:测量范围为0.01-5A/AC;测量误差为±0.2%F.S;分辨力为0.001A
◆有功功率:测量范围为U×I×COSΦ;PF=1.0时测量误差为±0.5%F.S;分辨力为0.1W
◆有功电能:测量范围为99999.99MWh;PF=1.0时测量误差为±0.5%F.S;分辨力为0.01kWh
◆无功功率:测量范围为U×I×SINΦ;PF=0.0时测量误差为±0.5%F.S;分辨力为0.1W
◆无功电能:测量范围为99999.99MVarh;PF=0.0时测量误差为±0.5%F.S;分辨力为0.01KVarh
◆视在功率:测量范围为U×I;测量误差为±0.5%F.S;分辨力为0.1VA
◆功率因数:测量范围为-1.000~1.000;测量误差为±0.05%F.S;分辨力为0.001
◆工频周波:测量范围为45-65Hz(50-500V);测量误差为±0.05Hz;分辨力为0.01Hz
◆谐波:2-31次

2、电压输入:输入范围为0.0-500.0VAC,输入阻抗500KΩ
3、电流输入:输入范围为0.01-5AAC,输入阻抗<0.1Ω
4、模拟量输出:4-20mA、0-20mA、0-10mA、1-5V、0-5V
5、报警输出:继电器控制输出-AC220V/2A、DC24V/2A(阻性负载)
6、通讯输出:RS485/RS232通讯接口,波特率4800-38400bps可设置,采用标准MODBUS RTU通讯协议,RS485通讯距离可达1公里;RS232通讯距离可达:15米;EtherNet通讯接口,通讯速率10M/100M自适应。
7、累积脉冲输出:可选择总有功电能、总无功电能、总视在电能的累积脉冲输出,输出为OC门
8、数据备份:支持U盘和SD卡进行数据备份与转存,容量为4~32GB
9、接线端子:额定电流为5A,额定电压为500V
10、使用环境:环境温度-10~60℃;相对湿度≤85%RH;避免强腐蚀气体
11、工作电源:AC100-240V(开关电源),50/60Hz;DC20-29V(开关电源)
12、功耗:≤8W
13、电能质量分析记录仪带有USB和SD卡接口,可用U盘和SD卡转存数据;使用fkswng仪表提供的电能质量分析仪YR-EDM数据分析软件可实现以下功能:

①历史曲线浏览、打印功能;
②历史数据浏览、打印功能;
③历史数据的Excel输出功能;
④数据统计功能;
⑤历史曲线的缩放、复制功能(可粘贴于图形编辑程序);
⑥数据列表的筛选、复制功能(可粘贴于Excel或任意文本编辑器);
⑦累积报表浏览、复制功能;
14、外形尺寸:电能质量分析仪有96×96mm和120×120mm两种外形尺寸

电能质量分析仪液晶显示画面

◆电力参数画面


①可切换显示
相电压、线电压、电流、有功功率、无功功率、视在功率、功率因素频率;
瞬时值、最大值、最小值、需量、最大需量、最小需量;
②符号名称A相、B相、C相、AB相、BC相、CA相、Avr平均量、∑总量、F频率
单位:V(伏)、A(安)、W(瓦)、Var(乏)、Hz(赫兹);
时间戳:记录最大值、最小值的时间,显示:年-月-日、时:分:秒;
③通过按键可清除最大值。
◆谐波参数画面




①显示电压、电流的谐波含有率并以柱形图显示,还可以显示谐波瞬时值、最大值及最大值时间;
②基波矢量图直观的表现基波的不平衡度;
③显示谐波波形运行状态:运行(RUN)、停止(STOP)。
◆电网质量画面


①可切换显示:
电压THD(电压总谐波失真)、电流THD(电流总谐波失真)、电压波峰系数、电流波峰系数、不平衡度
最大值、瞬时值
②符号名称:A相、B相、C相、电压(U)不平衡度、电流(I)不平衡度;
时间戳:记录最大值的时间,显示:年-月-日、时:分:秒;
◆费率电度画面


①可切换显示总有功电能、总无功电能、总视在电能,四象电能,本月电能、上月电能、上上月电能、历史电能;
②可查看总费率、尖费率、峰费率、平费率、谷费率的电费和总电费;
③可查询任意时间段的总历史电能。
◆电量记录画面


①可切换显示实时曲线、历史曲线;
曲线内容可选:UA/UB/UC、Uavr、UAB/UBC/UCA、UVavr、IA/IB/IC、Iavr、TP、TQ、TS、COS、FR、ThdUa、ThdUb、ThdUc、ThdIa、ThdIb、ThdIc、KbfUa、KbfUb、KbfUc、KbfIa、KbfIb、KbfIc、UnbU、UnbI;
②可手动设置时间选择曲线打印。
◆文件管理画面


①电能质量分析记录仪会自动将记录的所有数据备份到本地文件中,也可以使用U盘或SD卡对内部的记录数据进行备份和转存;
②数据分析软件YR-EDM可以对U盘/SD卡备份的数据进行采集转存、分析与打印。
电能质量分析仪接线图
◆96×96mm外形尺寸电能质量分析仪接线图


◆120×120mm外形尺寸电能质量分析仪接线图


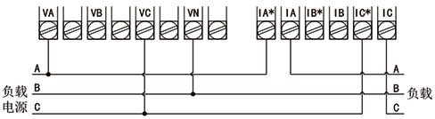
1、三相三线系统,采用无PT,无CT方式的电能质量分析仪接线图(适用于3P3L)

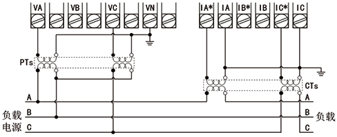
2、三相三线系统,采用2PT,2CT方式的电能质量分析仪接线图(适用于3P3L)

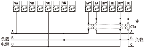
3、三相三线系统,采用无PT,2CT方式的电能质量分析仪接线图(适用于3P3L)

电能质量分析仪/电能质量分析记录仪选型表
YR-GFER①②-③/④⑤/⑥/⑦-⑧-⑨/⑩/⑪-⑫
①仪表外形(高×宽×深)
[2]:120×120×115mm/开孔尺寸:105×105mm
[9]:96×96×115mm/开孔尺寸:92×92mm
②记录功能
[省略]:无记录功能
[R]:带记录功能
③通讯
[0]:无通信,默认
[2]:RS232通信
[3]:打印口
[8]:RS485通信
④变送输出
[0]:无输出,默认
[2]:变送输出为4-20mA(RL≤600Ω)
[3]:变送输出为0-10mA(RL≤1.2kΩ)
[4]:变送输出为1-5V(RL≥250kΩ)
[5]:变送输出为0-5V(RL≥250kΩ)
[8]:变送输出为0-20mA(RL≤600Ω)
⑤变送输出路数
[0]:无变送输出时必选项,默认
[2]:2路变送输出
[4]:4路变送输出(仪表外形为96×96的不能选此项)
⑥报警输出
[0]:无报警输出,默认
[1]:2限报警输出
⑦累积脉冲输出
[N]:无累积脉冲输出,默认
[P1]:1路累积脉冲输出
[P2]:2路累积脉冲输出
⑧外部事件输入
[N]:无外部事件输入,默认
[Y2]:2路干接点数字信号输入
[Y4]:4路干接点数字信号输入
⑨电能质量分析记录仪USB接口
[N]:无USB接口(电能质量分析仪必选项)
[USB]:带USB接口(电能质量分析仪不能选此项,记录仪必选项)
⑩电能质量分析记录仪SD接口
[N]:无SD接口(电能质量分析仪必选项)
[SD]:带SD接口(电能质量分析仪不能选此项,记录仪必选项)
⑪以太网通讯口
[N]:无以太网口,默认
[E]:带以太网通讯
⑫仪表电源
[T]:AC/DC100~240V,默认
[W]:DC24V
选型举例
YR-GFER9R-8/22/1/P2-N-USB/SD/N-T
