YR-ER101用于测量液体、气体或蒸汽的液位、密度、压力以及流量,然后将其转变为4-20mA+HART电流信号输出。YR-ER101也可与HART手持终端或HART Modem相互通信,通过它们进行参数设定、过程监控等。YR-ER101的测量范围(未迁移时)为0-1kPa~2MPa,远传法兰的额定压力分别为:1.6/4MPa、6.4MPa、10MPa、150psi、300psi或600psi。

双法兰液位变送器工作原理与结构
单晶硅远传差压变送器(双法兰液位变送器)结构上由单晶硅差压变送器YR-ER101和经焊接安装的带毛细管远传法兰组成。其工作原理与YR-ER101系列差压变送器相同(参见YR-ER101系列差压变送器技术规格书),只是压力传递路径略有不同:作用在远传法兰侧的压力,首先经远传法兰上的膜片和填充液,再经毛细管,最后到达测量传感器相应的正负侧。
单晶硅远传差压变送器(双法兰液位变送器)输入
◆测量参数 :差压和液位
◆测量范围:下限值:-100%URL(连续可调);上限值:+100%URL(连续可调)
◆量程
表1 量程代码与量程范围关系对照表

表2 远传法兰与最小量程关系对照表

单晶硅远传差压变送器(双法兰液位变送器)的最小量程为表1和表2中最小量程的较大值。调节的量程不得小于最小量程。双法兰差压变送器的最大量程应为变送器本体最大量程与液位法兰额定压力两者的最小值。
单晶硅远传差压变送器(双法兰液位变送器)输出
◆输出信号:二线制,4-20mA+HART输出,数字通讯,可选择线性或平方根输出
◆信号极限:Imin=3.9mA,Imax=20.5mA
◆报警电流:低报模式:3.7mA;高报模式:21mA;不报模式:保持故障前的有效电流值;报警电流标准设置:高报模式
◆响应时间:放大器部件阻尼常数为0.1s;传感器时间常数为0.1-1.6s,取决于量程及量程比。附加的可调时间常数为:0.1-60s。对非线性输出(如平方根)的影响取决于该功能,并可据此计算
单晶硅远传差压变送器(双法兰液位变送器)安装条件
1、单晶硅双法兰差压变送器(双法兰液位变送器)本体可直接固定于任何位置。最佳状态是使用过程法兰轴处于垂直状态,位置偏差将产生可校正的零位偏移。电子表壳内最大可旋转360度,定位螺钉可将其固定在任何位置。
2、远传法兰与符合ANSI/DIN标准的配套法兰相连接,该配套法兰应配有软性垫片和安装固定螺栓、螺母(用户可选配安装螺栓、螺母)。
3、对于单晶硅双法兰差压变送器(双法兰液位变送器),毛细管部件和远传法兰应仅可能安装在相同的环境温度中。毛细管最小弯曲半径为75mm、严禁缠绕!!
单晶硅远传差压变送器(双法兰液位变送器)环境条件
◆环境温度:最低:取决于填充液;最高:85℃;带液晶显示、氟橡胶密封圈时-20~+65℃
◆储存温度/运输温度:最低:取决于填充液;最高:85℃
◆相对湿度 :0-100%
◆抗冲击:加速度:50g;持续时间:11ms
◆抗震动:2g~500Hz
◆电磁兼容性(EMC)

单晶硅远传差压变送器(双法兰液位变送器)
◆介质温度:-30~+400℃
表3 填充液、工作温度和最小工作静压关系表

注:超出以上工作温度和静压关系范围的应特别指出,可以通过fkswng仪表特殊设计来满足要求。
单晶硅远传差压变送器(双法兰液位变送器)本体压力极限
◆ANSI标准:150psi-600psi
◆DIN标准:PN1.6MPa-PN10MPa
◆单向过载极限:低压侧为双法兰差压变送器额定压力,高压侧为远传法兰额定压力,可能出现可修整的零点漂移
◆重量:单边远传为DN50/2英寸,约7-10kg;DN80/3英寸,约8-11kg;DN4英寸约为9-12kg;双边远传为DN50/2英寸,约10-16.5kg;DN80/3英寸,约12-18kg;DN4英寸约为14-21kg
◆防爆性能:NEPSI隔爆许可:ExdⅡCT6;NEPSI本安许可:ExiaⅡCT4;允许使用温度为-40~+65℃
双法兰液位变送器电源及负载条件
◆电源及负载条件:电源电压为DC24V,R≤(Us-12)/Imax kΩ,其中Imax=23mA、最大电源电压:42VDC、最小电源电压:12VDC,15VDC(背光液晶显示),数字通讯负载范围:250-600Ω
◆电气连接:M20×1.5电缆密封扣,接线端子适用于0.5-2.5mm2的导线
◆材质
①测量膜盒:不锈钢316L
②膜片:不锈钢316L、哈氏合金C、钽
③双法兰差压变送器过程法兰:不锈钢304
④填充液:硅油、高温硅油、超高温硅油、植物油
⑤密封圈:丁晴橡胶(NBR)、氟橡胶(FKM)、聚四氟乙烯(PTFE)
⑤双法兰液位变送器外壳:铝合金材质、外表喷涂环氧树脂
⑥外壳密封圈:丁晴橡胶(NBR)
⑦铭牌:不锈钢304
⑧外壳防护等级:IP67
单晶硅远传差压变送器(双法兰液位变送器)


注:
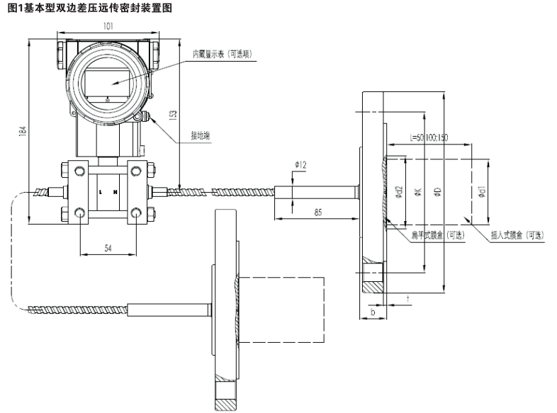
①单边基本型差压远传密封装置可以安装在变送器本体的高压侧,也可以安装在变送器的低压侧;
②单边或双边基本型差压远传密封装置的双法兰液位变送器本体安装方式与YR-ER101系列差压变送器相同。


注:
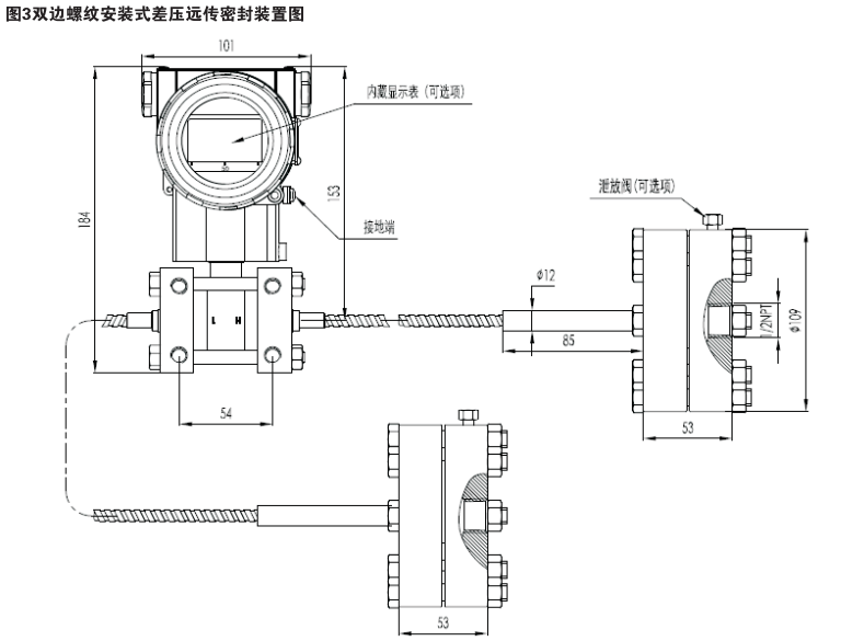
①单边螺纹安装式差压远传密封装置可以安装在变送器本体的高压侧,也可以安装在变送器的低压侧;
②单边和双边螺纹安装式差压远传密封装置的变送器本体安装方式同YR-ER101系列差压变送器。
远传法兰结构尺寸表
注:用户可选配差压远传变送器安装螺栓和螺母。
单晶硅远传差压变送器电气接线图

单边远传差压变送器无远传法兰端的过程连接说明

单晶硅远传差压变送器(双法兰液位变送器)选型表
双法兰液位变送器型号由两部分组成:差压变送器本体型号[注1] + 差压远传密封装置型号
注1:变送器本体型号选型参照YR-ER101差压变送器型号选型,,并在YE-ER101差压变送器选项表中第6行选“R”远传选项
用双法兰差压变送器测量液位比较常用,仪表工必须掌握双法兰差压变送器量程确定和不同现场条件下零点迁移计算的方法才能熟练应用该产品,请大家仔细阅读《双法兰差压变送器液位测量时零点迁移计算及安装方法》这篇技术文章。
