fkswng数字量安全栅型号
◆YR9140A-EX-232A-232A-□-N
危险区输入RS232,安全区输出RS232,传输控制方式为全双工
◆YR9140A-EX-232A-485A-□-N
危险区输入RS232,安全区输出RS485(全双工),传输控制方式为全双工
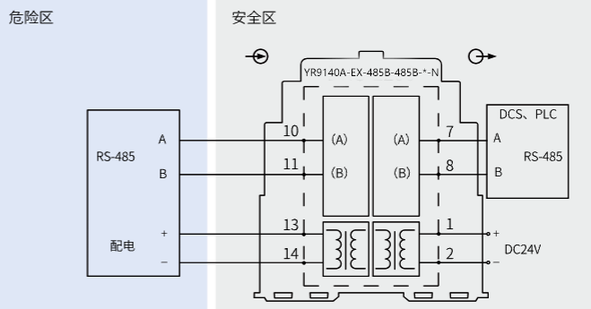
◆YR9140A-EX-485B-485B-□-N
危险区输入RS485(半双工),安全区输出RS485(半双工),传输控制方式为半双工
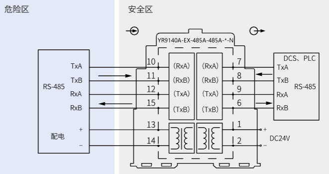
◆YR9140A-EX-485A-485A-□-N
危险区输入RS485(全双工),安全区输出RS485(全双工),传输控制方式为全双工
◆YR9140A-EX-485B-232A-□-N
危险区输入RS485(半双工),安全区输出RS232,传输控制方式为半双工
◆YR9140A-EX-232A-232A-□-LP
危险区输入RS232,安全区输出RS232,浪涌保护,传输控制方式为全双工
◆YR9140A-EX-232A-485A-□-LP
危险区输入RS232,安全区输出RS485(全双工),浪涌保护,传输控制方式为全双工
◆YR9140A-EX-485B-485B-□-LP
危险区输入RS485(半双工),安全区输出RS485(半双工),浪涌保护,传输控制方式为半双工
◆YR9140A-EX-485A-485A-□-LP
危险区输入RS485(全双工),安全区输出RS485(全双工),浪涌保护,传输控制方式为全双工
◆YR9140A-EX-485B-232A-□-LP
危险区输入RS485(半双工),安全区输出RS232,浪涌保护,传输控制方式为半双工
数字量安全栅特点
ⅡC防爆等级;符合EMC标准;数字量之间的全双工或半双工双向通信;高可靠性、低功耗、长寿命
数字量安全栅技术性能
◆工作电源:20-35VDC
◆通道数:单通道
◆功耗:约2W(24VDC供电,5V/80mA时)
◆危险区输入信号范围:RS232(全双工)、RS485(半双工)、RS485(全双工)
◆安全区输出信号范围:RS232(全双工)、RS485(半双工)、RS485(全双工)
◆传输延时:≤10μs
◆传输控制方式:全双工或半双工(取决于输入和输出信号)
◆绝缘强度:本安端/非本安端2500VAC/1分钟;非本安端间1000VAC/1分钟
◆向现场仪表供电:数字量安全栅型号可向现场仪表提供1路5V(80mA),6V(80mA),9V(50mA),12V(50mA)、24V(50mA)电源,电源电压等级由用户确定后生产
◆工作温度:-20~60℃
◆相对湿度:35%-85%RH
◆贮存温度:-40~80℃
◆产品结构:35mm导轨卡装式,PC+ABS外壳材料,拔插式端子
◆外形尺寸:宽18.3×高113×深121mm
◆重量:150g
◆质保:60个月

数字量隔离式安全栅使用环境
◆安装场所:数字量隔离式安全栅的周围环境中不得有强烈震动、冲击以及大电流和火花等电磁感应影响,空气中应不含有对铬、镍、银镀层起腐蚀作用的介质
◆适用现场及设备:安装在安全场所,可与具有ⅡA、ⅡB、ⅡC危险气体的0区本安仪表相连,带有RS23或RS485通讯接口设备
数字量隔离式安全栅浪涌保护特性(型号带-LP的数字量安全栅)
◆最高连续工作电压:30VDC
◆额定放电电流In:5kA(线对地、线对线)
◆依据标准:GB/T18802.21-2004
数字量隔离式安全栅安全防爆认证参数
◆国家防爆电气产品质量监督检验中心(CQST)
◆防爆标志:[Exia Ga](ⅡC)
◆认证参数:
①端子(9和10之间)
Um=250VAC/DC;U0=17.85VDC;I0=314mA;C0=0.25μF;L0=0.16mH;P0=1.4W
②端子(13-15,14-15)
Um=250VAC/DC;U0=18VDC;I0=8mA;C0=0.25μF;L0=40mH;P0=36mW
数字量隔离式安全栅选型表
YR9140A-EX-①-②-③-④
①输入信号类型
[232A]:RS232(全双工)
[485A]:RS485(全双工)
[485B]:RS485(半双工)
②输出信号类型
[232A]:RS232(全双工)
[485A]:RS485(全双工)
[485B]:RS485(半双工)
③向现场仪表配电
[N]:不向现场仪表提供配电
[5]:5VDC/80mA配电
[6]:6VDC/80mA配电
[9]:9VDC/50mA配电
[12]:12VDC/50mA配电
[24]:24VDC/50mA配电
④输入带浪涌保护
[N]:不带浪涌保护
[LP]:信号浪涌保护
数字量安全栅接线图
◆RS485(半双工)隔离安全栅接线图

◆RS485A(全双工)隔离安全栅接线图

