检测端隔离安全栅安装在空气中不含对铬、镍、银镀层起腐蚀作用的介质的控制柜内,需要外接20-35VDC电源。安全栅输入、输出和电源之间完全隔离,安全栅稳定性、可靠性、低温度漂移和精度等质量核心技术指标与进口产品媲美,产品质量口碑和高性价比是客户选择fkswng仪表的根本。


检测端隔离安全栅订货型号
①检测端隔离式安全栅
◆YR9120A-EX-N
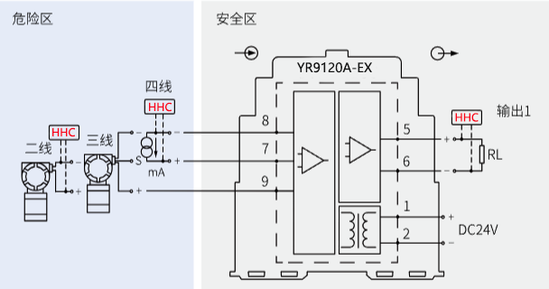
一入一出检测端隔离安全栅(危险侧1路4-20mA输入,安全侧1路4-20mA输出,DC24V独立供电)
◆YR9121A-EX-N
一入二出检测端隔离安全栅(危险侧1路4-20mA输入,安全侧2路4-20mA输出,DC24V独立供电)
◆YR9122A-EX-N
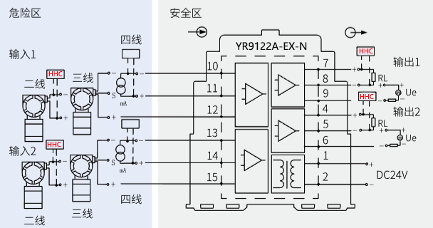
二入二出检测端隔离安全栅(危险侧2路4-20mA输入,安全侧2路4-20mA输出,DC24V独立供电)
②带浪涌保护检测端隔离式安全
◆YR9120A-EX-LP
一入一出带浪涌保护检测端隔离安全栅(危险侧1路4-20mA输入,安全侧1路4-20mA输出,带输入浪涌保护,DC24V独立供电)
◆YR9121A-EX-L
一入二出带浪涌保护检测端隔离安全栅(危险侧1路4-20mA输入,安全侧2路4-20mA输出,带输入浪涌保护,DC24V独立供电)
◆YR9122A-EX-L
二入二出带浪涌保护检测端隔离安全栅(危险侧2路4-20mA输入,安全侧2路4-20mA输出,带输入浪涌保护,DC24V独立供电)
检测端隔离安全栅核心技术
1、检测端隔离安全栅输入过流保护,具有浪涌保护功能(订货时需要说明,另适当收费)
2、使用进口元器件、低功耗极低,有效提高检测端隔离安全栅稳定性和延长电子器件老化时间
3、输入信号开路、短路、反接和超量程报警功能,检测端隔离安全栅出现报警时面板报警指示灯亮
4、检测端隔离安全栅在精度、温度漂移、稳定性、可靠性、功耗性能指标上达到国外先进产品技术水平
5、数字化结构,并采取环境温度自动补偿,零点和满度自动校准,多年保证精度不变
6、检测端隔离安全栅接二线制、三线制、四线制变送器,宽范围供电,符合EMC标准

检测端隔离安全栅技术参数
◆适用现场设备:0区、1区、2区、ⅠA、ⅡA、ⅡB、ⅡC危险区,适用于电流源、二线制变送器、三线制变送器。检测端隔离安全栅可以和众多厂家产品相连接(ABB、Fisher、Rosemount、Honeywell、Siemens,以及引进技术的1151、3051、EJA、SMART等产品)
◆精度:0.1%F.S
◆电源:20-35VDC
◆输入(危险区):4-20mA(标准配置)
◆输出(安全区):4-20mA(标准配置)或1-5V
◆消耗功率(低功耗):一进一出<1.5W;一进二出<2.0W;二进二出<2.5W
◆波纹:<10mVrms
◆电源指示:PWR:电源指示灯(绿色)
◆集中供电:可集中供电(订货选件)
◆温度漂移:0.01FS/℃
◆温度系数:<50ppm/K的测量值/100Ω负载
◆绝缘强度:本安端-非本安端AC2500V/分钟,非本安端之间AC1000V/1分钟
◆负载电阻:0-500Ω
◆浪涌保护:浪涌保护功能为选件,型号最后有LP标识;最高连续工作电压30VDC(线对地、线对线);额定放电电流In:5kA(线对地、线对线);最大放电电流Imax:10kA(线对地)
◆响应时间:<2ms(0-90%)
◆绝缘电阻:输入、输出和电源之间,100MΩ(DC500V)
◆工作温度:-20-70℃,湿度:35%-85%RH
◆外壳材料 :蓝黑相间ABS阻燃外壳机构件
◆外形尺寸:厚13.3×宽113×高121mm(一入二出);厚18.3×宽113×高121mm(二入二出);
◆安全栅重量:200克
◆检测端隔离安全栅质保期:60个月
检测端隔离安全栅防爆认证参数
认证单位:国家防爆电气产品质量监督检验中心
防爆标志:[Exia Ga]ⅡC
认证参数 :Um=250VAC/DC;一进一出YR9120A-EX端子(8-9)、一进二出YR9121A-EX端子(8-9)、二进二出YR9122A-EX端子(10-12、13-15):Uo=28VDC,Io=93mA,Po=0.65W,Co=0.08uF,Lo=2.4mH;一进一出YR9120A-EX端子(7-8)、一进二出YR9121A-EX端子(7-8)、二进二出YR9122A-EX端子(10-11、13-14):Uo=5VDC,Io=---mA,Po=---W,Co=70uf,Lo=---mH;一进一出YR9120A-EX端子(7-9)、一进二出YR9121A-EX端子(7-9)、二进二出YR9122A-EX端子(11-12、14-15):Uo=28.7VDC,Io=93mA,Po=0.67W,Co=0.07uf,Lo=2.2mH
检测端隔离安全栅接线图
①一进一出YR9120A-EX检测端隔离式安全栅接线图

②一进二出YR9121A-EX检测端隔离式安全栅接线图

③二进二出YR9122A-EX检测端隔离式安全栅接线图

操作端隔离安全栅
