

操作端隔离安全栅订货型号
①YR9130A-EX-N
一入一出(安全侧1路4-20mA输入,危险侧1路4-20mA输出,DC24V独立供电)
②YR9132A-EX-N
二入二出(安全侧2路4-20mA输入,危险侧2路4-20mA输出,DC24V独立供电)
③YR9130A-EX-LP
一入一出(安全侧1路4-20mA输入,危险侧1路4-20mA输出,带输入浪涌保护,DC24V独立供电)
④YR9132A-EX-LP
二入二出(安全侧2路4-20mA输入,危险侧2路4-20mA输出,带输入浪涌保护,DC24V独立供电)
特别说明:HART操作端隔离安全栅适用于智能HART阀门定位器、电/气转换器,从安全侧把4-20mA电流信号传输到危险侧,驱动现场的执行机构工作。同时HART数字信号在安全侧和危险侧之间双向通讯,可以用HART手操器在安全侧和危险侧对HART阀门定位器、电/气转换器进行操作。但必须要注意:在危险区和安全区不能同时使用HHC(HART手操器);在危险区使用的HHC(HART手操器)必须经过防爆认证。
操作端隔离安全栅技术指标
◆适用现场及设备:0区、1区、2区,ⅡA、ⅡB、ⅡC危险区,适用于阀门定位器、电/气转换器
◆操作端隔离安全栅精度:0.1%F.S
◆工作电源:20V-35VDC
◆功耗:一进一出约1W;二进二出约2W
◆安全侧输入:4-20mA,HART数字信号
◆危险侧输出:4-20mA,HART数字信号
◆允许输出负载能力:0-650Ω
◆浪涌保护:浪涌保护功能为选件,型号最后有LP标识;最高连续工作电压30VDC(线对地、线对线);额定放电电流In:5kA(线对地、线对线);最大放电电流Imax:10kA(线对地)
◆绝缘强度:本安端/非本安端间2500VAC/1分钟;非本安端间1000VAC/1分钟
◆温度漂移:0.005%F.S/℃
◆工作温度:-20℃~+60℃
◆相对湿度:35%~70%RH
◆贮存温度:-40℃~+80℃
◆外形尺寸:一入一出厚13.3×宽113×高121mm;二入二出厚18.3×宽113×高121mm
◆产品结构:操作端隔离安全栅为35mm导轨卡装式,PC+ABS外壳材料,插拔式端子
◆整机重量:150g
◆产品特点:操作端隔离安全栅接危险区域阀门定位器、电/气转换器,宽范围供电,符合EMC标准
◆安装场所:操作端隔离安全栅安装环境周围空气中应不含对铬、镍、银镀层起腐蚀作用的介质
◆质保:60个月
操作端隔离安全栅防爆认证参数
认证单位:国家防爆电气产品质量监督检验中心
防爆标志:[Exia Ga]ⅡC
认证参数 :YR9130A-EX型一进一出端子(7-8) :YR9132A-EX型二进二出端子(10-11、13-14):
Um=250VAC/DC,Uo=28VDC,Io=93mA,Po=651mW,Co=0.06uF,Lo=2.4mH
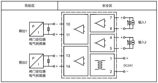
操作端隔离安全栅接线图
①YR9130A-EX一入一出操作端隔离安全栅接线图

②YR9132A-EX-N二入二出操作端隔离安全栅接线图

注意:在危险区和安全区不能同时使用HHC(HART手操器);在危险区使用的HHC(HART手操器)必须经过防爆认证。
