隔离式安全栅安装在非危险场所,它分为操作端安全栅及检测端安全栅,根据实际需要而选择。

隔离式安全栅技术指标
1、供电电压:20-35VDC
2、配电电压:普通型12~28.5VDC,HART通过型:12~28.5VDC
3、隔离:输入、输出电源之间250V(有效电阻)
4、端子:适合直径不超过2.5mm²的多束或单股电缆
5、环境温度限制:-20~+70℃运行,-40~80℃储存
6、湿度:5%~95%相对湿度
7、负载阻抗:不小于500Ω
8、响应时间:<2ms(0-90%)
9、电源功耗:每通道不大于1.5W
10、基本误差:0.1%
11、隔离式安全栅符合BASEEFA、CSA、FM及TC124SC2的标准,以及其他一些认证标准
隔离式安全栅检修内容及质量标准
1)需检查输入输出线路是否完好、供电线路是否完好。线路有无断路、短路。接线及端子是否松动,需进行紧固检查。
2)线路标号是否齐全、清晰。
3)检查冗余供电的稳压电源输出电压数值及偏差是否在指标要求范围内。
4)隔离式安全栅接地绝缘是否完好。
1、隔离式安全栅检查校验所用的标准仪器
1)稳压电源(24VDC)1台
2)精密电流表1台
3)标准电阻250Ω和100Ω各1只
4)标准可调电阻箱1台
5)万用表(6位半)1台
6)毫伏信号发生器1台
2、开关量输入隔离安全栅检查方法(以fkswng仪表YR9110A-EX为例)
1)按下图接线。


2)将端子10、11两端引出接线,当两接线开路时,万用表测量7、8端之间应开路;当两接线短路,万用表测量7、8端之间电阻应为零。
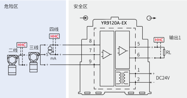
3、模拟量输入式隔离栅检查方法(以YR9120A-EX检测端隔离式安全栅为例)
1)按下图接线。


2)调整电阻箱(W),使直流毫安表A1分别为4mA、12mA、20mA,其相应的标准电流值输出应分别为4mA、12mA、20mA,记录直流毫安表A2(mA)的实际数值。
3)将直流毫安表A1指示4mA、12mA、20mA,所对应的输出直流毫安表A2的实际值分别与标准电流值4mA、12mA、20mA进行比较,计算误差应小于±20μA。
4、模拟量输出式隔离栅检查方法(以YR9130A-EX操作端隔离安全栅为例)
1)按下图接线。


2)调整电阻箱(W),使输入端直流毫安表A2分别指示为4mA、12mA、20mA,其对应的输入标准电流值应分别为4mA、12mA、20mA,记录输出直流毫安表A1的实际读数。
3)将输入端直流毫安表A2指示4mA、12mA、20mA,所对应的输出直流毫安表A1的实际值分别与标准值4mA、12mA、20mA进行比较,计算误差应小于±20HA。
5、本安型温度变送器检查方法(以YR9031A-EX-GN-N热电偶温度安全栅为例)
1)按下图接线并完成对应温度量程组态。


2)调整毫伏信号发生器(对热电偶输入),根据信号范围线性划分五等分输入mV信号,其直流毫安表A的实际读数分别与标准电流4mA、8mA、12mA、16mA、20mA进行比较,计算误差应在±0.1%以内。
3)调整可变电阻箱(对热电阻输入),根据信号范围线性划分五等分输入电阻信号,其直流毫安表A的实际读数分别与标准电流4mA、8mA、12mA、16mA、20mA进行比较,计算误差应小于±0.1%。
隔离式安全栅维护与故障处理
1、日常维护
日常巡检时,要注意隔离式安全栅各个指示灯的状态是否正常,一旦异常,应给予相应的处理。
隔离式安全栅故障后不得维修后使用。
2、注意事项
1)隔离式安全栅安装在安全区域。
2)隔离式安全栅采用“夹紧式”DIN导轨安装或底板式安装。
3)对隔离式安全栅进行单独通电调试时,必须注意隔离安式全栅的型号、电源极性、电压等级及外壳接线端子上的标号,防止接线错误。严禁使用兆欧表直接在含安全栅的回路中测试信号线路,防止击穿。
4)务必注意对本安回路导线的限制条件和本安回路配线方法。
相关阅读
◆安全栅选用教程
◆通过四张图弄懂安全栅接地
◆隔离式安全栅中的HART通讯应用
