
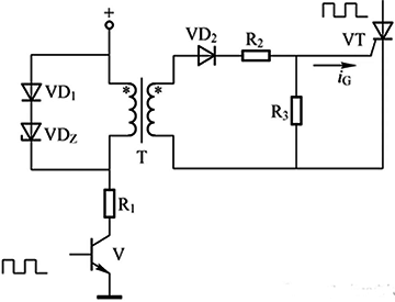
为了让晶闸管工作在开关状态,需要给它提供足够幅度的控制脉冲,如上图。控制电路产生的脉冲信号幅值很小,不足以驱动晶闸管工作,控制电路产生的脉冲信号必须经过驱动电路放大,再输出幅值较大的脉冲信号送到晶闸管的控制极,以控制其工作在开关状态。
驱动电路除了要放大控制电路送到的控制信号外,还要对控制电路进行电气隔离。所谓这里的隔离,是指强电与弱电分开,互不影响,这与继电器一般无二。
电气隔离主要由光电隔离和电磁隔离两种,原理不同,所使用的器件也不相同。光电隔离采用光耦,电磁隔离则采用隔离变。

如上,就是光电隔离。光耦合器隔离时电磁干扰小,但光耦合器需要承受主电路高压。
当Uin为高电平时,有电流通过光耦的发光二极管,二极管发光,光耦合器的光敏晶体管导通,有电流通过R1,R1产生压降,A点电位下降,Uout为低电平;当Uin为低电平时,发光二极管关断,光敏晶体管也关断,A点电位升高,Uout为高电平。
这种电路将信号传输到输出端时,信号被倒相,也被称为倒相电路。光耦合器在内部将电信号转换成光信号进行传送,而光不导电,故将输入与输出在电气连接上隔离开,实现隔离的目的。
采用脉冲变压器进行电磁隔离时,晶闸管侧不用另加电源,原理也很简单,就是利用磁不导电的原理实现隔离的目的,与隔离变原理相同。

发出的驱动信号至晶体管V放大,脉冲变压器T的输出电压经VD2输出晶闸管的触发脉冲iG。输入信号为零时,脉冲变压器一次电流经VDZ和VD1续流并迅速衰减至零,二极管VD2使变压器二次侧对晶闸管门极只提供正向驱动电流iG。
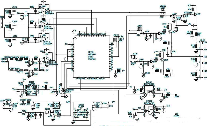
针对以上,举个与之相关的例子,一台施耐德71系列变频器,采用半控整流,上半桥为晶闸管,下半桥为二极管。变频器在待机状态下炸机,明确晶闸管已损坏,考虑到晶闸管器件损坏对控制电路带来的冲击,应该在检查晶闸管触发电路正常后,再更换晶闸管。由下图可知,三路脉冲信号取自S102端子。

具体原理如下图:

MCU的11、12、13脚输出的移相触发脉冲信号,经由Q101、Q102和Q104及外围元件构成的功率放大电路处理,由端子S102输送至主电路晶闸管的控制端。
可在S102端子上测得电路输出的3路移相触发脉冲信号。注意:测试应脱离主电路,外部施加24V电源,在满足触发条件下检测G1、G2、G3三路信号是否正常。
若S102端子的3路脉冲电压均无,应查MCU工作是否正常,是否满足触发条件。
若测得S102端子脉冲哪怕只有一路是正常的,则基本可以判断MCU工作是正常的,不正常的两路在后级脉冲放大电路。
若测的三路直流电压均约为0.6V,峰值为24V,载波频率为4kHz,则可判断晶闸管触发正常,并未收到冲击损坏。而后再换上新的晶闸管,再上交流电源,就可以试机了。
变频器的晶闸管触发电路如何检测它的正常与否,这在日常应该经常遇到,对正确理解和做出判断还是有好处的。
