在某些情况下,必须考虑几个过程变量。一个过程变量是主过程变量,但其他过程变量也必须保持在给定的范围内。可以使用信号选择器来实现这一点。这个想法是使用几个PID控制器和一个信号选择器来选择最合适的PID控制器输出。例如:主过程变量是温度,出于安全原因,我们必须确保压力不超过一定的范围。
约束控制、自由度处理一直是多变量模型预测控制的强项。其实使用PID组成的复杂控制策略也可以实现约束控制。超驰控制是进行PID约束控制以优化过程操作并防止异常操作条件的主要方法之一。
在生产中,除了正常控制外,还必须考虑在异常状态下实现安全生产,即当生产操作达到安全极限时,必须采取保护措施。超驰控制系统可以实现这种控制,即将工艺生产过程中的限制条件所构成的逻辑关系,叠加到正常控制系统中去,当生产操作趋向限制条件时,由自动选择器将处于热备用状态的控制不安全情况下的PID控制器投入运行,取代正常工作的PID控制器,这就是超驰控制系统,它是一种软保护系统。
超驰控制系统中,只有一个最终控制元件,但是有两个过程变量。其中一个常规的过程变量要求一直维持在其设定值,另一个约束过程变量要求维持在一定的操作范围以确保安全。超驰控制策略在配置中使用两个或多个PID控制器,该配置允许一个PID控制器采取行动来维持或控制一个过程变量(主控制器),而另一个PID控制器监视另一个过程变量(约束变量),如果超出约束,则通过信号选择器选中输出。输出跟踪和积分跟踪模式的使用可以保证过渡过程无扰切换。
超驰保护控制回路应设置得比较积极,以便于异常发生时控制策略及时切换,同时超驰保护控制回路长期达不到切换条件要防止积分饱和,这是进行超驰保护控制回路组态和整定时要注意的主要问题。如果两个超驰保护控制回路采用增量型或速度型算法,每次计算出应调整的增量值,也可以解决积分饱和问题。
超驰保护控制不能替代安全仪表系统,但是提供了一种在不联锁停车的前提下保证装置安全运行的保护机制,可以实现装置安全前提下尽可能保持装置运行的目的,是一种容易被忽略的有效控制策略。
在什么情况下才需要超驰控制呢?应按如下步骤进行判断。
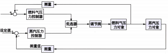
第一,超驰控制是针对多种不同工况的冲突而做出的一种解决方案。所谓不同工况,指的是对不同目标的控制需求。比如,锅炉蒸汽压力控制,正常情况下,应该是锅炉蒸汽压力使用燃料气流量作为控制手段,不管是串级还是直接控制流量调节阀,其核心都是通过调整燃料气的流量实现对锅炉蒸汽压力的控制,这是一个工况。而燃料气流量的变化(或者阀门开度)同时会影响到燃料气的压力,这是另一个工况。当燃料气压力较高的时候,燃料气流量的变化基本完全由调节阀决定,而压力过低时,会导致调节阀全开,流量也无法满足要求。而这时阀门全开会导致压力进一步下降,可能引发安全事故。于是,压力过低就会引发两种工况的冲突。
第二,多种工况只有一种调节手段,也就是说:整体缺少一个控制自由度。前面说到的,锅炉蒸汽压力与燃料气压力都只使用燃料气流量这一个控制手段,所以当二者冲突的时候,就需要做出选择:优先控制哪一个?所以,自由度缺失是超驰控制的一个必要条件。
第三,多种工况冲突时,有明确的最终目标和执行的顺序。比如,压力过低时,从安全角度考虑必须保证压力,同时由于此时再开大燃料气阀门也无法满足温度的需求,所以,很明确:保压力,放弃对温度的控制。多种工况的分析都要明确这一点:在每一种情况下,控制的高优先级目标是哪一个。本例中,可以描述为:燃料气压力足够高的时候,控制目标是锅炉蒸汽压力;燃料气压力低于某个限值的时候,控制目标是燃料气压力。单一情况下只有单一目标,这是实现超驰控制的充分条件。蒸汽压力与燃料气压力的超驰控制系统如图1所示。

图1 蒸汽压力与燃料气压力的超驰控制系统
实际工作中,很多控制方案用串级控制替代超驰控制,这两种控制策略应根据目的不同合理选择。图2和图3的两个例子都应该选择超驰控制而不是串级控制。
在图2中,正常操作时,缓冲罐液位高于最低液位,由流量控制回路操作调节阀。如果液位低于最低液位,则离心泵存在气蚀的设备风险,此时液位控制生效,防止设备损伤。如果设计成液位和流量的串级控制,则不能完全发挥缓冲罐的缓冲作用,液位控制会在还没有气蚀风险的情况下更多操作流量,造成流量的更大幅度波动。

图2 流量控制兼顾缓冲罐液位
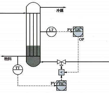
在图3中,如果冷凝器液位不高于液位控制设定值,则温度控制生效。如果冷凝器液位超过液位控制设定值,则存在冷媒压缩机带液的设备风险,此时液位控制生效防止压缩机损坏。也有的现场采用出口温度串级冷凝器液位的方案,因为出口温度和冷媒的流量相关和冷凝器液位没有直接联系,当冷凝器液位降低时气化的冷量增加,此时出口温度会降低,冷凝器液位控制因为液位降低会增加冷媒调节阀开度增加,造成气化的冷量增加,进一步引起出口温度降低。所以这种控制方案也不合理。

图3 冷凝器出口温度控制兼顾冷凝器液位
综上所述,表1总结了超驰控制的设计准则。
表1 超驰控制设计准则
实施超驰控制的条件,
①只有一个最终控制元件和多个潜在过程变量。
②最终控制元件和每一个过程变量都有因果关系。
③存在可行操作点满足所有稳态控制目标
相关阅读
◆关于超驰控制的选择和应用
