两个过程变量直接存在如下的关系:FT2=R×FT1,式中FT2为从过程变量;FT1为主过程变量;R为比值系数。
比值控制其实就是一个乘法器。在很多控制系统中一般都有专门的比值控制模块。但是有的现场采用如图1所示的比值控制策略:①使用计算模块计算当前测量的实际比值FT2/FT1;②以该比值为测量值,使用PID算法进行从过程变量的控制。

图1 常见的比值控制策略
看起来很自然,如果这种控制策略没有问题,控制系统为什么要提供专门的比值控制模块呢?那么这种控制策略有什么问题呢?
使用如图1所示的基于PID的比值控制策略,存在的问题包括:
①对比值控制回路而言,被控对象的模型增益可以利用对比值计算求导得到为1/FT1。当主过程变量大幅度调整时被控对象增益也相应变化,这增加了PID参数整定的难度,而且在主过程变量测量值不同时控制回路有不同的控制性能。
②当从过程变量变化时比值控制会波动,而且由于非线性的存在,比值控制器往往整定得比较慢,从过程变量跟踪慢会导致比值控制波动。
③当从过程变量波动时,比值控制输出应该保持不变。从过程变量控制回路通过控制调节阀使从过程变量回到设定值就可以了。但是由于从过程变量参与到比值计算中,反而会导致PID控制器的多余动作。这种设计,比值测量值不能算从过程变量控制回路的独立变量,在先进控制器设计中也要避免。
标准的比值控制模块中,会使用两个过程变量的比值作为测量值,这个测量值只用于显示,不用于控制作用计算。而实际的PID控制器输出,用比值控制模块的设定值乘以主过程变量得到,这个方法可以通过控制方案的改进,避免人为引入非线性,降低PID控制器参数整定的难度。从过程变量的测量值只参与计算而不参与比值控制。如图2所示的单闭环比值控制策略是最常见的标准比值控制方案。

图2 单闭环比值控制策略
在比值控制精度要求较高而主过程变量又具备控制条件的场合下,很自然地就想到对主过程变量也进行控制,这就形成了如图3所示的双闭环比值控制系统。和单闭环比值控制系统的主要区别在于增加了主过程变量控制回路。由于主过程变量的控制,克服了干扰的影响,使主过程变量更加平稳。当然与之成比例的从过程变量也更加平稳。当系统需要升降负荷时,只要改变主流量的设定值,主从过程变量就会按比例同时增加或减小,从而克服单闭环比值控制系统的缺点。在实际应用中,当主过程变量设定值变化时,从过程变量控制跟随的速度如果不够快,也会造成比值波动。此时可以考虑使用主过程变量设定值进行比值计算并让两个控制回路的期望闭环时间常数λ相等来减少这种波动。

图3 双闭环比值控制策略
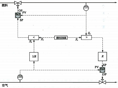
即使采用双闭环比值控制系统,在主过程变量增加和减小时实际比值仍然会发生波动。有一类过程比值受到安全的限制,只允许比值单向波动,例如燃烧系统的空燃比、煤气化的氧煤比等。这种情况下就要使用交叉限幅控制。
空燃比的交叉限幅原理见图4。交叉限幅控制说简单点就是燃料的流量与空气的流量相互影响相互牵制,最终达到一个平衡点就是合适的空燃比。

图4 空燃比交叉限幅控制
交叉限幅实际上是一个具有两个并联回路的串级调节系统,控制策略的复杂性是工艺过程的要求决定的,这样达到的目的有:
①增加燃料时,为了防止缺氧燃烧,需要确保空燃比始终偏大,所以先增加空气流量,然后通过“低选器”实现空气流量为主过程变量,燃料流量为从过程变量的比值控制;
②减少燃料时,为了防止缺氧燃烧,需要确保空燃比始终偏大,所以先降低燃料流量,然后通过“高选器”实现燃料流量为主过程变量,空气流量为从过程变量的比值控制。
这样就构成了交叉限幅。交叉限幅控制在系统平稳时是静止的。只有燃烧系统的平衡被打破后交叉限幅控制才起作用,在系统平衡时,燃料流量控制与空气流量控制是独立的两个控制回路。当燃料流量或空气流量发生变化时,根据设定好的空燃比的计算来影响另一个量,最终达到燃烧控制的新平衡,所以说交叉限幅是动态比值控制。如果希望比值单侧波动并且对波动的幅度有要求时,还有更复杂的双交叉限幅。
