前馈控制通常用于最小化主要扰动对过程变量的影响。这是通过测量主要过程干扰,并在主要干扰对过程本身产生不利影响之前改变相关操纵变量进行抵消来实现的。
一般来说,如果过程干扰和纯滞后时间都较小,那么反馈系统的运行就更准确、更有效。显然,前馈控制有助于实现反馈控制的这一要求。如果我们将精确配置的前馈系统和良好调节的反馈系统结合起来,那么反馈控制和前馈控制的结合会是一个几乎最优运行的控制系统。
前馈-反馈联合控制系统比等效的单回路系统使用更多的控制组件和设备,包括两个传感器和PID控制器。由于系统性能要求所有这些设备正常工作,因此其可靠性将低于等效单回路系统的可靠性。然而,需要注意的是,反馈控制并不依赖于前馈。如果前馈控制器中的任何组件出现故障,可以关闭前馈部分,反馈控制器将正常工作。通常,前馈控制模块较低的可靠性并不妨碍前馈控制的使用。
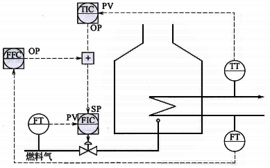
图1展示了如何将两种控制方法结合到加热炉出口温度控制系统中。进料变化时,前馈控制通过及时控制燃料气流量在进料波动影响到出口温度前及时抑制。反馈控制用于克服不可测扰动引起的偏差,保证闭环系统没有稳态余差。这个控制系统中的燃料气流量副回路有三个作用:a.克服燃料气压力波动对温度的影响;b.克服燃料气流量调节阀的非线性;c.减少非线性对前馈系数计算的影响。

图1 前馈-反馈联合控制
由于前馈-反馈联合控制设计涉及更多控制组件和设备,因此其成本略高于单回路系统。假如该变量还未用于监控目的,需要增加现场传感器成本和传输至控制室的成本。如果使用具有备用容量的控制系统,控PID制器的成本基本为零,否则可能增加PID控制器成本。增加的其他成本还包括安装和记录成本。与通过适当设计的前馈控制策略实现的效益相比,这些成本通常并不显著,但昂贵的在线分析仪作为前馈变量通常不太划算。
前馈-反馈联合控制系统参数整定
由于强反馈控制有不稳定的倾向,因此应尽可能避免。前馈控制可以完成所需控制的主要部分,而反馈控制只是为了消除过程变量的漂移,所以建议按照以下步骤进行前馈-反馈联合控制系统整定:
①整定反馈和前馈控制所用的副控制器;
②整定前馈控制;
③使用Lambda整定方法整定反馈控制;
④评估过程变量的控制性能。
记住,在这种情况下,反馈控制只是前馈控制的补充,不能引入任何形式的振荡或不稳定。
反馈是本质被动的,有偏差才会有动作,所以反馈必定滞后于干扰。而前馈是本质主动的,可以在干扰有机会进入系统并扰乱闭环或反馈回路特性之前检测并纠正这些干扰。另外,反馈对于即将发生的事情不做假设,等到事情发生了再见招拆招,对各种不确定因素相对不敏感。但由于前馈控制需要过程模型,所以前馈控制不像反馈控制那样常用。反馈控制和前馈控制具有互补性质。反馈控制可以减少慢速干扰的影响,前馈控制可以更快减少干扰的影响。反馈控制对过程模型的变化相对不敏感,前馈对过程模型的参数变化更为敏感。反馈可能引起不稳定,而前馈不会引起任何稳定问题。为了获得良好的控制性能,可以将反馈控制和前馈控制结合起来实现联合控制。
前馈-反馈联合控制应用
在许多过程控制应用中,几个过程串联在一起。在这种情况下,测量干扰和使用前馈控制往往很容易。自然循环锅炉的汽包液位控制是前馈-反馈联合控制的典型应用。
工业蒸汽大都是由锅炉加热水产生的。汽包液位控制是其中最主要的复杂控制策略之一。在自然循环锅炉中,锅炉水在水冷壁内衬的蒸发器管中循环,在那里部分转化为蒸汽。水蒸气混合物返回锅炉汽包,在那里蒸汽和水被分离。为了弥补作为蒸汽损失的水,给锅炉增加了给水。汽包液位是蒸汽流量和给水平衡的指示器。
保持锅炉汽包液位在设定值至关重要。如果液位过低,锅炉可能会烧干,导致汽包、锅炉管道和锅炉水循环泵的机械损坏。如果液位太高,水会被带入蒸汽管道损坏下游设备。
蒸汽流量的变化也可能导致汽包液位出现较大偏差,甚至锅炉停车。蒸汽流量是可测量的,采用前馈控制策略可以很好地改善汽包液位控制。如图2所示,汽包液位测量、蒸汽流量测量和给水流量测量相结合控制锅炉汽包液位称为三冲量控制。

图2 三冲量锅炉汽包液位控制原理
三冲量汽包液位控制策略测量蒸汽流量并将其用作给水流量控制器的设定值。通过这种方式,调整给水流量以匹配蒸汽流量。蒸汽流量的变化几乎会立即被给水流量的类似变化所抵消。为确保汽包液位偏差也用于控制,蒸汽流量作为前馈被添加到汽包液位控制器的输出中。给水流量作为副回路能快速克服给水压力波动对汽包液位的影响,同时可以简化蒸汽流量前馈系数的计算。蒸汽流量作为前馈引入锅炉汽包液位控制中,可以及时消除蒸汽流量波动对汽包液位的影响,有效防止“虚假液位”引起的控制系统误操作。
前馈-反馈联合控制在自然循环锅炉汽包液位控制中成为标准的三冲量控制方案有几个主要原因:
a\前馈和反馈通道的动态特性基本一致,一般前馈系数设置为静态前馈而且系数为1即可;
b\反馈控制由于虚假液位被近似为纯滞后时间,作为大纯滞后积分被控对象反馈控制不能太快;
c\用户的蒸汽用量频繁变化而且不可预测。
