断路器的极限短路分断能力Icu
极限短路分断能力Icu是指在规定的条件下(电压、电流、功率因数等等)断路器的分断能力,并且分断后不考虑断路器能否继续承载它的额定电流。Icu这个参数表征了断路器的极限分断能力,同时对断路器来说也是破坏性试验。
极限短路分断能力Icu的试验程序是:O-t-CO,即打开-延时-闭合后立即打开。这里的t延迟休息时间一般不小于3分钟。
试验线路如果处于O程序,断路器处于分断状态。CO试验时使断路器合闸,然后立即分断。这里的合闸C是考核断路器在经受了接通电流(峰值电流)以后,是否会因为峰值电流产生的电动斥力冲击和热冲击而损坏。如果断路器能够在合闸后立即分断,并且还能熄灭电弧,则说明该断路器的CO试验成功。
断路器运行短路分断能力Ics
运行短路分断能力是指在规定的条件下(电压、电流、功率因数等等)断路器的分断能力,并且分断后断路器还能继续承载它的额定电流。由此可见,Ics表征了断路器的重复分断能力。
运行短路分断能力Ics的试验程序是:O-t-CO-t-CO,即打开-延时-闭合后立即打开-延时-闭合后立即打开。
与极限短路分断能力Icu的试验程序相比,运行短路分断能力Ics的试验程序多了一个CO。当试验顺利完成后,还需要做工频耐压验证、温升验证、过载脱扣器性能验证和操作性能验证。操作性能验证是在同样的工作电压加载了额定电流,让断路器反复操作的次数为电寿命的5%。试验合格的判定标准是:每个试验程序都合格,并且断路器的外壳不应破碎,但允许有裂缝。
额定短路分断能力Icu和额定运行短路分断能力Ics之间的关系
Icu表征了断路器在闭合状态下能够分断的极限短路电流值,并且分断后断路器有可能已经损坏;Ics则表征了断路器在闭合状态下能够分断的短路电流值,并且分断后断路器仍然能正常工作。在实际使用断路器时,最重要的参数是额定运行短路分断能力Ics。
值得注意的是:在GB14048.2-2008《低压开关设备和控制设备 第2部分:断路器》/IEC 60947-2标准中提供的极限短路电流值是指冲击短路电流的交流分量的有效值,也就是最高预期短路电流,并且其中不包含直流暂态分量。
在实际的低压电网中,Icu的大小与短路回路的cosφ密切相关。在IEC 60947-2标准中给出了相关的表,具体见下表:

在IEC 60947-2标准中,规定Ics占Icu的比值序列为25%、50%、75%和100%。一般地,断路器的Ics占Icu的比值为50%-75%。
在使用断路器时,究竟是Icu还是Ics更能代表断路器的分断能力呢?答案应当是Icu更能代表断路器的分断能力。
设想短路电路中预期短路电流为65kA,其额定电流为2000A。若按Ics选择某型断路器,其Icu为75kA而Ics为65kA,但该断路器的额定电流为2500-3200A,显然无法对该电路中出现的过载电流实施有效保护;若按Icu选择某型断路器,则其额定电流为1000-2000A,正好覆盖实际电路中的额定电流,完全能够满足过载保护的要求。
Ics常用于上下级配合时上级断路器对短路电流的后备保护:若下级电路中发生短路时且下级断路器出现故障未跳闸,则上级断路器的Ics能确保本级断路器能够承受短路电流的冲击且及时地启动短路后备保护实现跳闸。
有关低压断路器的分断能力试验
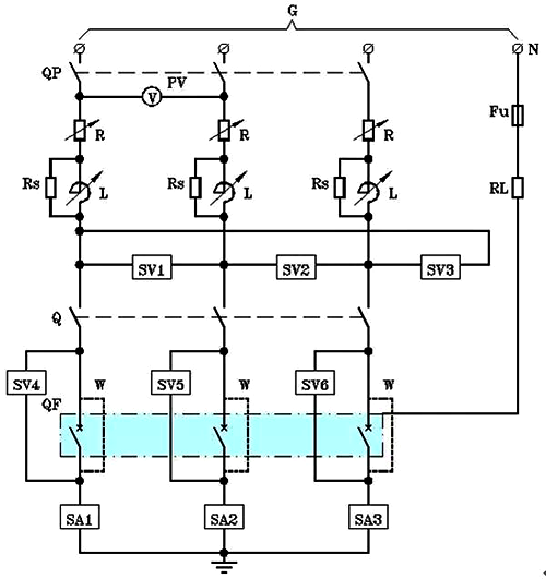
断路器短路接通和分断能力型式试验的试验线路见下图所示:

图中,G是电源;PV是电压测量装置;R是可调电阻;L是可调电抗器;Rs是分流电阻器;SV1~SV6是电压传感器;Q是接通电器;QF是被测断路器;W是整定用临时连接线;SA1~SA3是电流传感器;FU是熔断器;RL是限制故障电流的电阻器。
调整电路时用阻抗可以忽略不计的临时连接线W来代替被试断路器QF,连接线要尽量靠近QF的一次接线端子。调整可调电阻R和可调电抗L,使得从试验整定波形图上能确定某相的电流为预期接通电流。
在这里有一个关键因素,就是试验电路的功率因数。只有准确地测定了功率因数后才能根据GB14048.1或者GB7251.1换算出峰值系数n,然后进一步确定出峰值电流。
当试验电路调整好后,就用被测断路器取代连接电缆W,接着就可以进行短路接通和分断能力试验了。断路器的型式试验是按程序进行的。
断路器的型式试验程序:
1、对于额定运行短路分断能力的型式试验,试验过程是:额定运行短路分断能力、操作性能、验证介电耐受能力、验证温升、验证过载脱扣器;
2、对于额定极限段分断能力的型式试验,试验过程是:验证过载脱扣器、验证极限短路分断能力、验证介电耐受能力、验证过载脱扣器。
我们先看额定运行短路分断能力Ics的试验。这个试验适用于使用类别为A或B的断路器。
Ics试验程序:
额定运行短路分断能力试验、操作性能验证试验、验证介电耐受能力试验、验证温升试验、验证过载脱扣器试验。
Ics试验的操作程序为:O-t-CO-t-CO。这里的O表示打开操作,t表示适当的延时,CO表示闭合后经过一段适当的时间间隔后立即打开。
对于额定运行短路分断能力的试验Ics来说,t的时间长度为3分钟。如果断路器的前方还配备了熔断器,则应该在每次动作后更换熔芯,其时间t会适当延长。
我们再看断路器的额定极限短路分断能力Icu的试验。这个试验同样适用于使用类别为A和B的断路器。注意:对于B类断路器,其额定极限短路分断能力Icw要比额定短时耐受电流Icw要高。
断路器的额定极限短路分断能力的型式试验所进行的项目是:验证过载脱扣器、验证极限短路分断能力、验证介电耐受能力、验证过载脱扣器。
额定极限短路分断能力的试验操作程序为:O-t-CO。
断路器额定极限短路分断能力试验结果的图如下:

从上图的波形图中可以识别出断路器的短路接通能力Icm、断路器的极限短路分断能力Icu、断路器的运行短路分断能力Ics和断路器的分断能力Icn这四个参量。
例如,我们要测Icm,于是按照断路器的参数取短路电流值,记录下此时的波形,波形就能反映出具体的Icm参数。所以,对于每次的O和C,我们都要仔细去看它的波形,由此分析出断路器的具体参数和性能。
试验中的两个CO与一个CO的区别很大,前者相当于对断路器进行两次考验,而后者只有一次;其次,前者试验时所用的模拟短路电流较小,后者较大,故Ics用于表达断路器执行短路分断后能够重复使用的技术参数,而后者则用于只能执行一次性分断操作的技术参数。
结论
对于用户来说,也许更强调Ics。对于成套开关柜制造厂来说,Icu更重要。开关按Icu选配,可以降低制造成本。
作者:张白帆
相关阅读
为什么负荷开关只能部分地取代断路器
电机与配套的断路器/接触器/热继电器参数对照表
