为了明确此问题,我们首先需要知道若干基础概念。
第一个概念:断路器、隔离开关和负荷开关的区别是什么?
首先,我们来看《一文弄懂断路器、隔离开关、负荷开关的区别与应用》这篇文章,然后我们再看国家标准GB 14048.3-2008/IEC 80947-3:2005中对熔断器式开关的定义:
2.3 隔离开关
在断开状态下能符合隔离器的隔离要求的开关[IEV 441-14-12]
2.4 熔断器组合电器
由制造厂或按其说明将一个机械开关电器与一个或数个熔断器组装在同一个单元内的组合电器。[IEV 441-14-04]
注:熔断器组合电器是对熔断器开关电器的总称(见2.5~1.10定义及表1)(熔断器开关电器的定义未列入IEV 441-14-04中)
2.5 开关熔断器阻
开关的一极或多极与熔断器串联构成的组合电器。[IEV 441-14-14]
2.6 熔断器式开关
用熔断体或带有熔断体载熔件作为动触头的一种开关。[IEV 441-14-17]
再看标准中的表1的附图中熔断器式负荷开关图形符号:

熔断器式隔离开关就是负荷开关。它是熔断器式开关和隔离开关的综合。注意到熔断器安装在动触头的刀臂上。
第二个概念:负荷开关的结构特征是什么?
我们看下图:

图:ABB的某款熔断器开关,也就是负荷开关
从图中我们看到了什么?我们发现,这款熔断器开关中有触头,有熔断器,有壳体和操作手柄等等,唯独没有灭弧装置。
第三个概念:对于电动机回路,它的主回路中三个主要元件负荷开关、接触器和热继电器的任务是什么?
我们再看下图:

图:电动机主回路的几个元件及其任务
我们来仔细考虑一下。设想,图中电动机的A相发生了短路,即图中的U端子,于是负荷开关的熔断器熔断。此时会怎样呢?
由于缺相,B相和C相电流会加大到额定电流的8倍以上,电机会很快烧毁。但由于此电流小于熔断器的短路保护电流(截断电流),熔断器不会再次熔断。此时热继电器FR的缺相保护会起作用,使得接触器KM跳闸保护。
如果我们采取某种措施,使得负荷开关的触头开断保护,是否可行?答案是否定的,因为负荷开关的触头没有灭弧罩,电弧会严重烧蚀它的触头,并使之损坏。
事实上,负荷开关的主触头属于隔离器,它只能用于开合可以忽略的电流,即空载电流,见GB/T 14048.3《低压开关设备和控制设备 第3部分:开关、隔离器、隔离开关以及熔断器组合电器》。
第四个概念:负荷开关和断路器的参数有何不同?
现在,我们从负荷开关和断路器的参数来看两者的区别。方便起见,我用ABB的产品来说明:

图:ABB的某款熔断器开关(负荷开关)

图:ABB的某款断路器
①额定电压Ue和额定电流Ie
负荷开关和断路器都有额定电压Ue和额定电流Ie参数。
额定电流其实就是开关电器在长期工作制下按温升最大值确定的运行电流。
额定电压则与触头开距有关和内部绝缘材料的绝缘能力有关,它的值取决于了开关电器的介电能力和绝缘能力。额定电压的最大值叫做额定绝缘电压。
②额定短时耐受电流Icw和额定短路接通能力Icm
短时耐受电流指的是开关电器内部的导电材料,在1秒钟时间内能够承受的最大短路发热电流。我们把短时耐受电流又叫做开关电器的热稳定性。
短路接通能力是指开关电器的触头流过短路电流时,由于霍姆斥力的原因,触头被斥开。斥开后霍姆力消失,触头再次闭合,然后再次斥开。在此过程中,触头间会产生电弧烧蚀。Icm指的就是触头系统能够承受的最大冲击电流。由于它与电动力有关,故叫做开关电器的动稳定性。
负荷开关和断路器都具有额定短时耐受电流参数,也都具有鄂东南短路接通能力参数。
③保护参数
对于断路器而言,它既有过载保护参数,也有短路保护参数。同时,它还有额定极限短路分断能力Icu。Icu的意思是,短路电流若高于或者等于Icu,则断路器分断完成后就损坏了,必须更换。
短路接通能力Icm与极限短路分断能力Icu之比,叫做短路电流的峰值系数n。在GB/T 14048.2《低压开关设备和控制设备 第1部分:总则》中,有关于峰值系数的定义表,如下:

峰值系数的意义十分重大,它与计算短路电流关系密切。
我们看下图:

图:短路电流稳态值Ip和冲击短路电流峰值Ipk
从图中我们看到,在时刻零发生了短路。由于短路点的阻抗很小,而短路前后电压基本不变,由此产生了短路电流的稳态值Ik。Ik又叫做短路电流的周期分量Ip。
又因为短路瞬间系统中存在一定的电流值,它在电力变压器的绕组中产生了反向电动势,并由此出现了短路电流量的直流分量Ig,它随着系统中的电感与电阻之比的时间常数而衰减。直流分量Ig又叫做短路电流的非周期分量。
当短路后0.01秒,直流分量和交流分量的叠加构成了冲击短路电流Ipk。注意:为了计算方便,在国家标准中把Ipk与IK之比叫做峰值系数n。有了峰值系数n,我们就可以绕开系统的电阻R和感抗X,用简便方法来计算短路电流。
对于负荷开关和断路器来说,它们的短路接通能力Icm必须大于Ipk,而极限短路分断能力Icu必须大于短路电流Ik。
我们再看ABB的某款断路器参数,会发现它的短路接通能力Icm与极限短路分断能力Icu之比,就是峰值系数n。
我们再看负荷开关。由于负荷开关中执行短路电流开断任务的是熔断器,而熔断器切断短路电流的参数叫做截断电流Ic(也有叫做遮断电流的),所以负荷开关的开断能力就用截断电流来定义。
我们看下图:

图:熔断器的截断电流与额定电流及短路电流的关系
图中举了一个例子:短路电流是50kA,熔断器的额定电流是100A,我们从横坐标的50kA处往上与100A曲线的交点处,往左在纵坐标处查得截断电流Ic,Ic大约等于11kA,说明熔断器和负荷开关,它的实际短路动作电流就是11kA。
注意看图中100A熔断器的曲线,它一直向左侧延伸,并与周期分量的峰值相交,交点在横坐标中值是7kA。这说明,当短路电流大于7kA后,熔断器具有限流能力,而小于7kA时,熔断器的分断能力具有不确定性,原因与熔断器的熔断时间有关。
由此我们得出一个重要结论:负荷开关和熔断器,不适合用于过载保护。
现在,fkswng仪表来总结一下。
①由于负荷开关中的熔断器不具有过载保护能力,所以主回路中必须配套热继电器;
②负荷开关的本质其实是隔离器加熔断器,因此它不能带载拉闸,避免出现电弧伤害操作者和设备。当需要拉闸时,首先要用接触器开断负载,然后在空载条件下拉开负荷开关;
③负荷开关的熔断器实施短路保护时,一般是某相先熔断。由于首开相熔断后,另外两相的电流会加大,我们把此电流叫做转移电流。转移电流会对负荷开关的触头及熔体产生很大的冲击。同时,电动机会出现缺相运行状态,很容易烧毁电机。此时就要依靠热继电器和接触器来执行缺相保护。
如果是断路器,会发生以上问题吗?fkswng仪表来对比一下:
①断路器具有过载保护能力
由于电动机控制主回路中热继电器的任务就是执行过载保护,它与断路器的过载保护重复。因此在实际线路中,用于电动机控制主回路的断路器一般采用单磁的,即取消过载保护的断路器。
由此可见,采用单磁断路器与采用负荷开关,在此方面是一致的。
对于非电动机的馈电回路,采用断路器当然比采用负荷开关更好。
②普通的固定式断路器不具有隔离器功能
所谓隔离功能,指的是在开断状态下,我们能明确地看到它的断点,并且可以用锁扣(也可以是挂锁)来锁定开关电器。
在这一点上,负荷开关能够做到,而最常见的固定式断路器做不到,只有抽出式断路器可以实现此功能。
这一点很重要。
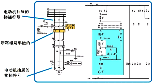
我们看下图:

图:电动机控制电路(采用单磁断路器)
图中,我们看到断路器是单磁的,它的作用与熔断器类似。另外,注意到整个电路安装在电动机抽屉内,电路的一次回路和二次回路都有接插符号,可见当电动机抽屉抽出后,它具有明确的断点。因此,图中的断路器上方可不必安装隔离开关。
如果图的电动机控制回路中没有接插符号,也即属于固定式的安装,则断路器之前必须安装隔离开关。如此一来,还不如直接使用负荷开关更加方便便捷。
③断路器可以实现三相同时开断
这一点断路器比负荷开关好。断路器开断后,不会造成电动机缺相运行。
④断路器可以实现更加完善的电动机保护功能
例如电动机堵转保护、电动机绕组超温保护、电动机过载和短路保护、电动机相不平衡保护、电动机空载保护和重载保护、电动机失压重启功能等等。利用电动机型断路器很容易实现,而负荷开关则望尘莫及。
⑤负荷开关熔断器的截断电流Ic高于断路器的极限短路分断能力Icu,在高分断容量条件下,负荷开关更具优势
负荷开关熔芯的截断电流开断容量在50kA以上是很容易实现的,但对于断路器来说却很难,即便实现,其成本很高。
因此,当系统短路容量大于50kA后,采用负荷开关比断路器更具优势。
⑥保护动作后的恢复及运行成本
负荷开关的熔芯熔断后,需要换新的,运行成本比断路器高,操作也相对麻烦。
注意,这里指的是低压电器。主要就是这些,等想到后再补充。
