随着科学技术的快速发展和人们生活水平的提高,人们对美好生活的向往促使夜景照明的发展突飞猛进,许多城市都进行了城市照明的“亮化”“美化”“泛光”“灯光工程”等不同名称的照明建设,2010年5月中华人民共和国住房和城乡建设部令第4号《城市照明管理规定》对城市照明进行了定义,即城市照明是指在城市规划区内城市道路、隧道、广场、公园、公共绿地、名胜古迹以及其他建(构)筑物的功能照明或者景观照明。其中,功能照明是指通过人工光以保障人们出行和户外活动安全为目的的照明;景观照明是指在户外通过人工光以装饰和造景为目的的照明。由于城市照明不仅能够反映经济发展程度,还能促进旅游,提升城市形象,特别是大量表演性灯光的出现,灯光秀大行其道,人们更加重视照明效果,但往往忽视了电气安全问题,导致人身电击和电气火灾事故频频发生,笔者就此谈谈城市功能照明和城市景观照明电气安全的看法。
城市功能照明
从城市照明的定义中可看到,城市照明包括城市功能照明和城市景观照明,城市功能照明主要由路灯和庭院灯组成,路灯和庭院灯的灯杆目前基本上都是金属杆体,又位于街道侧,与人接触的可能性很大,在阴雨天出现很多人身电击事故,基本都是路灯杆带电引起的。
路灯的目的是保障人们出行和户外活动安全,强调照亮路面,保障行车和人行安全,而电气安全没有得到应有重视,CJJ45-2015《城市道路照明设计标准》第6.1.8条规定:“道路照明配电系统的接地形式应采用T T系统或TN-S系统,并应符合现行国家标准《低压配电设计规范》GB 50054的相关规定。当采用剩余电流保护装置时,还应满足现行国家标准《剩余电流动作保护装置安装和运行》GB13955的相关要求。”标准规定了可以采用TT或TN接地系统,由于TT接地系统通常采用剩余电流保护器作故障防护,而GB/T13955-2017《剩余电流动作保护装置安装和运行》规定的剩余电流保护器剩余电流动作电流为30mA,户外场所线路较长,线路本身就固有泄漏电流,很容易造成漏电误动,引起路灯灭灯,而亮灯率是各地政府的考核指标,并且我国的路灯一直沿用TN系统,一些设计部门和路灯管理部门为保证亮灯率,减少误动作,也不主张采用TT系统。
众所周知,采用TN系统供电,由于所有灯具的金属外壳都是通过PE线或PEN线互相连通的,TN系统采用断路器或熔断器作过电流保护时,特别是对于道路照明这种较长的线路,末端单相接地故障电流较小,断路器或熔断器很难兼作接地故障保护,当某一台灯具发生接地故障时,其首端断路器拒动时,其故障电压可沿PE线或PEN线传至其他灯具上,在户外因无等电位联结易导致电击危险,所以,路灯导致人身电击致使人员死亡事故频发。
另外,CJJ89-2012《城市道路照明工程施工及验收规程》有如下条文:
7.2.2 当采用接零保护时,单相开关应装在相线上,零线上严禁装设开关或熔断器。
7.2.3 道路照明配电系统宜选用TN-S接地制式,整个系统的中性线(N)应与保护线(PE)分开,在始端PE线与变压器中性点(N)连接,PE线与每根路灯钢杆接地螺栓可靠连接,在线路分支、末端及中间适当位置处做重复接地形成联网。
7.2.4 T T接地制式中工作接地和保护接地分开独立设置,保护接地宜采用联网TT系统,独立的PE接地线与每根路灯钢杆接地螺栓可靠连接,但配电系统必须安装漏电保护装置。
条文中“接零保护”属于过时术语,容易引起误导,而推荐采用TN - S系统,是无法避免一处漏电、全线带电的。而7.2.4条的“保护接地宜采用联网TT系统,独立的PE接地线与每根路灯钢杆接地螺栓可靠连接”也会导致一处漏电、全线带电的可能,这样的验收条文不仅没有起到安全作用,反而误导了正确做法,是值得商榷的。
城市景观照明
城市景观照明较多涉及城市艺术内涵,目前尚没有国家标准,而行业标准JGJ/T163-2008《城市夜景照明设计规范》还是2008年的版本,涉及电气安全的内容较少。城市景观照明形式多样,所用灯具有草坪灯、埋地灯,安装在水池内的水下灯具,也有安装在建筑物本体上的投光灯、线条灯及建筑物幕墙上的点、线型灯具。人员能够进入的水池,是电击死亡事故频发的区域,而安装于建筑物本体上的灯具,人员接触的可能性较小,火灾危险性是主要矛盾,实际也发生过幕墙火灾,是LED线条灯驱动电源引起的。
电气安全措施
1、路灯、庭院灯的电气安全措施
路灯、庭院灯配电系统接地型式优选TT接地系统,电源端的工作接地与用电设备端的保护接地是没有联系的,每处路灯的灯杆基础作自然接地极,接地极之间互相独立,一处灯杆带电不会串到别的灯杆上,此时必须采用剩余电流断路器保护,起到短路、过负荷和接地故障保护作用,因为接地故障电流更小,只有剩余电流保护才能起作用,但为了避免剩余电流误动引起的无故灭灯,可以采用多级剩余电流保护,上下级配合,干线采用带延时的300mA及以上的剩余动作电流,每个灯杆分支处采用30mA末端剩余电流断路器保护,见图1。该做法既可以避免干线漏电流引起的误动,每处灯杆处采用30mA的剩余电流保护,又可以保证人身电击危险。

图1 多级剩余电流保护的TT系统
2、草坪灯、埋地灯的电气安全措施
草坪灯、埋地灯等每套灯基础较小,其基础不可能作为自然接地体使用,可采用局部TTT系统,电源引出线在第一套灯具处做接地后引出PE线与后续灯具金属外壳连接,见图2。配电采用剩余电流保护器作接地故障保护,为保障安全,每个分支回路额定剩余动作电流仍应选择30mA。

图2 局部TT系统
对于分支回路采用额定剩余动作电流30mA的剩余电流断路器,也存在线路固有泄露电流引起误动作问题,解决此种情况的安全问题还可以采用如下两种办法:
①采用Ⅱ类设备或等效的绝缘。对于环境恶劣、不易保证安全的情况下,可以采用Ⅱ类设备或等效的绝缘,此时不应设置PE线,且灯具的可导电部分不应有意地接地。如果布线系统的金属外层是用绝缘材料和灯具的导电部分隔开,采用Ⅱ类灯具,就可认为已满足Ⅱ类设备的保护要求。室外灯具按防电击措施分类见表1。

②采用Ⅲ类灯具,用安全特低电压供电,户外一般场所,采用交流有效值≤50V,直流≤120V;潮湿等特殊场所,采用交流有效值≤25V,直流≤60V的电压等级。
3、建筑物本体上安装的灯具的电气安全措施
建筑物本体上安装的灯具采用交流供电,并直接由该建筑物内部电源供电的照明装置,每个灯具设单独的接地极也不可能,因此不采用T T接地系统,配电系统的接地型式应与该建筑物的接地型式一致,目前建筑物内部配电系统接地型式一般采用TN-S系统,灯具安装在室外2.5m以上时,人员接触的可能性较小,防火是主要矛盾,因此,可在每个分支回路采用额定剩余动作电流300mA的剩余电流断路器作故障防护,既能减少误动,又能起到防火作用。
另外,如果考虑人身电击防护,建筑外墙上的灯具采用直流 ≤120V的安全特低电压供电,特别对于一些玻璃幕墙,采用直流48V LED线条灯或点光源,技术十分成熟,既安全又节能。
4、水下灯具的的电气安全措施
室外水景照明越来越多,由于人体在潮湿场所,阻抗下降,安全要求更高。水景一般有嬉水池、瀑布、喷水池等。
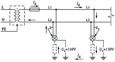
如果水下照明采用交流220V电压供电,水下设备要求采用隔离变压器供电,而隔离变压器供电要求是一台变压器给一个设备供电,因为灯具数量较多,采用一台隔离变压器只给一台照明设备供电既不可能也不现实。如果一台隔离变压器给多台照明设备供电(如图3所示)有两台照明器回路的不同导线发生接地故障,两台照明器自然接地电阻假设相等均为Ra,则故障电流为Id=Uo/(Ra+Ra)=220/2Ra=110/Ra,其中一台照明器的接触电压Uc=Id×Ra=110V,如果Ra较大,则Id较小,回路首端过流保护器不动作,而接触电压远大于接触电压限值UL,可以引起电击事故。

图3 隔离变压器给多台照明设备供电(无等电位联结)
为提高安全性,当一台隔离变压器给多台照明设备供电时,实施不接地的等电位联结,如图4所示,将所有照明器的金属外壳、金属支架用与回路导线截面相同的导线连通,这样在故障时,故障回路形成金属性短路,回路首端的过流保护器可切断电源,避免发生电击事故。

图4 隔离变压器给多台照明设备供电(不接地的等电位联结)
但对于人员能够进入的水池,如果保护电器拒动,电击危险仍是难以消除的,由于实施的不接地的等电位联结的金属导体又把各个灯具的金属外壳连在一起,也会引起一处带电、全线灯具都带电的情况,因此,国际电工委员会标准把人员能够进入的水池的水下灯具的供电按游泳池处理,要求灯具电压采用交流不大于12V或直流不大于30V的电压等级。
5、低压直流供电的的电气安全措施
目前,LED灯具已占主导地位,特别是用在景观照明上,其节能、易控、变色容易,容易实现各种艺术效果,而其低压直流驱动在用电安全上更具有优越性。安全特低电压为直流120V以下,如果路灯、庭院灯、草坪灯等都采用直流120V以下电压供电,就彻底解决了安全隐患。另外,LED本身特性是直流驱动,直接采用直流供电,省去了过多AC/DC变换,直流供电只有两根导线,也省去了接地导体,不仅提高了安全性,也有较好经济性。
接地及接地电阻
关于城市照明的接地和接地电阻,在CJJ89-2012《城市道路照明工程施工及验收规程》中有下述条文:
7.2.5 道路照明配电系统中,采用TN或T T系统接零和接地保护,PE线与灯杆、配电箱等金属设备连接成网,在任一地点的接地电阻不应大于4Ω。
7.2.6 在配电线路的分支、末端及中间适当位置做重复接地并形成联网,其重复接地电阻不应大于10Ω,系统接地电阻不应大于4Ω。
7.2.7 采用TT系统接地保护,没有采用PE线连接成网的灯杆、配电箱等,其独立接地电阻不应大干4Ω。
该标准规定不论采用何种接地系统,统一要求接地电阻“不应大于4Ω”,既没有理论依据,也是很难实现的,特别是对于山区或土壤电阻率较高的地区,实现每个灯杆的接地电阻“不应大于4Ω”,会付出很大的经济代价,而实际上也是没有必要的。
根据GB/T16895.21-2011《低压电气装置 第4-41部分:安全防护 电击防护》,TT系统故障防护,其保护电器的动作特性应符合下式要求:
Ra×IΔn ≤50V
式中:Ra为外露可导电部分接地电阻,Ω;IΔn为RCD的额定剩余动作电流,A。
对于室外灯具采用TT接地系统型式,末端回路采用剩余电流保护器保护,其额定漏电动作电流为30mA,则Ia=0.03A,一般场所内UL=50V,Ra≤UL/Ia=50/0.03=1667Ω,同时可触及的外露可导电部分和外部导电部分之间的电阻在此种情况下小于1667Ω时,即可满足安全要求。如果是潮湿场所UL=25V,则Ra≤UL/Ia=25/0.03=833Ω。电源侧额定漏电动作电流为300mA,其接地电阻Ra≤ UL/Ia=50/0.3=167Ω。
由此可见,对于TT接地系统,一般情况下,对灯杆处的接地电阻值小于1667Ω都是允许的,电源侧接地电阻也可以在167Ω以下,接地电阻值不需要标准规定的那么小是能够保障安全的,并且接地电阻采用灯杆基础作为自然接地体就很容易做到,既经济又可靠。
结语
注重城市美化,应以人们的安全为前提,而有些室外照明标准、规范亟需修订完善,城市照明配电系统接地型式应优先合理采用TT接地系统,随着LED照明技术的发展,低压直流更有利于安全。总之,城市功能照明和城市景观照明电气安全与每个人休戚相关,电工基础栏目分享的这些电气安全内容是很重要的方面,应当引起足够重视。
作者:徐华
