溯本清源
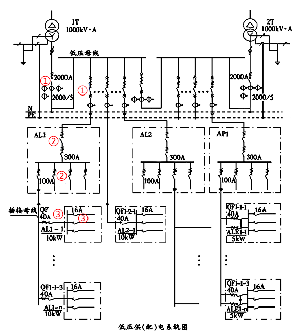
配电级数的定义应是:“一个供电回路通过配电装置分为几个回路的一次分配,称之为一级配电。”即一个配电装置的进线开关和馈出开关合起来称作“级”,不因它的进线开关采用断路器或采用隔离开关而改变它的配电级数。
如下图所示,1进1出为一级配电,一共有3级配电。有人认为采用隔离开关能减少配电级数是错误的,减少的是保护级数。

设计建议
对重要负荷的配电级数,当变压器在用电设备的建筑物内时, 自变压器低压侧至用电设备之间,不宜多于两级。当变压器不在用电设备的建筑物内时,不宜多于三级。对于非重要负荷的配电级数要求比重要负荷可放宽一级。特殊情况下,可按管理需要设置。
作者:特斯拉换灯泡
