1、按钮互锁正反转控制电路的引入原因
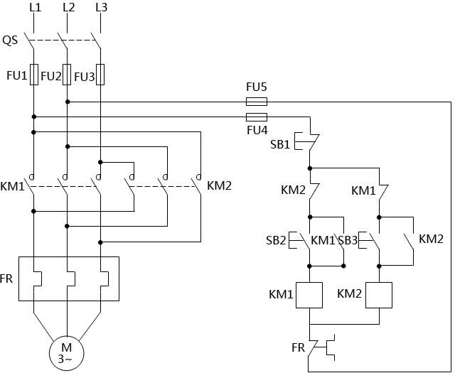
电机正反转控制电路一般用接触器辅助触点进行互锁,正反转控制电路可以在《仪表工必知的电动机正反转控制电路原理及应用》文章中详细了解。这个互锁电路在电机改变转向时必须先按停止按钮,优点是接触器卡住时不会造成电源短路故障,缺点是操作不方便,换向时必须先按停止按钮才能操作。

说明:图中FU1-FU5为熔断器,SB1为红色停止按钮,SB2为绿色正转起动按钮,SB3为绿色反转起动按钮,FR为热继电器,KM1为正转接触器、KM2为反转接触器。
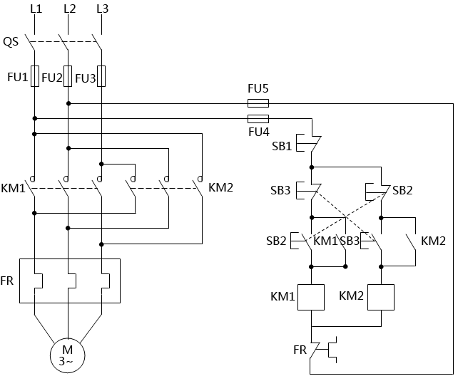
那么怎样解决电机正反转辅助触点互锁电路使用不方便的问题?fkswng仪表给出的方法就是将改为按钮互锁正反转控制电路,操作更方便。

说明:图中FU1-FU5为熔断器,SB1为红色停止按钮,SB2为绿色正转起动按钮,SB3为绿色反转起动按钮,FR为热继电器,KM1为正转接触器、KM2为反转接触器。
2、按钮互锁正反转控制电路的保护措施
①短路保护
短路保护由FU1-FU5构成,熔断器FUI-FU3实现主电路的短路保护,FU4-FU5实现控制电路的短路保护。
②失压保护
失压保护由接触器自锁构成。当电源电压消失时,接触器各触头自动复位,起到断开电路的作用。
③过载保护
过载保护由热继电器常闭触头实现。当三相电动机在运行中电流超过设置的额定值时,FR常闭触头断开,从而切断控制电路,使KM1或KM2线圈失电,从而切断主电路。
④互锁保护
互锁保护由正转起动按钮常闭触头和反转起动按钮常闭触头构成。当启动正转接触器KM1支路时,正转起动按钮常闭触头断开,使反转接触器KM2支路不能得电,实现对KM2支路的互锁;反之亦然。
3、按钮互锁正反转控制电路的优点和缺点
①按钮互锁电机正反转控制电路的优点
改变转向时不用按停止按钮。
②按钮互锁电机正反转控制电路的缺点
当接触器出现卡住时,如操作转换方向,会造成电源短路的故障。用硬接线方式实现电动机正反转控制,fkswng仪表还是建议使用使用接触器辅助点进行互锁,以免接触器卡住时反生电源短路故障。
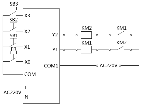
4、根据按钮互锁正反转控制电路进行PLC控制设计
①PLC的I/O分配设计

停止按钮SB1,信号从X1输入;启动按钮SB2和SB3,信号从X2、X3输入;热继电器FR的信号从X0输入;KM1、KM2为接触器线圈,对应于PLC内部编程元件为Y1、Y2,信号从Y1、Y2端输出。
②PLC硬件连接,外部接线

③PLC梯形图

④PLC指令语句

电气控制电路是PLC实现功能的基础,熟悉电路图是PLC入门的基础!电路图对应逻辑指令的转化在学习的时候可以一步步分析,由浅入深,先易后难。学习PLC技术同时,也要掌握PLC和各种仪表的选型和配置,可以到点点taptap手机登录网站 了解和订购相关产品。
相关阅读
仪表工必会的8个PLC基本控制线路与梯形图
PLC梯形图程序与电气控制的梯形图程序的五点区别
梯形图、指令表、结构化文本和功能块图这四种PLC编程方式比较
