仪表工在最初学习PLC编程时,对启动、自锁和停止控制、正/反转控制、多地控制、定时控制、定时器与计数器组合延长定时控制、多重输出控制、过载报警控制和闪烁控制的PLC梯形图及线图应熟练掌握,fkswng仪表在本文对这8个基本控制线路与梯形图做详细分析。
1、启动、自锁和停止控制的PLC线路与梯形图
启动、自锁和停止控制是PLC最基本的控制功能。启动、自锁和停止控制可采用驱动指令(OUT),也可以采用置位指令(SET、RST)来实现。
①PLC采用线圈驱动指令实现启动、自锁和停止控制
线圈驱动(OUT)指令的功能是将输出线圈与右母线连接,它是一种很常用的指令。

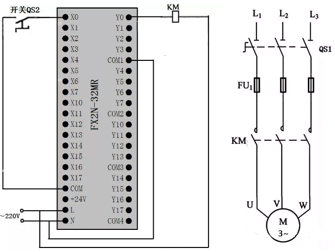
启动、自锁和停止控制的PLC接线图

PLC采用线圈驱动指令实现启动、自锁和停止控制的梯形图
a、当按下启动按钮SB1时,PLC内部梯形图程序中的启动触点X000闭合,输出线圈Y000得电,输出端子Y0内部硬触点闭合,Y0端子与COM端子之间内部接通,接触器线圈KM得电,主电路中的KM主触点闭合,电动机得电启动。
b、输出线圈Y000得电后,除了会使Y000、COM端子之间的硬触点闭合外,还会使自锁触点Y000闭合,在启动触点X000断开后,依靠自锁触点闭合可使线圈Y000继续得电,电动机就会继续运转,从而实现自锁控制功能。
c、当按下停止按钮SB2时,PLC内部梯形图程序中的停止触点X001断开,输出线圈Y000失电, Y0、COM端子之间的内部硬触点断开,接触器线圈KM失电,主电路中的KM主触点断开,电动机失电停转。
②PLC采用置位复位指令实现启动、自锁和停止控制
采用置位复位指令SET、RST实现启动、自锁和停止控制的梯形图如下图所示,其PLC接线图与上图是一样的。

PLC采用置位复位指令实现启动、自锁和停止控制的梯形图
a、当按下启动按钮SB1时,梯形图中的启动触点X000闭合,[SET Y000]指令执行,指令执行结果将输出继电器线圈Y000置1,相当于线圈Y000得电,使Y0、COM端子之间的内部硬触点接通,接触器线圈KM得电,主电路中的KM主触点闭合,电动机得电启动。
b、线圈Y000置位后,松开启动按钮SB1、启动触点X000断开,但线圈Y000仍保持“1”态,即仍维持得电状态,电动机就会继续运转,从而实现自锁控制功能。
c、当按下停止按钮SB2时,梯形图程序中的停止触点X001闭合,[RST Y000]指令被执行,指令执行结果将输出线圈Y000复位,相当于线圈Y000失电,Y0、COM端子之间的内部硬触点断开,接触器线圈KM失电,主电路中的KM主触点断开,电动机失电停转。
PLC采用置位复位指令与线圈驱动都可以实现启动、自锁和停止控制,两者的PLC接线都相同,仅给PLC编写输入的梯形图程序不同。
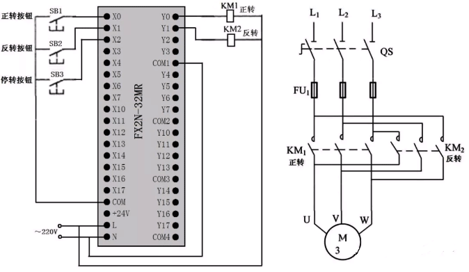
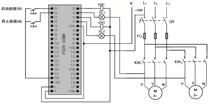
2、正、反转联锁控制的PLC线路与梯形图

正、反转联锁控制的PLC线路

正、反转联锁控制的梯形图
a、正转联锁控制:按下正转按钮SB1→梯形图程序中的正转触点X000闭合→线圈Y000得电→Y000自锁触点闭合,Y000联锁触点断开,Y0端子与COM端子间的内部硬触点闭合→Y000自锁触点闭合,使线圈Y000在X000触点断开后仍可得电;Y000联锁触点断开,使线圈Y001即使在X001触点闭合(误操作SB2引起)时也无法得电,实现联锁控制;Y0端子与COM端子间的内部硬触点闭合,接触器KM1线圈得电,主电路中的KM1主触点闭合,电动机得电正转。
b、反转联锁控制:按下反转按钮SB2→梯形图程序中的反转触点X001闭合→线圈Y001得电→Y001自锁触点闭合,Y001联锁触点断开,Y1端子与COM端子间的内部硬触点闭合→Y001自锁触点闭合,使线圈Y001在X001触点断开后继续得电;Y001联锁触点断开,使线圈Y000即使在X000触点闭合(误操作SB1引起)时也无法得电,实现联锁控制;Y1端子与COM端子间的内部硬触点闭合,接触器KM2线圈得电,主电路中的KM2主触点闭合,电动机得电反转。
c、停转控制:按下停止按钮SB3→梯形图程序中的两个停止触点X002均断开→线圈Y000、Y001均失电→接触器KM1、KM2线圈均失电→主电路中的KM1、KM2主触点均断开,电动机失电停转。
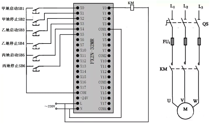
3、多地控制的PLC线路与梯形图

多地控制的PLC接线图
①单人多地控制

单人多地控制梯形图
a、甲地启动控制。在甲地按下启动按钮SB1时→X000常开触点闭合→线圈Y000得电→Y000常开自锁触点闭合,Y0端子内部硬触点闭合→Y000常开自锁触点闭合锁定Y000线圈供电,Y0端子内部硬触点闭合使接触器线圈KM得电→主电路中的KM主触点闭合,电动机得电运转。
b、甲地停止控制。在甲地按下停止按钮SB2时→X001常闭触点断开→线圈Y000失电→Y000常开自锁触点断开,Y0端子内部硬触点断开→接触器线圈KM失电→主电路中的KM主触点断开,电动机失电停转。
c、乙地和丙地的启/停控制与甲地控制相同,利用梯形图可以实现在任何一地进行启/停控制,也可以在一地进行启动,在另一地控制停止。
②多人多地控制

多人多地控制梯形图
a、启动控制。在甲、乙、丙三地同时按下按钮SB1、SB3、SB5→线圈Y000得电→Y000常开自锁触点闭合,Y0端子的内部硬触点闭合→Y000线圈供电锁定,接触器线圈KM得电→主电路中的KM主触点闭合,电动机得电运转。
b、停止控制。在甲、乙、丙三地按下SB2、SB4、SB6中的某个停止按钮时→线圈Y000失电→Y000常开自锁触点断开,Y0端子内部硬触点断开→Y000常开自锁触点断开使Y000线圈供电切断,Y0端子的内部硬触点断开使接触器线圈KM失电→主电路中的KM主触点断开,电动机失电停转。
c、上图的梯形图可以实现多人在多地同时按下启动按钮才能启动功能,在任意一地都可以进行停止控制。
4、定时控制的PLC线路与梯形图
定时控制方式很多,下面介绍两种典型的定时控制的PLC线路与梯形图。
①延时启动定时运行控制的PLC线路与梯形图
延时启动定时运行控制的PLC线路与梯形图如下图所示,它可以实现的功能是:按下启动按钮3秒钟后,电动机启动运行,运行5秒钟后自动停止。

延时启动定时运行控制的PLC接线图

延时启动定时运行控制的梯形图

②多定时器组合控制的PLC线路与梯形图
下图是一种典型的多定时器组合控制的PLC线路与梯形图,它可以实现的功能是:按下启动按钮后电动机B马上运行,30秒钟后电动机A开始运行,70秒后电动机B停转,100秒后电动机A停转。

多定时器组合控制的PLC接线图

多定时器组合控制的梯形图

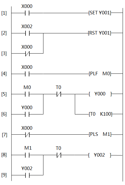
5、定时器与计数器组合延长定时控制的PLC线路与梯形图
三菱FX系列PLC的最大定时时间为3276.7秒(约54分钟),采用定时器和计数器可以延长定时时间。

PLC接线图

定时器与计数器组合延长定时控制的梯形图

图中的定时器T0定时单位为0.1s(100ms),它与计数器C0组合使用后,其定时时间T=30000×0.1秒×30000=90000000秒=25000小时。若需重新定时,可将开关QS2断开,让[2]X000常闭触点闭合,让“RST C0”指令执行,对计数器C0进行复位,然后再闭合QS2,则会重新开始250000小时定时。
6、多重输出控制的PLC线路与梯形图

多重输出控制的PLC接线图

多重输出控制的梯形图
①启动控制

②停止控制

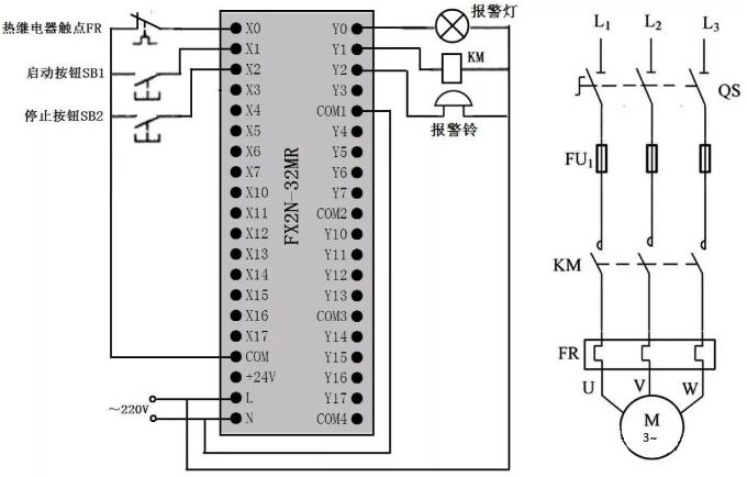
7、过载报警控制的PLC线路与梯形图

过载报警控制的PLC接线图

过载报警控制的梯形图
①启动控制
按下启动按钮SB1→[1]X001常开触点闭合→[SET Y001]指令执行→Y001线圈被置位,即Y001线圈得电→Y1端子内部硬触点闭合→接触器KM线圈得电→KM主触点闭合→电动机得电运转。
②停止控制
按下停止按钮SB2→[2]X002常开触点闭合→[RST Y001]指令执行→Y001线圈被复位,即Y001线圈失电→Y1端子内部硬触点断开→接触器KM线圈失电→KM主触点断开→电动机失电停转。
③过载保护及报警控制

8、闪烁控制的PLC线路与梯形图
闪烁控制的PLC接线图

闪烁控制的梯形图
将开关QS闭合→X000常开触点闭合→定时器T0开始3秒钟计时→3秒钟后,定时器T0动作,T0常开触点闭合→定时器T1开始3秒钟计时,同时Y000得电,Y0端子内部硬触点闭合,灯HL点亮→3钟秒钟后,定时器T1动作,T1常闭触点断开→定时器T0复位,T0常开触点断开→Y000线圈失电,同时定时器T1复位→Y000线圈失电使灯HL熄灭;定时器T1复位使T1闭合,由于开关QS仍处于闭合,X000常开触点也处于闭合,定时器T0又重新开始3秒钟计时。以后重复上述过程,灯HL保持3秒亮、3秒灭的频率闪烁发光。
文章由无纸记录仪http://yunrun.com.cn/product/list_70.html整理
推荐阅读
正转、正反转、定时和多地控制等的PLC线路和梯形图
