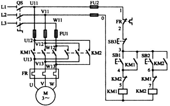
接触器连锁正反转控制线路的主电路中连接了两个接触器,正反转操作元器件放置在控制回路中,因此工作安全可靠。接触器连锁正反转控制线路如图1所示。

图1 接触器连锁正反转控制线路(电路图读者需要结合电气图形符号和电气文字符号来学习)
在图1中,主电路中连接了接触器KM1和接触器KM2,两个接触器主触点连接方式不同,KM1按L1-U、L2-V、L3-W方式连接,KM2按L1-W、L2-V、L3-U方式连接。
在工作时,接触器KM1、KM2主触点严禁同时闭合,否则会造成L1、L3两相电源直接短路。为了避免KM1、KM2主触点同时得电闭合,分别给其各自的线圈串接了对方的常闭辅助触点,当一个接触器的线圈得电时会使自己的主触点闭合,还会使自己的常闭触点断开,这样另一个接触器线圈就无法得电。接触器的这种相互制约关系称为接触器的连锁(也称互锁、联锁),实现联锁的常闭辅助触点称为连锁触点。
电动机正反转控制线路工作原理分析如下:
1、闭合电源开关QS
2、正转过程
①正转联锁控制
按下正转按钮速SB1→KM1线圈得电→KM1主触点闭合、KM1常开辅助触点闭合、KM1常闭辅助触点断开→KM1主触点闭合将L1、L2、L3三相电源分别供给电动机U、V、W端,电动机正转;KM1常开辅助触点闭合使得SB1松开后KM1线圈继续得电(接触器自锁);KM1常闭辅助触点断开切断KM2线圈的供电,使KM2主触点无法闭合,实现KM1、KM2之间的连锁。
②停止控制
按下停转按钮SB3→KM1线圈失电→KM1主触点断开、KM1常开辅助触点断开、KM1常闭辅助触点闭合→KM1主触点断开使电动机断电而停转。
3、反转过程
①反转连锁控制
按下反转按钮SB2→KM2线圈得电→KM2主触点闭合、KM2常开辅助触点闭合、KM2常闭辅助触点断开→KM2主触点闭合将L1、L2、L3三相电源分别供给电动机W、V、U端,电动机反转;KM2常开辅助触点闭合SB2松开后KM2线圈继续得电;KM2常闭辅助触点断开切断KM1线圈的供电,使KM1主触点无法闭合,实现KM1、KEM2之间的连锁。
②停止控制
按下停转按钮SB3→KM2线圈失电→KM2主触点断开、KM2常开辅助触点断开、KM2常闭辅助触点闭合→KM2主触点断开使电动机断电而停转。
4、断开电源开关QS
对于接触器连锁正反转控制线路,若将电动机由正转变成反转,需要先按下停止按钮让电动机停转,是接触器各触点复位,再按反转按钮让电动机反转。如果在正转时不按停止按钮,而直接按反转按钮,由于连锁的原因,反转接触器线圈无法得电而使控制无效。
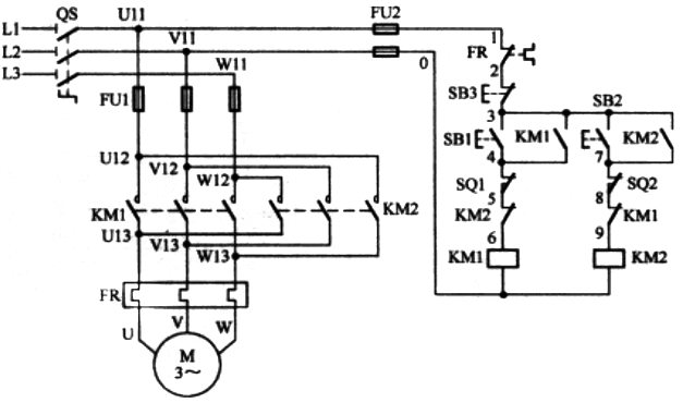
带限位的正反转控制电路
限位控制线路如图2所示。从图3可以看出,限位控制线路是在接触器连锁正反转控制线路的控制电路中串接两个行程开关SQ1、SQ2构成。

图2 带限位的接触器连锁正反转控制线路

图3 电动机正反转控制+限位控制实物接线图
带限位的接触器连锁正反转控制线路工作原理分析如下:
1、闭合电源开关QS
2、正转控制过程
①正转控制
按下正转按钮速SB1→KM1线圈得电→KM1主触点闭合、KM1常开辅助触点闭合、KM1常闭辅助触点断开→KM1主触点闭合将L1、L2、L3三相电源分别供给电动机U、V、W端,电动机正转;KM1常开辅助触点闭合使得SB1松开后KM1线圈继续得电(接触器自锁);KM1常闭辅助触点断开切断KM2线圈的供电,使KM2主触点无法闭合,实现KM1、KM2之间的连锁。
②正向限位控制
当电动机正转驱动运动部件运动到行程开关SQ1处→SQ1常闭触点断开(常开触点未用)→KM1线圈失电→KM1主触点断开、KM1常开辅助触点断开、KM1常闭辅助触点闭合→KM1主触点断开使电动机断电而停转→运动部件停止正向运动。
3、反转控制过程
①反转控制
按下反转按钮SB2→KM2线圈得电→KM2主触点闭合、KM2常开辅助触点闭合、KM2常闭辅助触点断开→KM2主触点闭合将L1、L2、L3三相电源分别供给电动机W、V、U端,电动机反转;KM2常开辅助触点闭合SB2松开后KM2线圈继续得电;KM2常闭辅助触点断开切断KM1线圈的供电,使KM1主触点无法闭合,实现KM1、KEM2之间的连锁。
②反向限位控制
当电动机正转驱动运动部件运动到行程开关SQ2处→SQ2常闭触点断开(常开触点未用)→KM2线圈失电→KM2主触点断开、KM2常开辅助触点断开、KM2常闭辅助触点闭合→KM2主触点断开使电动机断电而停转→运动部件停止反向运动。
4、断开电源开关QS
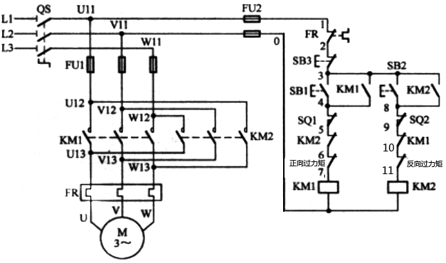
带限位的正反转控制线路在仪表行业应用很多,比如在多回转阀门电动装置中:多回转阀门电动装置控制线路是在接触器连锁正反转控制线路中串接两个行程开关和两个过力矩开关构成。

