一些机械设备(如车床)的运动部件是由电动机来驱动的,它们在工作时并不都是一直往前运动,而是运动到一定的位置自动停止,然后再由操作人员操作按钮使之返回。为了实现这种控制效果,需要给电动机安装限位控制电路。
限位控制线路又称位置控制线路或行程控制线路,它是利用位置开关来检测运动部件的位置,当运动部件运动到指定位置时。位置开关给控制线路发出指令,让电动机停转或反转。常见的位置开关有行程开关和接近开关,其中行程开关使用更为广泛。
行程开关
行程开关如图1所示,它可分为按钮式、单轮旋转式和双轮旋转式等,行程开关内部一般有一个常闭触点和一个常开触点,行程开关的符号如图2所示(可参阅本站《电气符号大全》技术文章)。

图1 各种结构的行程开关

图2 位置开关图形符号
在使用时,行程开关通常安装在运动部件需停止或改变方向的位置。当运动部件行进到行程开关处时,挡铁会碰压行程开关,行程开关内的常闭触点断开、常开触点闭合,由于行程开关的两个触点接在控制线路,它控制电动机停转,从而使运动部件也停止。如果需要运动部件反向运动,可操作控制线路中的反转按钮,当运动部件反向运动到另一个行程开关处时,会碰压该处的行程开关,行程开关通过控制线路让电动机停转,运动部件也就停止。
行程开关可分为自动复位和非自动复位两种。按钮式和单轮式行程开关可以自动复位,当挡铁移开时,依靠内部的弹簧使触点自动复位;双轮旋转式行程开关不能自动复位,当挡铁从一个方向碰压其中一个滚轮时,内部触点动作,挡铁移开后内部触点不能复位,当挡铁反向运动(返回)时碰到另一个滚轮,触点才能复位。
限位控制线路
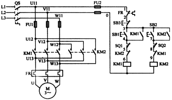
限位控制线路如图3所示。从图3可以看出,限位控制线路是在接触器连锁正反转控制线路的正反转控制电路中串接两个行程开关SQ1、SQ2构成。

图3 带限位的正反转控制电路
限位控制线路工作原理
1、闭合电源开关QS。
2、正转控制过程。
①正转控制。按下正转按钮SB1→KM1线圈得电→KM1主触点闭合、KM1常开辅助触点闭合、KM1常开辅助触点闭合、KM1常闭辅助触点断开→KM1主触点闭合,电动机通电正转,驱动运动部件正向运动;KM1常开辅助触点闭合,让KM1线圈在SB1断开时能继续得电(自锁);KM1常闭辅助触点断开,使KM2线圈无法得电,实现KM1和KM2之间的连锁。
②正向限位控制。当电动机正转自动运动部件运动到行程开关SQ1处→SQ1常闭触点断开(常开触点未用)→KM1线圈失电→KM1主触点断开、KM1常开辅助触点断开、KM1常闭辅助触点闭合→KM1主触点断开使电动机断电而停转→运动部件停止正向运动。
3、反转控制过程。
①反转控制。按下反转按钮SB2→KM2线圈得电→KM2主触点闭合、KM2常开辅助触点闭合、KM2常闭辅助触点断开→KM2主触点闭合,电动机通电反转,驱动运动部件反向运动;KM2常开辅助触点闭合,锁定KM2线圈得电;KM2常闭辅助触点断开,使KM1线圈无法得电,实现KM1、KM2之间的连锁。
②反向限位控制。当电动机反向驱动运动部件运动到行程开关SQ2处→SQ2常闭触点断开→KM2线圈失电→KM2主触点断开、KM2常开辅助触点断开、KM2常闭辅助触点闭合→KM2主触点断开使电动机断电而停转→运动部件停止反向运动。
4、断开电源开关QS。
