有网友提问若低压断路器的进出线方向接反,会有什么影响?老帕(Patrick zhang)是这样回答的:低压断路器的进出线方向不能接反,是因为断路器动触头侧、静触头侧的操作机构介电性能不同,断路器动、静出头上的电弧弧根移动方式不同导致的。如果采用下部进线,则断路器可能需要采取降容措施,也即实际运行电流会小于额定电流,除非断路器对N线也有与相线一样的保护功能,而且整定值也一致,否则相线不建议与N线对调。
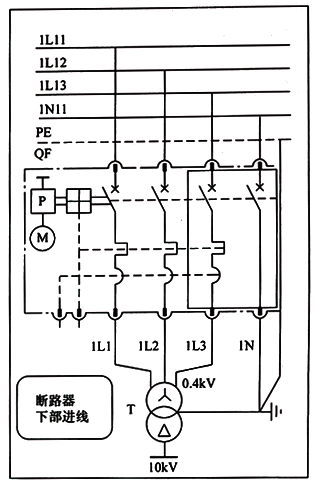
我们先看看低压断路器的上部进线和下部进线的示意图:

图1 低压断路器的上部进线 图2 低压断路器的下部进线
图1和图2 虚线框内的区域就是断路器本体。注意看断路器,我们发现它是四极的。在QF的虚线框内,有三条相线有半圆的短路保护图符和半矩形的过载保护图符,表明这台断路器具有过载保护和短路保护功能。
图1和图2中,N线所在的极里,没有任何保护,断路器在这里充其量只不过具有隔离开关功能而已,所以这台断路器的接线属于3P+N的型式。
请注意两件事:
①进线方向建议从上往下,也即采取上部进线方式。如果采用下部进线,则断路器可能需要采取降容措施,也即实际运行电流会小于额定电流。
②除非断路器对N线也有与相线一样的保护功能,而且整定值也一致,否则相线不建议与N线对调。
以下我们来看看为何低压断路器进线方向最好是从上往下,而不是从下往上?
这个问题关系到两个原因:
①断路器动触头侧和静触头侧的操作机构介电性能不同
我们来看图3。图3是微型断路器的实物图。它的上侧是进线端,下侧是出线端。我们从图中可以看出,出线端的机械复杂程度超过进线端。

图3 ABB的S200低压微型断路器MCB的实物图
进线侧是断路器的静触头,而出线侧是断路器的动触头。静触头的结构相对简单,散热条件好一些,因此静触头侧的介电性能也即绝缘性能优于动触头侧。
断路器绝缘材料的介电性能与温升有关。电流越大,电器的温升就越高,介电性能相对会降低。
所以,当断路器反向进线时需要适当地降容,降容后的运行电流一般为额定电流的75%。例如断路器的额定电流是100A,反向进线后其运行电流为75A。对于品质较好的断路器,则无需降容。这在断路器的说明书或者样本材料中会有说明。
②断路器动、静触头上的电弧弧根移动方式不同
对于低压电器的触头来说,一旦产生了电弧后,电弧贴近电极的部分叫做弧根。电弧在弧根处急剧收缩,并且在电极表面上形成的圆形的明亮光点,此亮点叫做弧根斑点。
对于阴极弧根来说,阴极斑点是电子的发射处,它的电流密度很大,可达104A/cm2。因此电极材料迅速汽化,形成金属蒸汽进人弧隙,因而在阴极表面形成凹坑;对于阳极弧根来说,它是电子进入阳极的入口,面积比阴极斑点要大,电流密度较小,温度较高,电极材料也达到沸点。
当断路器跳闸瞬间,这时的电路是有极性的,既可能是阳极,也可能是阴极,具体极性由开断瞬间来决定。我们来看图4和图5。


图4 断路器动、静触头上电弧弧根的移动方式(静触头为负极或阴极)


图5 断路器动、静触头上电弧弧根的移动方式(静触头为正极或阳极)
在图4和图5所示开关电器的触头中,上部是静触头,下部是动触头。图4静触头为负极或者阴极,图5表示静触头为正极或者阳极。我们来看其中的电弧运动。图4-1和图5-1:动、静触头刚刚开断,触头间出现电弧;图4-2和图5-2:随着触头间隙加大,电弧也被拉长,其中部在电场力的作用下向灭弧室方向弯曲;图4-3和图5-3:图4-3中电弧弧根已经离开触头,向灭弧室方向运动;图5-3中我们看到,电弧的阳极区已经离开触头,而阴极区却滞留在动触头上;图5-4经过一段时间后,滞留在动触头(阴极)上的电弧阴极区才离开触头,并向灭弧室方向运动。
什么原因呢?由前所述,当断路器的触头打开时,电弧出现,同时极间的电阻不断增大。电弧在两极上形成电弧斑点。由于电弧的烧灼使得部分触头材料熔融气化,形成金属性电弧。金属性电弧是靠金属蒸汽的离子来支撑的,我们把它称为金属相电弧。
金属相电弧的特点是:金属相电弧的直径较大,电弧基本上不运动;当电弧随着触头开距加大而拉长后,在外磁场的作用下,周围气体进人电弧,使得电弧中心的温度升高,电流向中心集中,电弧变细,电弧由金属相电弧变为气相电弧。这时,电弧才具有运动的可能性。
我们知道,低压电器是有灭弧罩的,电弧要进入灭弧罩,必定会遇见各种拐角和台阶。这些拐角和台阶对于电弧的运动会产生什么影响呢?
一位很出名的学者,叫做R.Michal。他研究了电弧弧根运动的机理,得出的结论是:
①阳极电弧弧根具有跳跃通过阻挡物的能力。也就是说,阳极电弧遇见台阶和间隙能一跃而过。
②阴极电弧弧根的运动必须是连续的,它只能沿着阻挡物的表面运动。
当电弧在遇见台阶时,阴极电弧弧根要从台阶下方沿着立面攀升到台阶上方再继续前进,而阳极电弧弧根则直接越过,于是电弧必然会出现倾斜和停滞。对于具体的断路器来说,如果采取下部进线,则电弧弧根运动的迟滞现象就更加明显和突出。
也就是说如果断路器的进线方向为上进线,对应的触头是静触头,则当触头打开时,不管阴极在静触头还是动触头,电弧都能相对顺利地进入灭弧室。同时,介电性能也更好;反过来,断路器的进线方向为下进线,对应的触头是动触头,则电弧进人灭弧室的时间会比前者要迟滞,介电性能会略差。
如此说来,断路器的上进线和下进线优劣程度,很大程度上与断路器的制造技术相关。对于国产断路器,最好不要采取下进线。如果一定要下进线,则必须降容。对于进口或者合资生产的断路器,例如施耐德、西门子和ABB的断路器,则上下进线的容量是一致的,无需降容。
