fkswngYR-EC10系列在线电导率仪可对工业用水的电导率(TDS)值进行连续测量和控制。用户可以通过电导率仪的界面配置和校准实现模拟输出,可以实现继电器控制及数字通讯等功能。电导率仪广泛应用于RO、超纯水、冷却水、锅 炉水、工业制程及水处理等溶液中电导率/TDS和温度的连续监测。
YR-EC10在线电导率仪特点
1、3.5英寸128×64点阵式白屏黑字液晶显示,高亮度,高分辨率,方便数据读取
2、YR-EC10系列在线电导率仪户外防水设计,防护等级IP65,外观大方、高端
3、可拔插式接线端子,接线作业方便;标准M20×1.5电气接口,防尘防水
4、电导率仪支持中英文菜单切换
5、电导率(TDS)在线监测
6、支持电极校准功能
7、电极标准溶液(1413μs/cm)
8、硅胶轻触按钮,人机交互好
9、手动/自动温度补偿可选
10、Pt1000或NTC 10K温补可选
11、模拟量变送输出
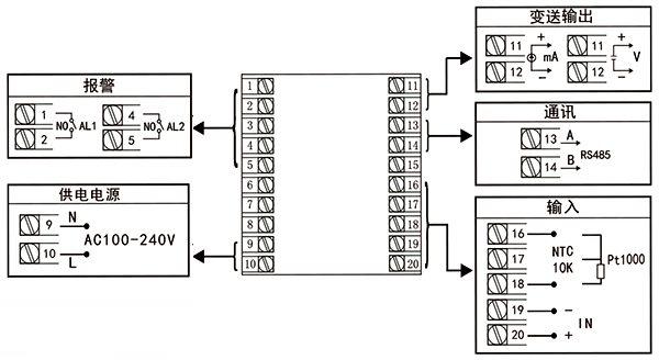
12、2个报警接点输出
13、RS484通讯(MODBUS RTU协议),方便用户构成水质采集分析控制系统

YR-EC10在线电导率仪技术参数
1、测量范围:0.00μs/cm-200.0ms/cm
2、分辨率:0.01μs/cm
3、测量精度:1%±1Digit
4、输出信号
①电导率仪的变送输出:
◆变送输出4-20mA(负载电阻RL≤480Ω)
◆变送输出0-10mA(负载电阻RL≤960Ω)
◆变送输出0-20mA(负载电阻RL≤480Ω)
◆变送输出1-5V(负载电阻≥250kΩ)
◆变送输出0-5V(负载电阻R≥250kΩ)
◆变送输出0-10V(负载电阻RL≥500kΩ)
②报警输出:2路继电器触点输出,触点容量AC220V/2A(阻性负载)
③通讯输出:RS485通讯接口,波特率1200-38400bps可设置,标准MODBUS RTU通讯协议
5、测量精度:1%±1Digit
6、输入阻抗:≥1012Ω
7、温度补偿:-10.0~130.0℃,精度±0.5℃;手动温度补偿模式;NTC10K,Pt1000自动温度补偿模式
8、工作温度:-20~55℃
9、储存温度:-20~55℃
10、供电电源:AC/DC100-240V()50/60Hz)
11、防护等级:YR-EC10系列在线电导率仪防护等级为IP65

12、安装方式:YR-EC10系列电导率仪有盘装式、壁挂式或管道式三种

①盘装式在线电导率仪安装
请预先在仪表盘盘面上开92×92mm的方孔,电导率仪从表盘面面板直接推入,将电导率仪所附的固定器由后方套入,卡进固定槽内。如果在同一仪表盘上安装多台仪表,应参考仪表最小间距38mm,以保证必要的散热及装卸空间
②壁挂式在线电导率仪安装
将壁挂式固定器固定在在线电导率仪背后,再讲固定器挂孔对准墙面固定住,完成壁挂安装
③管道式电导率在线监测仪安装
先确定电导率仪安装位置,将管道式固定器套在管道上,再将电导率仪固定在管道式固定器上,完成电导率仪在管道安装
13、质保:fkswng电导率仪为10年使用寿命设计,质保24个月
13、在线电导率仪外形尺寸:98×98×134mm(宽×高×深);开孔尺寸:92×92mm(宽×高)

YR-EC10在线电导率仪选型表
YR-EC10①-②③-④-⑤
①代码 安装方式
[01]:盘装式电导率仪
[02]:壁挂式电导率仪
[02]:管道式电导率仪
②通讯方式
[0]:无通讯
[8]:RS485
③电导率仪变送输出类型
[2]:4-20mA
[3]:0-10mA
[4]:1-5V
[5]:0-5V
[6]:0-20mA
[7]:0-10V
④报警输出
[2]:2限报警
⑤电导率仪供电电源
[T]:AC/DC100-240V(50/60Hz)
YR-EC10在线电导率仪选型举例:
YR-EC1001-82-2-T(盘装式在线电导率仪+RS485+4-20mA变送输出+2限报警)
YR-EC1002-82-2-T(壁挂式在线电导率仪+RS485+4-20mA变送输出+2限报警)
YR-EC1003-82-2-T(管装式在线电导率仪+RS485+4-20mA变送输出+2限报警)
YR-EC10在线电导率仪接线图

