YR-PH10系列pH/ORP监测仪应用于环保水处理、纯净水、循环水、锅炉水等系统以及电子、电镀、印染、化学、食品、制药等制程领域的pH/ORP实时显示和控制。pH/ORP监测仪采用高阻抗和户外防水设计,测量稳定不跳字,抗干扰能力强,具备一路RS485通讯输出、一路模拟信号输出和两路继电器报警输出,方便用户构成水质采集分析控制系统。

pH/ORP监测仪特点
1、3.5英寸128×64点阵式白屏黑字液晶显示,高亮度,高分辨率,方便数据读取
2、户外防水设计,YR-PH10系列pH/ORP监测仪防护等级IP65,外观大方、高端
3、pH/ORP监测仪可拔插式接线端子,接线作业方便;标准M20×1.5电气接口,防尘防水
4、pH/ORP监测仪支持中英文菜单切换
5、pH/ORP监测在线监测
6、pH/ORP监测仪支持电极校准功能
7、硅胶轻触按钮,人机交互好
8、pH/ORP监测仪手动/自动温度补偿可选
9、有3种模拟量变送输出
10、2个报警接点输出
11、RS484通讯(MODBUS RTU协议),方便用户构成水质采集分析控制系统

pH/ORP监测仪技术参数
1、测量范围
①pH:0-14pH
②ORP:-999~999mV
2、分辨率
①pH:±0.02pH
②ORP:±1mV
3、输出信号
①变送输出:4-20mA(负载电阻RL≤480Ω)、0-10mA(负载电阻RL≤960Ω)、0-20mA(负载电阻RL≤480Ω)
②报警输出:2路继电器触点输出,触点容量AC220V/2A(阻性负载)
③通讯输出:RS485通讯接口,波特率1200-38400bps可设置,标准MODBUS RTU通讯协议
4、稳定性:≤0.02pH/24h;≤3mV/24h
5、输入阻抗:≥1012Ω
6、温度补偿:-10.0~130.0℃,精度±0.5℃;手动温度补偿模式;NTC10K,Pt1000自动温度补偿模式
7、工作温度:-20~55℃
8、储存温度:-20~55℃
9、供电电源:AC/DC100-240V()50/60Hz)
10、防护等级:YR-PH10系列pH/ORP监测仪防护等级为IP65

11、安装方式:YR-PH10系列pH/ORP监测仪盘装式、壁挂式或管道式三种

12、质保:fkswngpH/ORP监测仪为10年使用寿命设计,质保24个月
13、pH/ORP监测仪外形尺寸:98×98×134mm(宽×高×深);开孔尺寸:92×92mm(宽×高)

pH/ORP监测仪选型表
YR-PH10①-②③-④-⑤
①pH/ORP监测仪安装方式
[01]:盘装式
[02]:壁挂式
[02]:管道式
②pH/ORP监测仪通讯方式
[0]:无通讯
[8]:RS485
③pH/ORP监测仪变送输出类型
[2]:4-20mA
[3]:0-10mA
[6]:0-20mA
④pH/ORP监测仪报警输出
[2]:2限报警
⑤pH/ORP监测仪供电电源
[T]:AC/DC100-240V()50/60Hz)
fkswngpH/ORP监测仪选型举例
YR-PH1001-82-2-T(盘装式pH/ORP监测仪+RS485+4-20mA变送输出+2限报警)
YR-PH1002-82-2-T(壁挂式pH/ORP监测仪+RS485+4-20mA变送输出+2限报警)
YR-PH1003-82-2-T(管装式pH/ORP监测仪+RS485+4-20mA变送输出+2限报警)
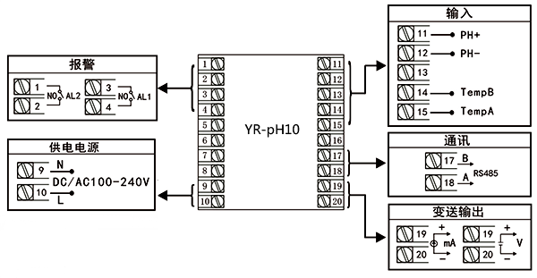
pH/ORP监测仪接线图
pH电极安装示意图
