四路开关量输入远程I/O模块将工业现场的4路开关量分别隔离转换为数字信号,按照MODBUS RTU规约,通过RS485通讯方式将数字信号提供给YR-9710A、PLC、DCS、上位机等控制器或数据采集系统。开关量输入远程I/O模块完善的隔离设计理念非常适合工业现场的复杂工况,长期稳定性好,每路提供隔离的触点检测电源,增加了触点检测的可靠性、抗干扰性能优异。
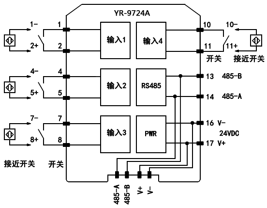
开关量输入远程I/O模块型号:YR-9724A

开关量输入远程I/O模块特点
◆输入信号之间/通讯/电源间完全隔离
◆每路输入提供隔离的触点检测电源
◆支持带电热插拔
◆支持背板导轨和接线端子两种方式供电和通讯
◆支持MODBUS RTU通讯协议,通讯速率高达115200bps
◆四路开关量输入远程I/O模块与以太网网关YR-9710A配合使用支持MODBUS TCP/IP,简化安装和维护流程,提升数据传输性能
开关量输入远程I/O模块技术指标
◆供电:24VDC
◆四路开关量输入远程I/O模块输入信号:触点及接近开关
◆输入通道:4路
◆通讯接口:RS485
◆通讯协议:MODBUS RTU
◆响应时间:≤10ms
◆四路开关量输入远程I/O模块组态方式:PC可编程
◆电磁兼容:IEC61326
◆隔离能力:1500VAC
◆工作温度:-20℃~+60℃
◆存储温度:-40℃~+85℃
◆环境湿度:≤95%ARH非凝结
◆防护等级:1P20
◆开关量输入远程I/O模块外形尺寸:17.5×90×110mm(宽×高×深)

◆开关量输入远程I/O模块为低功耗长寿命设计,6年质保,满足工业现场高可靠性长期稳定运行需求
开关量输入远程I/O模块接线图

