
温度信号采集器特点
◆隔离式四路温度信号采集器为低功耗设计、低温漂、自动零点校准
◆四路输入信号之间/通讯/电源完全隔离
◆每一路输入信号可通过PC编程设置:热电阻/热电偶/电阻/mV
◆支持带电热插拔
◆支持背板导轨和接线端子两种方式供电和通讯
◆支持MODBUS RTU通讯协议,通讯速率高达115200bps
◆与以太网网关YR-9710A配合使用可支持MODBUS TCP/IP,简化安装、维护流程
温度信号采集器技术指标
◆供电:24VDC
◆温度信号采集器输入信号:热电阻/热电偶/电阻/mV
◆输入通道:4路
◆通讯接口:RS485
◆通讯协议:MODBUS
◆温度信号采集器冷端精度:1℃
◆温度漂移:0.005%FS/℃
◆温度信号采集器组态方式:PC可编程
◆电磁兼容:IEC61326
◆隔离能力:1500VAC
◆工作温度:-20℃~+60℃
◆存储温度:-40℃~+85℃
◆环境湿度:≤95%ARH非凝结
◆防护等级:IP20
◆隔离式四路温度信号采集器外形尺寸:17.5×90×110mm(宽×高×深)

◆温度采集器采用低功耗长寿命设计,6年质保,满足工业现场高可靠性长期稳定运行需求
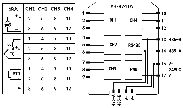
四路温度信号采集器:YR-9741A
温度信号采集器YR-9741A接线图
