
图1 电动机回路的的三元器件与两元器件
有的时候,为了实现更高级的保护功能和通讯功能,会用马达综合保护器来替代热继电器。

图2 马达综合保护器及其配件
马达综合保护器除了具有热继电器的过载和缺相保护功能外,还具备三相不平衡、逆序、堵转、长起动、单相接地、过欠电流、接地故障等保护功能,同时还具有通讯功能,可以实时监控电动机的运行状态。

图3 马达综合保护器的接地故障保护功能
当供电线路末端发生单相接地故障时,TN-S系统里会考虑能否用断路器的瞬动保护兼做接地故障保护,如果保护灵敏度不满足则考虑用短延时保护实现;如果灵敏度还不满足,则考虑采用带接地故障保护功能的断路器。

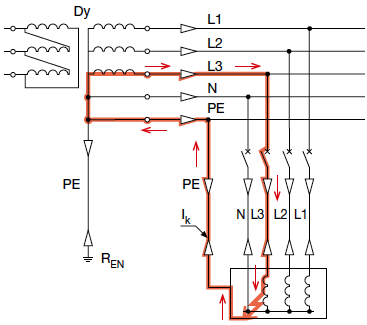
图4 TN系统单相接地故障
在三元器件方案中,为了躲过电动机起动瞬间的冲击电流,单磁断路器的瞬时保护整定值通常在13/14倍以上,IE3/4高效电动机回路可能在16倍以上,此时如果供电线路过长,线路末端发生接地时故障电流较低,不足以让断路器瞬动保护动作。

图5 断路器瞬动保护躲过电机冲击电流
如果单磁断路器不满足,那么能否采用电子式瞬动保护来满足呢?当然可以考虑,因为单磁式断路器一般无短延时保护功能,但是电子式瞬动保护断路器,一般还具备短延时保护功能,可以校验接地故障保护灵敏度,或者考虑带接地故障保护的断路器。

图6 单磁断路器的磁保护范围

图7 瞬动保护断路器的短延时和瞬时保护
实际工程项目中,出于成本、保护功能重叠等因素,且考虑到马保本身已经具备接地故障保护功能,可以通过马达综合保护器断开接触器线圈的供电,让接触器断开接地故障电流。
但是有人提出疑问:接触器具备分断接地故障电流的能力吗?
在图5中,为了躲过电动机起动瞬间的冲击电流,断路器的磁脱扣电流或瞬时保护整定值一般为13倍或16倍电动机的额定电流。
如果线路末端的单相接地故障电流大于13倍或16倍电动机额定电流,则单磁断路器动作。
如果线路末端的单相接地故障电流低于13倍或16倍电动机额定电流,则断路器不动作,此时通过马达综合保护器检测接地故障电流,断开接触器线圈,接触器分断接地故障电流,所以接触器需要分断的电流大概为电动机额定电流16倍或以下。
在接触器产品标准GB/T14048.4中,接触器需要考核额定接通和分断能力,至少能接通12倍其额定电流,至少能分断8.5倍其额定电流。
表1 接触器的额定接通和分断能力测试

在接触器的样本上我们也经常可以看到其额定接通和分断能力,比如LC1G205~620接触器的额定接通能力为13倍,额定分断能力为8.5倍其额定电流,与GB/T14048.4要求相符。

图7 接触器的额定接通和分断能力
对于一些小电流接触器,其额定接通和分断能力,会高于产品标准要求,比如LC1D09接触器,其额定接通和额定分断能力都为250A,是其额定电流的27倍多。
因此,对于采用马达综合保护器实现接地故障保护的电动机回路,当单磁断路器的磁保护整定值比较高导致保护灵敏度不够,此时接触器配合马达综合保护器分断接地故障电流,需要校验接触器的额定分断能力,至少是等于断路器磁脱扣或瞬动保护整定电流值,以保证接触器能成功分断单相接地故障电流。
从接触器产品标准的角度,其额定分断能力至少为8.5倍额定电流,如果需要更高的分断能力,可以乘以相应的系数放大接触器电流档,来满足分断能力要求。
作者:宾昭平
相关阅读
◆短路时断路器已动作,为何接触器还是粘连
◆通过九张图了解电动机主电路的配置方案
◆低压电动机回路可以选择什么类型的断路器
