低压断路器和熔断器都可以实现短路保护和接地故障保护(TN-S系统)。对于电动机回路,有哪些类型的断路器可以选择呢?这些是我们接下来讨论的重点。
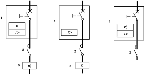
其实,在GB14048.4-2020第4-1部分:接触器和电动机起动器(含电动机保护器)标准中,关于电动机起动回路短路保护、过载保护、控制元器件的组成比较明确。如图1所示,可以划分为三元器件方案、两元器件方案以及一元器件方案(符合GB14048.9标准的CPS)。

图1 GB14048.4电动机控制与保护元器件方案
图中元器件2为接触器,元器件3为过载保护继电器,而断路器有三种可以选择:
①断路器1为符合GB14048.2标准具有过载和短路保护的断路器,基本上是指配电保护型塑壳断路器;
②断路器4为符合GB14048.2标准仅有短路保护的断路器,例如单磁塑壳断路器、单磁微断、瞬时保护断路器等;
③断路器5为符合GB14048.4标准过载保护特性的断路器,也是我们常说的电动机保护型断路器;

接下来,电力仪表以施耐德低压断路器为例,一一介绍这些断路器的差异。
1、符合GB14048.2标准保护特性的断路器
NSX塑壳断路器按保护对象来区分,包括配电保护型和电动机保护型,按脱扣器类型来分,包括热磁式、单磁式、电子式。
三元器件方案中断路器1为配电保护型断路器,在电动机回路中只是用作短路保护,因为电动机的过载保护已经有过载继电器来保护,所以该断路器可以选择热磁式或电子式的配电保护型断路器,如NSX100m/160m TM热磁式、NSX100~630 TM热磁式、NSX MicroLogic 2/5/6电子式断路器。
其中MicroLogic 5B电子式脱扣器的特点是:可以选择性地关闭长延时保护或短延时保护或瞬时保护,以满足特殊要求下的使用,例如要求过载不脱扣的消防回路。
需要特别注意的是iC65L的外形虽然和我们常见的家用微断一样,但是它的产品标准是GB14048.2,而家用微断的标准是GB10963.1,其短路分断能力15kA,额定电流范围1A~63A,所以在满足短路分断能力和额定电流的前提下,iC65L热磁式断路器用在电动机保护回路用作短路保护毫无争议。

2、符合GB14048.2标准仅有短路保护的断路器
三元器件方案中断路器4为只是具有短路保护的断路器。从产品标准的角度出发,只具有磁脱扣或只具有瞬时保护的断路器遵循GB14048.2标准附录O 瞬时脱扣断路器 ICB,与过载继电器一起用于电动机回路。

施耐德目前具有该功能的断路器见上图,其中:
①NSX100m/160m-MA的特点是:额定电压380/415V时,短路分断能力25/50/100kA可选,脱扣器额定电流从2A~115A,适用于0.25kW~55kW的电动机;
②NSX100/160/250-MA的特点是:额定电压380/415V时短路分断能力36/50/70/100/130kA可选,脱扣器额定电流从2.5A~220A,适用于0.37kW~110kW的电动机;
③NSX400/630-Mic 1.3M的特点是:额定电压380/415V时短路分断能力30/42/65/90/130kA可选,脱扣器额定电流从320A~500A,适用于132kW~250kW的电动机;
④GV2L/LE的特点是:额定电压380/415V时短路分断能力50/100kA,脱扣器额定电流为0.4A~32A,适用于0.09kW~15kW的电动机,体积小分断能力高,在小电流功率段相对于NSX断路器更适合于安装在低压抽屉柜的8E/4抽屉,目前都为进口产品;
⑤GV3L的特点是:额定电压380/415V时短路分断能力50/100kA,脱扣器额定电流为25A~80A,适用于11kW~45kW的电动机,体积小分断能力高,在小电流功率段相对于NSX断路器更适合于安装在低压抽屉柜的8E/4抽屉,目前都为进口产品;
⑥GV4LE/L的特点是:额定电压380/415V时短路分断能力25/50/100kA,脱扣器额定电流为25A~80A,适用于0.25kW~55kW的电动机,目前都为进口产品;
⑦iC60/65MA的特点是: 前者额定电压380/415V时短路分断能力25/50/100kA,脱扣器额定电流为1.6A~40A,适用于0.55kW~18.5kW的电动机,目前为进口产品;后者额定电压380/415V时短路分断能力15/20kA,脱扣器额定电流为1.6A~63A,适用于0.55kW~30kW的电动机,目前为国产产品,体积小,可用于供电末端的电动机回路;
fkswng仪表用一张图表把上述断路器适用的的功率段罗列如下,方便大家选型。

单磁断路器与接触器、过载保护器组成的三元器件方案用于电动机回路非常常见。例如供电连续性高的场合要求热继电器跳闸后能自复位运行(热继电器具有自复位功能)。还比如GB55024-2022建筑电气与智能化通用规范中对于消防泵回路要求过载报警不跳闸,会采用单磁断路器+接触器+热继电器的组合,热继电器的常闭点不再接入接触器线圈控制回路,其常开触点可以接入报警回路;有的电动机回路不仅仅要求过载保护,还要求堵转保护、相不平衡保护、PTC热保护等,此时需要用到马保,单磁断路器与接触器、马保组成了电动机保护三元器件。
3、符合GB14048.4标准过载保护特性的断路器
符合GB14048.4标准过载保护特性的断路器通常与接触器组成电动机保护的两元器件组合,该类型断路器的过载保护特性与热继电器一致,适用于为电动机提供过载保护,所以无需额外配置热继电器。

施耐德常用的具有过载和短路保护的电动机保护断路器如上图,它们的主要特点如下:
①NSX100/160/250/400/630-Mic 2.2/2.3M/6E-M的特点是:额定电压380/415V时短路分断能力36/50/70/100/130kA可选,脱扣器额定电流从25A~500A,适用于7.5kW~300kW的电动机;
②GV2ME/PM的特点是:额定电压380/415V时短路分断能力15~100kA,脱扣器额定电流为0.1A~32A,适用于0.06kW~15kW的电动机,体积小分断能力高,在小电流功率段相对于NSX断路器更适合于安装在低压抽屉柜的8E/4抽屉,目前为国产产品;
③GV3P的特点是:额定电压380/415V时短路分断能力50/100kA,脱扣器额定电流为9A~80A,适用于5.5kW~45kW的电动机,体积小分断能力高,在小电流功率段相对于NSX断路器更适合于安装在低压抽屉柜的8E/4抽屉,目前都为进口产品;
④GV4PE/P的特点是:额定电压380/415V时短路分断能力25/50/100kA,脱扣器额定电流为25A~80A,适用于0.25kW~55kW的电动机,目前都为进口产品;
汇总上述断路器对应的功率段如下图:

4、总结
电动机回路的元器件可以配置三元器件组合或两元器件组合,即:瞬时保护或单磁断路器+接触器+过载继电器,具备过载和短路保护的配电保护断路器+接触器+过载继电器,具备过载和短路保护的电动机断路器+接触器。
为电动机回路提供短路保护的断路器,可以是只有磁保护或瞬时保护的断路器(例如GV2L或NSX Mic 1.3M等),也可以是热磁式或电子式电动机保护断路器(如GV2P或NSX Mic 2.2M等),还可以是配电保护型断路器(如iC65L或NSX TMD等)。
GB14048.4-2020版本相对于之前的2010版,最大的变化是把符合GB14048.2标准具备过载和短路保护的配电保护断路器选作电动机的短路保护元器件,所以只要是符合GB14048.2的断路器,无论是单磁还是热磁式或电子式,无论是塑壳断路器还是微型断路器,在一定条件下,都可以在电动机回路用作短路保护。
相关阅读
◆教你区分中间继电器和接触器
◆教你学会接触器电流计算及交流接触器的选用
