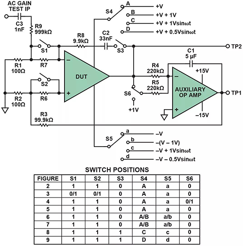
通过使用伺服环路,可以大大简化测量过程,强制放大器输入调零,使得待测放大器能够测量自身的误差。图1显示了一个运用该原理的多功能电路,它利用一个辅助运放作为积分器,来建立一个具有极高直流开环增益的稳定环路。开关为执行下面所述的各种测试提供了便利。

图1 基本运算放大器测量电路
图1所示电路能够将大部分测量误差降至最低,支持精确测量大量直流和少量交流参数。附加的“辅助”运算放大器无需具有比待测运算放大器更好的性能,其直流开环增益最好能达到106或更高。如果待测器件(DUT)的失调电压可能超过几mV,则辅助运放应采用±15V电源供电(如果DUT的输入失调电压可能超过10mV,则需要减小99.9 kΩ电阻R3的阻值。)
DUT的电源电压+V和–V幅度相等、极性相反。总电源电压理所当然是2×V。该电路使用对称电源,即使“单电源”运放也是如此,因为系统的地以电源的中间电压为参考。
作为积分器的辅助放大器在直流时配置为开环(最高增益),但其输入电阻和反馈电容将其带宽限制为几Hz。这意味着,DUT输出端的直流电压被辅助放大器以最高增益放大,并通过一个1000:1衰减器施加于DUT的同相输入端。负反馈将DUT输出驱动至地电位。(事实上,实际电压是辅助放大器的失调电压,更精确地说是该失调电压加上辅助放大器的偏置电流在100kΩ电阻上引起的压降,但它非常接近地电位,因此无关紧要,特别是考虑到测量期间此点的电压变化不大可能超过几mV)
测试点TP1上的电压是施加于DUT输入端的校正电压(与误差在幅度上相等)的1000倍,约为数十mV或更大,因此可以相当轻松地进行测量。
理想运算放大器的失调电压(Vos)为0,即当两个输入端连在一起并保持中间电源电压时,输出电压同样为中间电源电压。现实中的运算放大器则具有几微伏到几毫伏不等的失调电压,因此必须将此范围内的电压施加于输入端,使输出处于中间电位。
图2给出了最基本测试-失调电压测量的配置。当TP1上的电压为DUT失调电压的1000倍时,DUT输出电压处于地电位。

图2 失调电压测量
理想运算放大器具有无限大的输入阻抗,无电流流入其输入端。但在现实中,会有少量“偏置”电流流入反相和同相输入端(分别为Ib–和Ib+),它们会在高阻抗电路中引起显著的失调电压。根据运算放大器类型的不同,这种偏置电流可能为几fA(1fA=10-15A,每隔几微秒流过一个电子)至几nA;在某些超快速运算放大器中,甚至达到1~2μA。图3显示如何测量这些电流。

图3 失调和偏置电流测量
该电路与图2的失调电压电路基本相同,只是DUT输入端增加了两个串联电阻R6和R7。这些电阻可以通过开关S1和S2短路。当两个开关均闭合时,该电路与图2完全相同。当S1断开时,反相输入端的偏置电流流入Rs,电压差增加到失调电压上。
通过测量TP1的电压变化(=1000Ib–×Rs),可以计算出Ib–。同样,当S1闭合且S2断开时,可以测量Ib+。如果先在S1和S2均闭合时测量TP1的电压,然后在S1和S2均断开时再次测量TP1的电压,则通过该电压的变化可以测算出“输入失调电流”Ios,即Ib+与Ib–之差。R6和R7的阻值取决于要测量的电流大小。
如果Ib的值在5pA左右,则会用到大电阻,使用该电路将非常困难,可能需要使用其它技术,牵涉到Ib给低泄漏电容(用于代替Rs)充电的速率。当S1和S2闭合时,Ios仍会流入100Ω电阻,导致Vos误差,但在计算时通常可以忽略它,除非Ios足够大,产生的误差大于实测Vos的1%。
运算放大器的开环直流增益可能非常高,107以上的增益也并非罕见,但250,000到2,000,000的增益更为常见。直流增益的测量方法是通过S6切换DUT输出端与1V基准电压之间的R5,迫使DUT的输出改变一定的量(图4中为1V,但如果器件采用足够大的电源供电,可以规定为10V)。如果R5处于+1V,若要使辅助放大器的输入保持在0附近不变,DUT输出必须变为–1V。

图4 直流增益测量
TP1的电压变化衰减1000:1后输入DUT,导致输出改变1V,由此很容易计算增益(=1000×1V/TP1)。
为了测量开环交流增益,需要在DUT输入端注入一个所需频率的小交流信号,并测量相应的输出信号(图5中的TP2)。完成后,辅助放大器继续使DUT输出端的平均直流电平保持稳定。

图5 交流增益测量
图5中,交流信号通过10,000:1的衰减器施加于DUT输入端。对于开环增益可能接近直流值的低频测量,必须使用如此大的衰减值。(例如,在增益为1,000,000的频率时,1V rms信号会将100μV施加于放大器输入端,放大器则试图提供100V rms输出,导致放大器饱和。)因此,交流测量的频率一般是几百Hz到开环增益降至1时的频率;在需要低频增益数据时,应非常小心地利用较低的输入幅度进行测量。所示的简单衰减器只能在100kHz以下的频率工作,即使小心处理了杂散电容也不能超过该频率。如果涉及到更高的频率,则需要使用更复杂的电路。
运算放大器的共模抑制比(CMRR)指共模电压变化导致的失调电压视在变化与所施加的共模电压变化之比。在DC时,它一般在80dB至120dB之间,但在高频时会降低。
测试电路非常适合测量CMRR(图6)。它不是将共模电压施加于DUT输入端,以免低电平效应破坏测量,而是改变电源电压(相对于输入的同一方向,即共模方向),电路其余部分则保持不变。

图6 直流CMRR测量
在图6所示电路中,在TP1测量失调电压,电源电压为±V(本例中为+2.5V和–2.5V),并且两个电源电压再次上移+1V(至+3.5V和–1.5V)。失调电压的变化对应于1V的共模电压变化,因此直流CMRR为失调电压与1 V之比。
CMRR衡量失调电压相对于共模电压的变化,总电源电压则保持不变。电源抑制比(PSRR)则相反,它是指失调电压的变化与总电源电压的变化之比,共模电压保持中间电源电压不变(图7)。

图7 直流PSRR测量
所用的电路完全相同,不同之处在于总电源电压发生改变,而共模电平保持不变。本例中,电源电压从+2.5V和–2.5V切换到+3V和–3V,总电源电压从5V变到6V。共模电压仍然保持中间电源电压。计算方法也相同(1000×TP1/1V)。
为了测量交流CMRR和PSRR,需要用电压来调制电源电压,如图8和图9所示。DUT继续在直流开环下工作,但确切的增益由交流负反馈决定(图中为100倍)。

图8 交流CMRR测量

图9 交流PSRR测量
为了测量交流CMRR,利用幅度为1V峰值的交流电压调制DUT的正负电源。两个电源的调制同相,因此实际的电源电压为稳定的直流电压,但共模电压是2V峰峰值的正弦波,导致DUT输出包括一个在TP2测量的交流电压。
如果TP2的交流电压具有xV峰值的幅度(2xV峰峰值),则折合到DUT输入端(即放大100倍交流增益之前)的CMRR为x/100\ V,并且CMRR为该值与1V峰值的比值。
交流PSRR的测量方法是将交流电压施加于相位相差180°的正负电源,从而调制电源电压的幅度(本例中同样是1V峰值、2V峰峰值),而共模电压仍然保持稳定的直流电压。计算方法与上一参数的计算方法非常相似。
当然,运算放大器还有许多其它参数可能需要测量,而且还有多种其它方法可以测量上述参数,但正如本文所示,最基本的直流和交流参数可以利用易于构建、易于理解、毫无问题的简单基本电路进行可靠测量。
相关阅读
◆仪表工初识集成运算放大器
◆一支热电偶能否连接多台显示仪表
◆多路模拟电子开关和可编程增益放大器在数显表中的应用
