
上图是一个经典教材里的控制方案设计案例。最近在一个群里进行了热烈讨论。很多讨论的焦点都是工艺合理性和方案充分性。应该说这些讨论的视角都是非常准确的,而且更加根本。在实际控制方案设计中这些讨论也是非常必要的。
作为过程控制的教材的案例,往往都是侧重某一部分的练习题,肯定不是实际工艺设计。为了突出控制方案,必然要做必要的抽象和简化。如何才能从控制方案简图中获得教材希望传达的信息呢?工艺流程和控制要求又是什么呢?本文讲讲如何理解控制简图。
1、找到控制方案:LC分程控制、FC分程控制、V100被LC和FC超驰控制。
2、理解设计意图:LC高于设定值V110控制液位,V100控制流量,V200全关。LC低于设定值V110全关,V100控制液位,V200控制流量。
3、确定控制要求:FC流量去下游固定,上游来料不能控制,缓冲罐能力不足需要储罐缓冲。
4、发现设计问题:分程+超驰会导致分程控制切换MV时有失控期。缓冲罐没有缓冲。
5、改进设计方案:FC用V100控制,高液位用V110控制,低液位用V200控制。三个单回路至简至优。

很多时候,如果没有必要的工艺需求和工艺条件的描述是很难仅仅通过简图进行判断的。
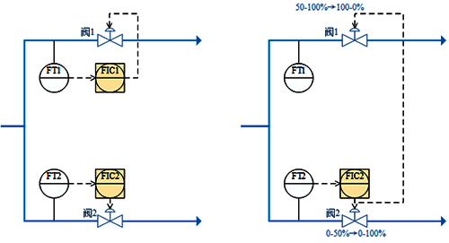
我们可以试着用这个方法对上面两个流程进行分析:
1、找到控制方案:左边方案两个单回路,右边方案一个流量分程控制。
2、理解设计意图:左边方案两个流量设定值控制、右边方案流量阀1全开先用阀2控制,阀2全开后用阀1控制。
3、确定控制要求:左边方案总量不限独立流量控制、右边方案最小阻力下支路流量控制。
4、发现设计问题:无。
5、改进设计方案:无。
如果没有任何说明,都是单回路的控制简图很难说有什么问题,至简至优改进的可能较小。如果增加总量受限工艺条件则左边方案设计不合理,如何增加流量成比例工艺要求则右边方案设计不充分。
至简至优的控制方案,会随着需求、条件、约束等的改变而随机应变。所以增加这些关于需求、条件、约束的描述才能设计合理的控制方案。如果没有这些信息就要从原方案里去分析。
如果超驰、分程、阀位出现了任意2个往往都不是控制方案都不是至简至优。
简单的不一定对,复杂的一定不对。
案例如上所示。这个方案就是热旁路控制温度然后阀位控制优化的加强版。这个方案中使用了交叉分程控制、大小阀、阀位控制、串级控制等各种眼花缭乱的复杂控制策略。可惜适用范围不对,控制方案基本无效。
作者:冯少辉博士
