按串级控制设计准则:
①排液流量已经用传感器测量;
②控制液位的阀门(最终控制元件)也可以控制排液流量;
③扰动影响液位控制,也会影响排液流量;
④排液流量对阀门位置变化的响应。
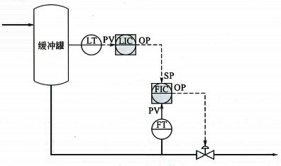
图1为液位排液流量串级控制示意图。串级控制有两个PID控制器(液位控制器和排液流量控制器),两个测量传感器(测量液位和排液流量)和一个最终控制元件(排液管线上的调节阀)。

图1 缓冲罐液位串级控制
驱动设定值的PID控制器(液位控制器)称为主控制器。接收设定值的PID控制器(排液流量控制器)称为副控制器。副控制器仅控制副过程变量,形成副控制回路。主控制器控制一个由副回路和主过程变量组成的广义过程。可以明显看出,副控制器的整定会影响主控制器控制的广义过程的动态特性。所以串级控制PID参数整定应该从副控制器开始整定,然后将副控制器置于串级控制模式,再整定主控制器。
