气缸在工业生产线上较常见,仪表工了解气缸种类、气缸各项指标的计算、气动电磁阀的流量曲线的识别和选型和气动回路设计相关知识,在生产线维护和维修过程中会有帮助。
1、气缸的种类
气缸是将压缩空气的压力能转换成机械能,驱动机构实现往复直线运动、摆动或回转运动。
①标准气缸
标准气缸是常见的起动设备,适合场景广泛,结构简单,价格实惠。有如下优点:
1)自调节气动终端位置缓冲、标准型材,带两个传感器槽、固定附件品种丰富,可以满足几乎任何安装情况。
2)可选配带锁紧和不带锁紧,带锁气缸可在任意位置停止。
3)最大缸径可达125mm,行程也可达到2800mm,可定制加长活塞杆。

②圆形气缸。
具有相同行程(行程最长200mm,缸径最大25mm),但结构更薄,长度更短,非常适合狭小的安装空间(缸径最多缩小了40%,总长度最多缩短了3.5cm)。重量轻、自调节气动终端位置缓冲,并可以自适应负载和速度变化进行最优调节,适合低中速,低负载和低冲击场合。

③紧凑型气缸
重量轻,安装空间小,无需安装附件即可直接安装在夹具和设备上(最大缸径63mm,最长行程75mm);小型运动的理想选择、带内螺纹或外螺纹的活塞杆。

④导向杆气缸
具有精确的导向和极大的扭矩和侧向力吸收以及坚固紧凑的结构。它适用于夹紧、提升和阻挡应用;驱动器和导轨位于一个壳体中、扭矩和剪切载荷高、滑动导轨或循环滚珠轴承导轨;基本型气缸行程可达200mm,缸径最大做可做到100mm;选型时,需注意载荷重心不在中心导致的弯矩是否满足要求。

⑤无杆气缸
无杆气缸分为磁耦式与机械式。

1)磁耦式无杆气缸
磁耦式气缸运动是利用空心活塞杆内的永磁铁带动活塞杆外的另一个磁铁运动来实现的。
磁耦无杆气缸优点:
a、整体安装尺寸小,轴向空间小,大约比标准气缸节省轴向空间44%;
b、磁耦无杆气缸推力和拉力两端活塞面积相等,因此推力和拉力相等,容易实现中间定位;
c、因为磁偶无杆气缸外部滑块没有动密封件,无外部泄漏。
磁偶无杆气缸缺点:
a、承受负载较小,适合装载小型工件或机械手来动动作,如果速度快(500mm/s以上),负载高时内外磁环易脱开。需要查询其质量与速度的特性曲线;
b、磁耦基本型来回动作时,可能会出现滑块转动,必须加导杆导向装置,或者选用带导杆型磁耦无杆气缸;
c、标准气缸的内径与行程之比一般不大于1/15,而无杆气缸内径与行程之比可达1/100左右,行程最长生产到3m。
2)机械式无杆气缸
无杆气缸缸筒轴向开有槽,活塞与滑块在槽上部移动。密封带和防尘不锈钢带固定在两端缸盖,活塞架穿过槽,活塞与滑块连成一体,带动执行机构实现往复运动。
机械式无杆气缸的优点:
a、与普通气缸相比,在同样行程下可缩小1/2安装位置;
b、不需设置防转机构;
c、适用于缸径10~80mm,最大行程在缸径≥40mm时可达7m;
d、速度高,标准型可达0.1~0.5m/s,高速型可达到0.3~3.0m/s。
机械式无杆气缸的缺点:
a、密封性能差,容易产生外泄漏。在使用三位阀时必须选用中压式;
b、受负载力小,为了增加负载能力,必须增加导向机构。

⑥滑台气缸
滑台气缸分为单轴滑台和双轴滑台。单轴滑台气缸由于采用了刚度好的直线导轨,其允许力矩最多提高了2倍;双轴滑台气缸由两个双杆双作用气缸并联构成,动作原理与普通气缸相同,两个气缸腔室之间通过中间缸壁上的导气孔相通,以保证两个气缸同步动作。双杆滑台气缸的特点是缸的输出力增加一倍,抗弯曲抗扭转能力强、承载能力强、外形轻巧、节省安装空间。
滑台气缸缺点:
1)价格相对较贵;
2)运动精度较差,无法满足一些高精度的工业要求。
3)工作时会发出较大的噪声,不适用于噪声敏感的生产环境。
4)耗损件较多,需要定期更换,维护成本较高。

⑦摆动气缸
摆动气缸又称摆动气马达,是输出轴作往复摆动的一种气动执行元件。
摆动气缸的结构较连续旋转的气马达结构简单,但摆动气马达对冲击的耐力小,故常需采用缓冲机构或安装制动器以吸收载荷突然停止等产生的冲击载荷。
按结构不同,摆动气缸可分为叶片式和活塞式两类。工作时,前者靠压缩空气驱动叶片带动传动轴(输出轴)往复摆动;后者靠压缩空气驱动活塞直线运动带动传动轴(输出轴)摆动;摆动气缸的摆动角度可以在360°以内,也可大于360°,常用摆动气缸的最大摆动角度有90°、180°、270°等三种规格。

⑧旋转下压气缸
旋转夹紧气缸由于在活塞或活塞杆上开有导轨槽,在气压作用下,导向件在导轨槽内,迫使活塞(杆)带动夹紧手指完成摆动和直线组合动作。一般有向左或向右摆动两种形式。旋转夹紧气缸具有结构简单坚固、使用寿命长、安装维护费用低、摆动方向及角度便于调控等特点。
2、气缸各项指标的计算
气缸的常用主要性能参数:输出力和效率、速度、使用压力范围、耗气量。
①气缸受力计算:


P表示气缸充气压力,D表示缸径,d表示活塞杆的大小; 气缸的效率η随缸径及工作压力的增大而增大,通常η=0.8~0.9。
②气缸速度计算:
由于气体的可压缩性,欲使气缸保持准确的运动速度比较困难,故其速度通常指平均速度。可按下式计算:
V=L/t
L为为气缸行程; t为为气缸的执行动作时间。
标准气缸在一般工作条件下的使用速度范围大多是50~500mm/s。
1)若速度小于50mm/s,由于气缸摩擦阻力的影响增大,加上气体的可压缩性,不能保证活塞做平稳移动,会出现时走时停的爬行现象。
2)若速度大于1000mm/s,气缸密封件的摩擦生热加剧,加速密封件磨损,造成漏气,寿命缩短,还会加大行程末端的冲击力,影响气缸的寿命。
3)欲使气缸在很低速度下工作,可采用低速气缸。但缸径越小,低速性能越难保证,这是因为摩擦阻力相对气压推力影响较大的缘故,通常缸径为32mm的气缸可在低速5mm/s无爬行运行。
4)如需更低的速度或在变载的情况下,要求气缸平稳运动,则可使用气液阻尼缸或通过气液转换器,利用液压缸进行低速控制。
5)如需气缸在更高速度下工作,需加长缸筒长度、提高缸筒的加工精度,改善密封件材质以减小摩擦阻力,改善缓冲性能等,同时要注意气缸在高速运动终点时,确保缓冲来减小冲击。
③气缸使用压力范围:
气缸使用压力范围是指保证气缸正常工作的供给压力范围。双作用气缸的工作压力范围一般为0.05~0.7MPa,而单作用气缸一般为0.15~0.7MPa,耐压一般在1MPa;在确定气缸工作压力范围时,还应考虑换向阀的工作压力范围,一般换向阀工作压力范围为0.15~0.8MPa或0.25~1MPa(也有硬配阀为0~1MPa) 。
④气缸最大耗气量计算:
按照气缸运行时的最大速度来计算需要的耗气量。
⑤气管的流量计算:
0.5MPa压力下气管流量近似公式:Q=CV×1000≈55.55S(L/min),S表示气管内径截面积,前提条件是在气管长度不长的情况下。
如果在使用过程中,气管(12mm含以下)到执行元件的距离很长8m以上,如果执行元件的最大耗气量很大,那么气管会产生节流现象,唯一的办法就是加大气管直径。
3、气动电磁阀的流量曲线的识别和选型
具体有哪些电磁阀种类,中封电磁阀的使用在气缸使用过程中是最为常用的,因为中封电磁阀可在突然断气的情况下,保证运动机构停止,避免造成人员损伤。
声速流导C和临界压力比b来表示流量特性;




Q:空气流量[dm3/min(ANR)]、SI单位的dm3(立方分米)与l(升)的关系是1dm3=1l。
C:声速流导[dm3/(s.bar)]
b:临界压力比[一]
P1:上游压力[MPa]
P2:下游压力[MPa]
t:温度[℃]

以三位五通电磁阀SY3320-5DZD-M5为例,查表可知其C=0.48dm³/(s·bar),b=0.46;
按照壅塞流动计算公式可以知道最大流量Qmax=600*0.48*(0.6+0.1)=201.6L/min;
再根据表1压缩比0.6/0.7≈0.86,b=0.46,可以知道流量=最大流量*流量比=Q=0.7*201=140.7L/min。
三联件的气流量计算

流量特性曲线的前提是进口压力为1mpa/0.7MPa,出口压力为0.8~0.1MPa的前提下打开开关阀门,测量所得三联件的流量变化曲线图。
经验值一般取压降值为0.05~0.1MPa的流量值为该三联件的流量值。
如AC30-D三联件在进口压力1MPa,出口压力在0.7MPa,压降0.05~0.08MPa的情况下,那么三联件流量值为1000L/min~2000L/min。
三联件流量一般取最大值和最小值的平均值。
4、气动回路设计

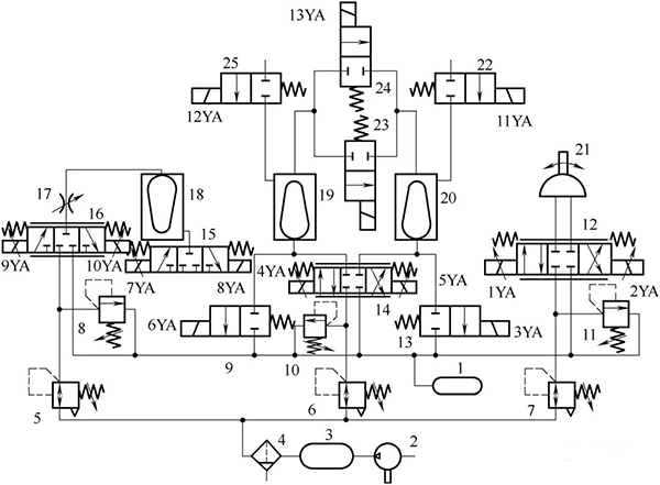
气控式水下滑翔机气动系统原理图
1为低压舱;2为空压机;3为高压舱;4为过滤器;5~7为减压阀;8,10,11为溢流阀;9,13为二位二通电磁排气开关阀;12,14为三位四通电⁃气比例方向阀;15为三位三通电磁充排液换向阀;16为三位三通电⁃气比例方向阀;17为节流阀;18为浮力舱;19为前姿态舱;20为后姿态舱;21为摆动气缸;22~25为二位二通电控充排液开关阀。
根据执行元件的最大耗气量,可以推算出电磁阀需要的流量,再根据流量和功能选择电磁阀型号,在根据阀需要的流量和长度选择合适大小的气管,最后在根据耗气量选择出合适的三联件。
一步步倒推,来选择气动元件。
5、气缸的缺点
如果气缸带动的负载是变载荷,那么在运行的过程中可能会出现爬行现象,也就是突然的加速,因为气体是可被压缩的。
