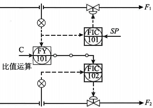
双闭环比值构成(相乘方案)如下图所示。

比值控制系统特点
1、开环比值控制系统
开环比值控制系统对副流量无抗干扰能力;该方案仅适用于副流量的管线压力比较稳定,对比值精度要求不高的场合。优点:结构简单、投资少。

2、单闭环比值控制系统
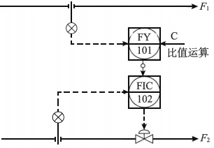
单闭环比值控制系统能实现副流量跟随主流量的变化,且可以克服副流量本身扰动对比值的影响,主、副流量的比值较为精确。该方案结构较简单,仪表投资较少,被大量应用于生产过程控制。缺点:单闭环比值控制系统虽能保持两种物料量的比值一定,但主流量不受控制,当主流量变化时,总物料量会跟随变化,故在总物料量要求控制的场合,单闭环比值系统就不能满足要求。

3、双闭环比值控制系统
双闭环比值控制系统在单闭环比值控制系统的基础上增设主流量控制回路,能够克服主流量干扰的影响,能够实现精确地流量比值关系。优点:升降负荷比较方便,当缓慢改变主流量控制器的给定值就可升降主流量,副流量会主动跟踪主流量的变化,并保持比值不变。缺点:结构较复杂,使用仪表较多,投资较高,投运及维护较烦琐。

4、可变比值控制系统
可变比值控制系统的比值是变化的,是以比值控制系统作为副回路的串级控制系统。特点是比值系统中所需控制的两种物料的比值随第三个参数变量的需求而发生变化;一般为控制器的输出;具有较强克服副流量回路干扰能力。

比值控制系统适用性
①开环比值控制系统:该方案无法控制副流量的波动,比值精度低,已很少在生产过程中使用。
②单闭环比值控制系统:适用于主流量在工艺上不允许或不可进行控制的场合;不适合负荷变化幅度较大、干扰较大的场合。
③双闭环比值控制系统:适用于主流量干扰频繁、工艺上不允许负荷有较大波动或工艺上经常需要升降负荷的场合。
④可变比值控制系统:适用于生产过程中需要由另一个控制器进行调节比值或当采用成分、质量偏差作为控制指标需调节比值的场合。
比值控制系统应用注意
①主流量、副流量的选择:将主要物料的流量作为主流量;副流量必须可测且可控;从工艺过程的安全要求来考虑。
②开方运算的应用:在采用差压仪表测量流量时,当被控的比值要求不高且负荷变化不大的场合,可不采用开方运算。
③温度压力补偿:当采用差压式流量计测量气体流量时,对温度和压力较高、变化较大、比值控制精度要求高的场合,应对气体流量进行温压补偿。
④主副流量的逻辑提降负荷:在比值控制系统中,副流量的变化始终是落后于主流量。在需要生产负荷经常提降时,且要求在提降过程中主副流量的比值要保持在一定值或有次序要求,应设置相关逻辑提降运算单元。
实现比值控制离不开性能优越的比值控制器,fkswng仪表专业生产用于工业流程控制的PID调节器,大家可到产品中心去看看。
相关阅读
◆细说比值控制和前馈控制
◆怎样通过口诀来认识比值控制系统的比值系数计算方法
