石油化工生产企业大都具有高温、高压、易燃、易爆、易中毒的特点,而储罐是每个石化企业储存各类化学介质必不可少的重要设备。这些化学介质有不少属于易燃、易爆介质,如液氨、一氧化碳、二甲醚、甲醇等危险化学品。
国家安监总局于2017年发布《化工和危险化学品生产经营单位重大生产安全事故隐患判定标准(试行)》,多个省份对其进行深度分析,并形成了《化工企业本质安全诊断治理验收检查细则》,细则中明确提出:“带有高液位联锁功能的可燃液体和剧毒液体储罐应配备两种不同原理的液位计或液位开关,高液位联锁测量仪表和基本控制回路液位计应分开设置。压力储罐液位测量应设一套远传仪表和就地指示仪表,并应另设一套专用于高高液位或低低液位报警并联锁切断储罐进料(出料)阀门的液位测量仪表或液位开关”。河南心连心化学工业集团股份有限公司其中设有一套一氧化碳生产装置,配备的一氧化碳储罐设有两台差压式液位计,其中一台作为指示仪表进入DCS控制系统,另外一台进入SIS系统,参与联锁切断功能的实现。因此,目前的液位测量装置不符合当地政策要求,需要进行改造。
1、液位计选型
1.1 石化行业常用液位计的特点分析
在化工生产过程中,及时得到各类容器内的液位高度是十分重要的。液位计作为化工自动化生产中的重要仪表传感器设备,在不同的生产场合选择一款合适的液位计十分必要。适用于石油化工行业的液位计有很多种类,在对比各种液位计的优缺点、测量原理的差异,按应用场合择优选择最合适的液位计。

1.2 外贴式超声波液位计的工作原理及特点分析
外贴式超声波液位计采用声波测距原理,利用微振动分析技术,是一种从容器外部测量液位的液位仪表。
声波测距原理:由安装在容器底部的测量探头发射声波,穿透容器壁后在介质内传播,当声波到达液面后,声波在液面发生反射形成回波信号,回波信号到达容器底部,再次穿透容器壁,测量探头将接收到的回波信号发送给表头。表头根据测量探头从发射到接收到声波的时间差,从而计算出液位高度。
微振动分析技术原理:在实际生产过程中,液位测量可能会受到容器内的内件、盘管、工艺介质的粘稠度、杂质、温度变化等综合因素的影响,使测量探头接收到的回波信号变复杂,微振动分析技术会自动判断正确的液位信号来解决回波干扰的问题。
自动校正功能:当介质的温度或组分发生变化时,会影响声波信号在介质中的传播速度,产生测量误差。为保证外贴式超声波液位计的测量精度不受影响,可通过加装校正探头。由于从校正探头到容器壁之间的距离是恒定的,所以利用校正探头可测量出当前工况下声波在介质中的实际传播速度,外贴式超声波液位计表头自动对液位的测量结果进行补偿修正,消除介质温度和组分变化对测量精度的影响。
外贴式超声波液位计无需在容器或储罐上开孔,不接触容器内的介质,探头直接磁吸或胶粘在容器或储罐外壁上,由测量探头发射和接收声波信号,信号穿透容器外壁在介质中形成回波来实现测距。
外贴式超声波液位计优点如下:
①无需在容器上开孔,可在不影响生产的情况下进行安装、调试,安装方便。
②不接触容器内部介质,安全性较高,适合多数工况要求,维护量小。
③测量量程宽广,最高可达50m,测量精度高。
④远传输出4-20mA信号和开关量报警输出,自带显示屏,可现场显示液位。
1.3 一氧化碳储罐新增液位计选型
目前,大部分常规型的液位计都需要在罐体上开孔,如果开孔的话,需要厂家重新计算并提供图纸并向锅检所报批备案,程序比较复杂。河南心连心化学工业集团股份有限公司的一氧化碳生产装置长年处于生产运行状态,不能停工动火,不具备清罐冲洗置换的安装条件。经过对目前工业用的各类液位计的分析,发现绝大多数的液位计都是需要与介质直接接触,或者传感器部分安装在容器内部,也就是必须在容器上安装阀门或者通过法兰连接。考虑到现场的实际生产运行情况,最终决定选择外贴式液位计进行改造。该液位计可连续测量,稳定性好,可靠性高,安装简便,可在不停车、不清洗置换、不动火的前提下进行安装,符合当前的改造安装条件。
2、现场安装改造
2.1 现场一氧化碳储罐情况
河南心连心化学工业集团股份有限公司的一氧化碳储罐设有一台进料气动切断阀和一台出料气动切断阀,气动切断阀由SIS系统根据设置好的联锁逻辑控制其打开和关闭。当液位达到高高指标时,联锁关闭进料切断阀;当液位达到低低指标时,联锁关闭出料切断阀。目前该储罐设置有两台差压式液位计,其中一台作为指示仪表进入DCS控制系统,另外一台进入SIS系统,参与上述联锁切断功能的实现。
2.2 外贴式液位计结构
外贴式液位计由测量探头、校正探头和表头3部分组成(如图1)。表头固定安装在位于立罐旁边的2寸立柱上,表头将测量探头输入的信号进行分析计算后,转换成4-20mA标准信号送入控制系统。

图1 外贴式超声波液位计结构示意图
测量探头安装在立罐底部,且测量探头必须与被测液面垂直,远离出液管道和排污管道。声波信号从测量探头发射出去,经过液面反射后接收回波信号,回波信号送入表头,由表头内的CPU计算出液面高度,计算关系式如下:h=act/2,其中:h为液位高度;a为修正系数;c为声波在介质中传播的声速;t为声波从发射到返回所用的时间。
校正探头安装在立罐的侧面,主要作用是对测量探头测得的液位高度进行补偿。当一氧化碳的温度发生变化时,会对测量探头发出的声波信号在介质中的传播速度产生影响,带来测量误差,立罐的直径是固定的,利用校正探头得到声波在介质中的实际传播速度,消除介质温度变化对测量精度的影响。
2.3 现场安装改造
此次新增的外贴式液位计属于安全整改项目,即用本次新增的外贴式液位计替代原来已投用的其中一台差压式液位计,且原来的差压式液位计表头的安装形式与本次整改所用外贴式液位计表头安装形式一样。因此,现场更换液位计时,只需要把原液位计的根部阀门关闭,然后将原液位计的取压管和表头拆下,利用原有的2寸安装立柱,将外贴式液位计表头安装于立柱上即可。外贴式液位计和原差压式液位计都属于二线制仪表,不需要敷设电源电缆,将原差压变送器的信号电缆直接接入外贴式液位计的供电端子即可。鉴于外贴式液位计独特简便的安装形式,整个改造过程不涉及动火作业和高处作业,大大降低了改造过程中的作业风险。

图2 外贴式超声波液位计安装示意图
2.4 安全仪表系统控制逻辑介绍
安全仪表系统(SIS系统),也称紧急停车系统,用于监视生产装置或独立单元的操作,如果生产过程超出安全操作范围,可以使其进入安全状态,确保装置具有一定的安全度。
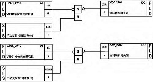
河南心连心化学工业集团股份有限公司的一氧化碳储罐属于“两重点一重大”(重点监管危险化工工艺、重点监管危险化学品和危险化学品重大危险源)的范畴。该储罐经过重大危险源辨识和计算后,确定该储罐为4级重大危险源。根据国家安监总局的要求:所有涉及“两重点一重大”的危险化学品储存设施要设计符合要求的安全仪表系统。为响应政策要求,提高一氧化碳生产装置的本质安全,一氧化碳储罐在原始设计和施工安装时,已有一套安全仪表系统,其控制逻辑如图3。

图3一氧化碳储罐SIS控制逻辑
经HAZOP分析(危险与可操作性分析)和LOPA分析(保护层分析)后得出SIL定级报告,确认涉及到一氧化碳储罐SIF回路的安全完整性等级为SIL1级,按照《石油化工安全仪表系统设计规范》中的要求,可采用单一的液位测量仪表和单一的气动控制阀参与SIS联锁逻辑控制。现场进料切断阀和出料切断阀的电磁阀采用常带电的控制模式,当一氧化碳储罐液位达到高高指标后,进料切断阀的电磁阀线圈失电,联锁关闭进料切断阀,防止继续进料导致液位升高。当一氧化碳储罐液位达到低低指标后,出料切断阀的电磁阀线圈失电,联锁关闭出料切断阀,防止继续出料导致液位过低。联锁关闭切断阀后,只有当液位回归到正常指标后,才能通过SIS操作画面上的复位按钮打开切断阀,保证设备安全。除了联锁关闭切断阀的自控控制模式外,也可以通过SIS系统辅操台上的急停按钮或SIS操作画面上的关闭按钮手动关闭气动切断阀。
该SIS联锁逻辑的测量仪表采用的是单晶硅差压变送器,其原理是当液位高低发生变化时,液相侧(正压侧)和气相侧(负压侧)之间的压力差也随之发生线性变化,通过差压式变送器测得的正负压侧间的压差值输出4-20mA标准信号输入给SIS系统,从而计算出实时液位。差压变送器是目前很成熟的技术,鉴于其精度高、可靠性高、稳定性好、使用寿命长的优点,广泛应用到石化、医药、食品、钢铁等多个领域。公司的一氧化碳储罐内的介质无杂质、颗粒和悬浮物,完全符合差压式变送器的安装使用条件,并且该变送器已取得SIL认证,可以利用到安全仪表系统中。为降低安装使用成本和后期维护量,经过综合考虑,本次改造新增的外贴式液位计只引入到DCS系统作为指示仪表,涉及SIS系统的液位测量仪表保持不变。
3、结束语
外贴式超声波液位计因其安装简便,无需在容器上开孔作业,与介质完全隔离,属于非接触式液位测量仪表,消除了液位计受介质腐蚀、结晶等带来的负面影响。同时,在不具备停车冲洗置换条件的情况下,可在线安装,降低安装成本,减少维护工作量。在易燃易爆的场合下使用,减少静密封面泄漏的风险点,保证河南心连心化学工业集团股份有限公司一氧化碳生产装置的安全生产和企业的长周期安全稳定运行。
作者:王丽、荆焕雷、李国明
