
1、故障现象一
测量组分氢气(H2)突然变为零,一直无法恢复。由于执行了归一化,其它组分也受到影响。
归一法是指通过已知组分浓度的外部标定标准,通常指标准物资来计算全部峰面积,由此确定每个组分峰面积的百分比。
结合调试报告,判断为取样阀1#未打开,导致没有样品送入检测器所致。对控制1#阀开关的电磁阀进行了测试,手动动作时并没有发出“咔”的声音,阀气指示压力表指针也没有轻微地偏转,问题基本锁定在电磁阀不动作导致1#取样阀没有打开。
综合近年ABB PGC2000 Series E2气相色谱仪出现过的故障现象及处理的经验来看,问题有以下几种可能性:
①控制开关的电磁阀卡涩。解决方法:解体电磁阀,使用酒精清理内部杂质。如果卡涩不是很严重,电磁阀会出现开关不到位的情况,此时样品阀处于半开状态,测量值明显波动。
②电磁阀未上电,导致不动作。解决方法:首先,测量电磁阀的通道端子是否有115VDC供到,如果没有再测量电磁阀控制板上电源端子是否有115VDC。如果没有,则所有的电磁阀都无法得电动作。
③电磁阀上电不动作。解决方法:线圈烧毁或者短路,使用万用表测量线圈电阻,正常在0.9kΩ左右。
④仪表空气未供到。解决方法:检查电磁阀底座,拔掉空气总管路进行确认。如果有仪表空气过来,则拆下样品阀的空气管接头;如果没有空气过来,则确认电磁阀处故障所致。
⑤取样阀本体密封圈老化,导致开关卡涩。解决方法:解体取样阀,更换密封圈,涂抹高温润滑脂回装即可。这里需要注意的是:回装前要检查阀塞的正反面和弹力垫片的正反顺序不能颠倒,如图1。

图1 隔膜阀内部图
2、故障现象二
一次停车检修后,测量组分CO和H2出现无规律的波动。
在确认两级预处理运行正常后,对分析谱图进行了检查确认,发现组分的流出时间提前了,导致积分阶段开门时间卡位不准确,重新调整保留时间后ABB PGC2000 Series E2气相色谱仪运行正常。这种情况一般会出现在清洗隔膜阀或更换膜片后,样品在阀体内的阻力减少,在载气压力不变的情况下流速产生了变化所致。
3、故障现象三
测量的全组分波动。这种情况一般是由于样品预处理系统运行效果不佳导致的,也可能是ABB PGC2000 Series E2气相色谱仪本身取样不稳定造成的。下面分析两种可能性:
①预处理系统设计不合理导致。由于一台色谱仪要检测两台气化炉的合成气组分,所以在两套预处理系统中间存在一个流路切换的问题,两个流路的切换通过一个气动阀来实现。该气动阀使用的是世伟洛克φ6MM常闭弹簧回复拨动开关阀,通过色谱仪的电气控制,仪表空气进行驱动来进行两个流路的样品切换。如果切换阀阀体内漏就会造成两个炉子的样品掺混而导致测量不准确,从多年的运行来看,这种流路切换方式是存在管线死体积较大的缺陷。
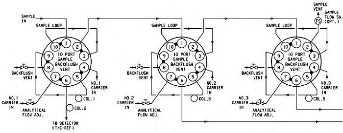
②ABB PGC2000 Series E2气相色谱仪本身取样不稳定。这种问题主要是因为该ABB PGC2000 Series E2气相色谱仪串联取样方式,布置在前面的取样阀只要出现定量管堵塞的情况就会影响后面的取样。从图2中可以看出,样品经预处理流入色谱仪,依次经过阀1#,阀2#直到排放管线,这就必须保证隔膜阀的定量管是畅通状态,否则就会引起定量不准,测量波动的现象。

图2 色谱阀图
4、故障现象四
色谱仪突然断电。ABB PGC2000 Series E2气相色谱仪运行过程出现过突然断电的情况,检查供电空开并未跳闸,打开电路部分柜门检查电源板发现,状态指示灯熄灭。关闭电源,取下电源板,仔细查看电路元件发现一支电容鼓包,卸下电容后进行检测。首先对电容进行放电,使用万用表进行测量,电容击穿,更换一个同型号电容回装电源板,仪表上电成功。在仪表长时间的运行过程中,电路板最容易出现故障的就是二极管击穿、电容击穿等,通过相关检测手段是可以判断损坏的元件并修复的。
5、故障现象五
ABB PGC2000 Series E2气相色谱仪方法表丢失,失去运行逻辑,相关参数也被重置。处理方法:这种故障现象可以通过更换SPC板直接排除。整台色谱仪最核心的电路板是单板计算机板,位于GCC卡笼槽口3,也称为SBC板,在SBC上有E2PROM存储器、计算机内存、地址以及协调内外数据流的数据控制电路,它提供分析仪系统所有控制功能。

图3 报警信息
6、故障现象
出现温度板报警,丢失空气等报警,测量停止,如图3。
原因及处理方式:这是由于空气浴炉的炉空气存在问题。当电源供给加热器时,正常情况下空气从加热器上带走的热量为炉体提供热量,如果空气未供到空气浴加热器,空气浴加热器可能过热或是烧掉。当压力开关检测到空气缺乏后会自动断开,加热器将停止供电,炉温降至常温,仪表退出测量。导致这种情况的原因有:
①炉空气被关掉或低于空气压力开关设定点。
②炉体丢失空气压力开关故障或连接存在问题。
通常需要把空气供给的压力调大,保证空气的供给压力大于要求的压力,另外需检查压力开关是否正常,检查步骤如图4。

图4 DTC背板PCB
首先,在DTC背板PCB的J42B端子断开炉空气压力开关的连接器,连接电阻表到从J42B拆下的连接器,然后打开空气压力,拧开螺丝后取下压力开关,检查是否有空气出现。重新安装压力开关,拧紧螺丝,此时开关应闭合。关闭空气开关时应该打开,如果空气开关没有正确的动作逻辑则开关故障,需要更换。
7、需要注意的问题
在多流路切换测量的仪表中,需注意几个问题。例如气化装置两流路共用一台色谱仪的情况:
①注意流路切换过程中切换阀的开关是否到位,如果开关不到位会出现样品气互串的现象,两流路测量值一样。
②使用专用的流路切换模块,减少阀体的死体积,流路步进时可以充分置换管线。
③在测量微量的CO和CO2时选择正确的过滤芯或过滤材料,避免除去样品中的有用组分。
作者:郝伟东
