工业控制的核心是电动机的控制,电动机控制的核心是接触器,接触器线圈控制常规元器件就是按钮开关,今天电力仪表介绍按钮开关在二次控制回路中的功能、使用及安装。

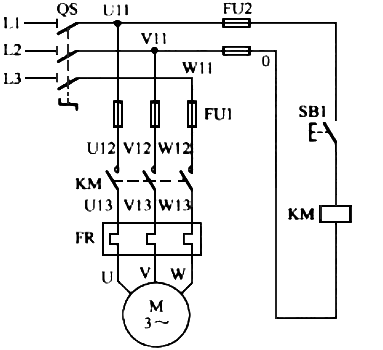
1、三相异步电动机的点动控制
电动机的点动在工业控制中常用在调试和检修状态,此状态中需要人为的控制运动的时间以查看回路的运行状态。

回路说明:在该控制回路中,按钮手动按下后回路接通,松手后按钮弹出,回路断开,通过手动按动上下实现接触器的吸合释放,进一步实现电动机的点动功能。
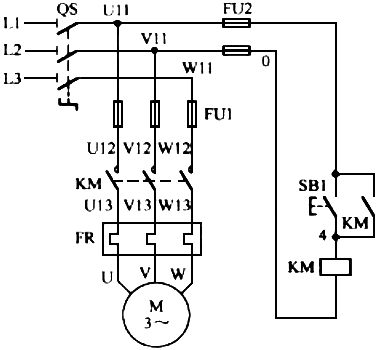
2、三相异步电动机的启动控制
电动机的启动在工业控制属于基本回路之一,常用在电动机控制的启动阶段,常搭配停止一起使用。

回路说明:在该回路的控制中,使用的按钮开关和点动回路一致,仅在按钮开关两端并联接触器的辅助常开触点,实现回路的接通自锁功能,使用按钮开关为标准型自复平钮,自带一组常开触点。
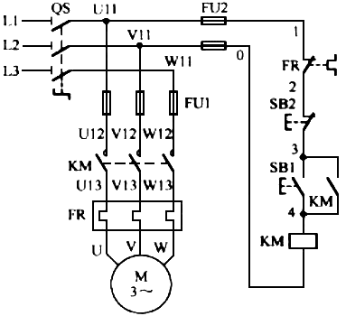
3、电动机启动+停止控制
该回路是一个较为简单的完整的控制回路,可以控制电动机的启动和停止,常用在较为简单的工业控制中。

回路说明:在该回路的控制中,启动仍然使用自复位式1NO按钮,在回路中按下按钮开关后接触器线圈得电吸合,接触器主回路接通电动机开始工作,接触器辅助常开闭合,回路自锁,完成启动;在启动按钮前端增停止按钮,使用型号为德力西电气LAY5s-BA 红色 1NC (标准型平钮),按钮开关常闭触点串联在回路中,按钮按下后,回路断电,接触器线圈断电回路断开,电动机停止工作。
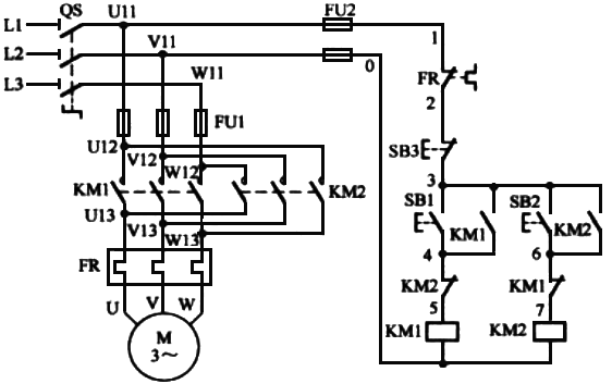
4、电动机启动+停止+反转控制
该回路增加了电动机的反转控制功能,常在需要电动机正传和反转的回路中,在一些常用的农业机械中有大量的使用。

回路说明:在该回路中,通过控制电动机的接线相序,实现正传和反转,两台接触器分别实现电动机的正转控制和换相后的反转控制,在控制回路中,分别控制两台接触器线圈的吸合和释放,要求两台接触器不能同时得电。所以在回路控制中出去按钮的自锁启动外还增加了互锁,即在回路中增加另外一个按钮的常闭触点和另一台接触器的常闭触点;所以回路中选用的触点为1N0+1NC。
5、按钮开关安装
5.1 安装类别
该系列按钮为φ22mm面板安装按钮,面板安装孔为φ22.7mm~φ22.3mm,标准型按钮可采用1-6mm厚度的安装面板,经济型按钮可采用1-4mm厚度的安装面板。
5.2 安装方式
标准型按钮采用螺钉安装,经济型按钮采用卡扣安装。
5.3 拆卸
标准型按钮:用合适的螺丝刀将中座上的紧固螺钉拧下,固定触点模块后,将按扭头逆时针方向转动,停止转动取出即可,经济型按钮用φ3mm的螺丝刀将中座上的卡扣向外翘使扭头松动,将扭头取出即可。
5.4 安装
标准型按钮:按钮头从安装板正面装入,将按钮的中板四个凸台对准头部定位处卡入并顺时针转动,拧紧固定螺钉即可。
经济型按钮:退出螺纹圈,将按钮头从面板正面装入,固定好扭头方向后拧紧螺纹圈,通过中座的卡扣将触点模块扣紧按钮头。
相关阅读
电气图形符号和电气文字符号大全
电气控制回路八种常用元件原理介绍
仪表柜和电气柜按钮颜色选配及按钮选型
