用户在电磁流量计选型要确认流量信号输出方式,电磁流量计信号输出方式通常有数字量输出和模拟量输出两种方式,本文以AMF系列智能电磁流量计举例详细介绍这两种输出方式。

模块化电磁流量计在德国技术和自主研发平台上推出,高可靠性,有颗智能、坚固的芯!!去看看哦
1、电磁流量计数字量输出
数字量输出是指电磁流量计流量信号输出为频率输出和脉冲输出。频率输出和脉冲输出在接线上用的是同一个输出点,因此,用户不能同时选用频率输出和脉冲输出,只能二选一。
①电磁流量计频率输出
A、电磁流量计频率输出的范围为0-5000Hz,频率输出对应的是流量百分比。频率输出的上限可调。用户可选0-5000Hz,也可选低一点的频率,如0-1000Hz或0-500Hz等。

电磁流量计频率输出方式一般用于控制应用,因为它反映百分比流量;若用户用于计量应用,则应选择脉冲输出方式。
B、频率输出分正向和反向输出,可输出一个方向也可输出正反两个方向。
C、带光电隔离的OC门双向输出。
D、外接电源不大于35VDC,导通时最大电流为250mA。
②电磁流量计脉冲输出方式
A、脉冲输出方式主要用于计量方式,输出一个脉冲,代表一个当量流量,如1L或1M3等。脉冲输出当量分成:0.001L,0.01L,0.1L,1L,0.001M3 ,0.01M3,0.1M3,1M3计8种。用户在选择脉冲当量时,应注意流量计流量范围和脉冲当量相匹配。
体积流量计算公式为:QL=0.0007854×D2×V(L/S)或QM=0.0007854×D2×V×10-38(m3/S),公式中D为管径,单位mm;V为流速,单位m/s。
B、若实际流体流量过大而脉冲当量选得过小,将会造成脉冲输出超上限,一般电磁流量计脉冲输出频率应限制在2000P/s以下。当然,流量小而脉冲当量选得过大又会造成仪表很长时间才能输出一个脉冲。
C、特别说明:脉冲输出不同于频率输出,脉冲输出是累积够一个脉冲当量就能输出一个脉冲,因此,脉冲输出不是很均匀的。一般测量脉冲输出应选用计数器仪表,而不应选用频率计仪表。
D、当脉冲频率高时自动转换为20ms方波。
E、带光电隔离的OC门双向输出。
F、外接电源不大于35VDC,导通时最大电流为250mA。
③AMF电磁流量计数字量输出的接线
AFM电磁流量计数字量输出有三个接点:数字输出接点,数字地线接点,流量方向接点,符号如下:PUL+为数字输出接点;PCOM为数字地线接点;PDIR为流量方向接点。一般情况下,流体总是向一个方向流动,这时,用户仅使用输出接点和地线接点就可以了。若用户需要知道流体流动方向,则使用流体方向接点来完成。PUL+、PDIR信号共用地线PCOM、PUL+和PDIR均集电极开路输出,用户接线时可参照如下电路:
A、电磁流量计数字量电平输出接法
B、电磁流量计数字量输出接光电耦合器(PLC系统)

一般用户光耦需10mA左右电流,因此,E/R=10mA左右。直流电源电压E=5-24V。
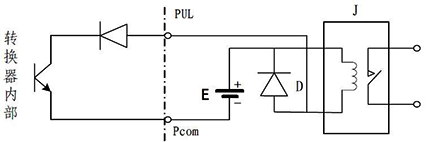
C、电磁流量计数字量输出接继电器

一般中间继电器需要的直流电源E电压为12V或24V。D为续流二极管,目前大多数的中间继电器内部有这个二极管。若中间继电器自身不含有这个二极管,用户应在外部接一个。
D、AMF电磁流量计数字量输出参数表如下:

2、电磁流量计模拟量输出
模块化电磁流量计模拟量输出分成0-10mA和4-20mA两种信号。用户可通过电磁流量计参数设置可选择两种信号。模拟量电流输出内部为24V供电,在0-20mA信号制下,可驱动750Ω的负载电阻。
模拟量电流输出对应流量的百分比流量,即:对于0-10mA输出,电流零点为“0”;对于4-20mA输出,电流零点为4mA,电流量程16mA。为提高电磁流量计输出模拟量电流的分辨率,用户应适当选择流量计的量程。流量计在出厂时,taptap登录游戏制造有限公司已将模拟量输出的各参数校准好。一般情况下,用户不需调整。
相关阅读
◆电磁流量计相关知识问答
◆电磁流量计优点与不足分析
◆电磁流量计故障检查判断及处理
