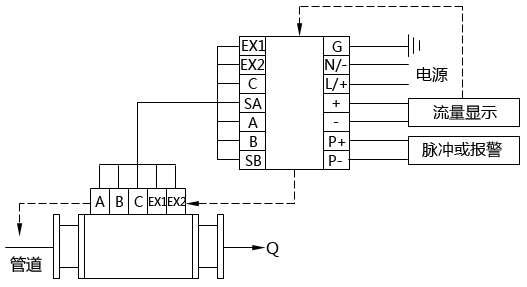
电磁流量计有一体式和分体式两种结构,两种结构方式的故障现象与检查方法基本是相通的,现结合电磁流量计测量回路图进行介绍,电磁流量计测量回路图中A、B为流量信号,C为公共端,SA、SB为屏蔽端EX1、EX2为激磁电源;G为接地。

图1 电磁流量计测量回路图
电磁流量计的信号一般为2.5-8mV,流量较小时可能只有几个微伏。检查故障先检查流量积算仪是否正常,按流量积算仪→转换器→传感器→测量管道的顺序进行检查,如图中虚线箭头所示方向。大口径的流量传感器,更换工程量大、涉及面广,一定要反复检查、根据各项检查确定传感器是否应该卸下更换和修理。
1、电磁流量计显示最小或无显示
传感器没有流量信号输出。原因有电源故障,连接电缆故障;传感器或转换器元器件损坏;工艺原因有液体流动状况改变,工艺管道内壁附着层出现问题。可按以下方法检查和处理。
①观察电磁流量计有无故障报警显示,按报警代码的含义进行相应检查和处理。没有报警显示,检查仪表供电是否正常,开关是否合上,熔丝是否熔断。用万用表测量各级电压判断故障。
②供电正常,再对连接电缆进行检查,激磁电缆及信号电缆的接线是否松动,接线端子有无氧化、腐蚀现象,必要时紧固螺钉。
③检查激磁线圈电阻值是否正常,线圈是否开路、匝间是否短路,端子或线圈的绝缘电阻是否下降。用万用表测量激磁线圈EX1、EX2端子间的电阻值,但要断开与之相连的电缆线,电阻值通常在80-150Ω左右,各产品略有差异。对匝间短路判断就较困难,只能与原来的记录值比较来判断。由于传感器安装现场环境的原因,激磁线圈回路绝缘电阻下降是常出现的故障,其绝缘电阻小于100MΩ时,应检查传感器的电缆密封圈、端子盒的密封垫片是否受损,传感器是否浸入水或潮气可用电吹风的热风进行烘干,能拆卸的激磁线圈受潮时可整体放入电烘箱烘干。重视引线口密封是克服受潮的重要措施。
④新安装或更换的传感器,应核对传感器箭头与流体方向是否一致。要工艺配合确定传感器是否充满液体。传感器能否充满液体与其安装位置有关联,要按规定安装。
⑤传感器衬里层有污物附着会使电磁流量计绝缘电阻下降,可拆下传感器进行观察,没有条件拆下传感器时,可测量电极的接触电阻和电极的极化电压,间接检查和判断附着层状况。
a、电极接触电阻的测量
测量电磁流量计电极与液体的接触电阻,实际上是测量电极对地的电阻值,来间接判断电极和衬里层表面的状况,为分析故障提供依据,前提是必须有原始测量数据作基础。新安装的仪表投运正常,就应测量并记录两电极的接触电阻值,以后定期进行测量与记录,分析比较这些记录数据,两电极的接触电阻值之差应小于10%-20%,否则可能有故障。
电磁流量计两电极的接触电阻值之差增加,可能有一只电极的绝缘性能有较大的下降。某电极对地电阻值增大,有可能是该电极表面被绝缘层覆盖。某电极对地电阻值减小,有可能是该电极表面或衬里表面附有导电层积物。
测量电磁流量计电极接触电阻时,应断开传感器的接线,并应在液体满管状态下测量。所用指针万用表要用同一型号、同一量程的表;如×1k挡,红表笔接地,黑表笔接电极;测量时表笔接触端子后马上读取指针偏转的最大值,不要反复测量,以免极化而产生误差。
b、电极极化电压的测量
可用数字万用表的2VDC挡,测电磁流量计两电极对地之间的极化电压。两次测量值基本相等,说明电极未被污染或未被层积物覆盖,否则说明电极被污染或被层积物覆盖。极化电压通常在数毫伏至几百毫伏之间。
⑥转换器没有流量测量信号显示,先检查传感器和转换器的接线有没有问题;确定传感器正常,怀疑转换器有问题时,可用备件,或同型号正常电磁流量计的电路板替换检查、判断。
2、电磁流量计显示最大
电磁流量计显示最大实际上就是流量显示超过量程上限,电磁流量计自身的原因有:信号回路断路,连接电缆故障,接线错误等;传感器与转换器配套错误;电磁流量计设定错误。工艺原因有管道中没有流体。
电磁流量计显示最大可按以下方法检查和处理:
①用对分检查法。对转换器前后进行分割检查,以缩小故障查找范围。将转换器信号输入端子A、B、C短接,流量显示为零,说明转换器及流量积算仪正常,可判断故障在转换器之前。
②对传感器的输出信号线A、B、C进行短接,流量显示为零,说明信号电缆良好。流量显示仍为最大,仍保持A、B、C短接,用万用表在转换器A、B、C端子处测量信号电缆及连接端子的电阻值,判断信号电缆是否正常。信号电缆正常再进行以下检查。
③用万用表测量电磁流量计两电极的电阻值,电阻值很大,或者无穷大,有可能是传感器的电极未被液体浸泡,即两只电极或一只电极未接触到液体,可能是测量管道没有充满液体,在正常情况下仪表应该有空管报警信号。
④第③项检查都正常,可用过程校验仪YR100检查电磁流量计的零点及满度是否正常;还应检查设定参数,如管径、量程、测量单位、仪表常数等的设定是否正确。分体式电磁流量计应检查传感器与转换器有没有配错。
⑤流量积算仪或转换器有故障也会使流量显示最大,可用可用过程校验仪YR100进行检查判断。怀疑转换器有故障,可用备用电路板代换现用电路板,以判断转换器有无故障。
3、电磁流量计显示偏高或偏低
流量显示值与实际流量不相符。原因有仪表的零点没有调校、设定好,传感器安装位置不符合要求,传感器前、后直管段达不到要求,不能满管或液体中含有气泡;传感器电极的电阻发生变化,电极的绝缘电阻下降;信号电缆的绝缘下降;转换器设定有错误。工艺原因有:传感器上、下游流体的流动状况不符合要求。
电磁流量计显示偏高或偏低可按以下方法检查和处理:
①电磁流量计测量值是否准确,工艺大多是根据经验来判断的,而电磁流量计则是根据校准数据及校准时限来评判的,因此,要参考历史测量数据,并与其他流量计的测量结果进行比对,再从工艺流程的物料平衡来估算,使工艺与仪表达成共识,以利故障的检查和处理。
②新安装的电磁流量计如果出现测量不准确的问题,应检查传感器和转换器是否配套,核对口径、量程、测量单位的设定是否正确。可用过程校验仪YR100输入信号给转换器,对零点及满量程进行检查。检査管路是否充满液体,液体中有没有气泡等。传感器安装位置不符合要求,直管段不够,传感器前有调节阀门,都将影响传感器上游流体的流动状态,使测量出现误差。
③检査电缆与端子接触是否良好,电缆及屏蔽层的接地是否合乎要求。用兆欧表对电缆及电极的绝缘电阻进行测试,检查电极的绝缘电阻必须在传感器离线状态下进行,拆下传感器,放空液体,用干布擦干衬里表面并使之干燥,然后用500V的兆欧表,分别测试两只电极对金属法兰盘的电阻,要求电极的绝缘电阻大于100MΩ。小于该阻值,应对电极进行烘干处理,用电吹风吹热风使电极的绝缘电阻上升。
④传感器是与工艺流体直接接触的仪表,受工艺介质的影响最大,有条件拆卸时,一定要对传感器管内进行检査及清洗,检查管内壁是否有层积物,电极表面是否有层积物或结垢,这些都会导致电极绝缘电阻下降,而使测量出现误差。
4、电磁流量计显示波动
电磁流量计的信号一般为2.5-8mV,流量较小时可能只有几个微伏,信号小易受外界干扰影响。干扰源主要有管道上的杂散电流、静电、电磁波、磁场。电磁干扰是导致电磁流量计显示波动的原因之一。而电磁流量计自身的原因有:电缆与端子氧化、锈蚀出现接触不良,电路板接触不良,电子元件虚焊等,传感器安装时不认真,把入口垫片内圈做小挡住流体通道而产生涡流,对测量造成影响。激磁线圈的绝缘电阻下降,测量电极受污染、结垢、绝缘电阻下降。工艺原因有:工艺流体具有脉动性质,如往复泵出口流量。设计、安装不当使传感器安装位置不符合要求,或者测量管未能充满液体,被测量的液体含有较多气泡,也会造成显示波动。
电磁流量计显示波动可按以下方法检查和处理:
①克服电磁干扰最有效的措施就是良好的接地,传感器的接地电阻要小于100Ω。有时虽然有良好的接地,但由于管道的杂散电流干扰,也会影响流量计的正常显示,可在原接地外侧数米处再增加新的接地点。静电或电磁波也会对电磁流量计造成干扰,因此,信号线一定要用厂家配套的电缆,并做好接地,尽量缩短传感器与转换器的距离,仍然解决不了电磁流量计的波动故障时,只能将分体式电磁流量计更换为一体式电磁流量计。
②电磁流量计显示一会正常一会波动,大多是电气线路接触不良引起的。应检查转换器的接线及接线端子,可拨动接线、摇动电缆、用螺丝刀敲打转换器外壳,观察显示有没有变化。
③进行了第②步检查,没有发现问题,可到现场检查传感器,检查线路的接触状态,检查信号插座有没有被腐蚀,插座受腐蚀只有更换。激磁线圈的绝缘电阻如果明显下降,应采取烘干的方法来提高绝缘电阻。传感器的接线盒受潮,绝缘电阻下降也会引起显示波动,用电吹风吹干水汽、使绝缘电阻上升到20MΩ以上。除测量绝缘电阻外,大多时候需要停用传感器,才能对电极及测量腔室进行检查,才能发现测量腔室内结垢、电极沉积污垢等问题,对症进行清洗或更换。
④电磁流量计显示波动很多时候是工艺原因引起的,流体本来就是脉动的、如往复泵输送的液体。只能把传感器安装在远离脉动源的地方、利用管道的阻力来减弱流体的脉动,条件所限、只能在传感器前加装滤波器或缓冲器来减弱脉动。传感器的安装位置选择不当,使测量管道有气泡或液体不能充满管道,工艺液体含有气体,都可能使电磁流量计显示出现波动。以上原因需要工艺配合查找及共同处理。
5、电磁流量计的零点不稳定
电磁流量计零点不稳定是指没有流量时显示的零点不稳定。原因有:电磁流量计的零点没有调校、设定好;电磁流量计测量回路绝缘电阻下降;传感器接地不符合要求,接地不完善,受电磁干扰等。工艺原因有:管道未充满液体或者液体中含有气泡;工艺流体有微小的流动等。
电磁流量计的零点不稳定可按以下方法检查和处理:
①信号测量回路的绝缘电阻下降,大多是电极绝缘电阻下降引起的;但也不要忽视了信号电缆、接线端子绝缘电阻下降的可能性。表壳、导线连接处密封出现问题,现场的潮气、酸雾、粉尘就会侵入到电磁流量计接线盒或电缆保护层,使绝缘电阻下降。信号测量回路的绝缘电阻可用兆欧表测试,可分别对信号电缆及传感器进行测试。
②传感器电极如果被污染或层积物覆盖,常会出现零点不稳定或输出波动的故障。对电极进行检查,应在满管状态下测量电极的接触电阻,再在空管状态下测量电极的绝缘电阻。操作方法如下:
a、满管状态下测量电磁流量计电极的接触电阻,需拆下信号电缆线,用万用表测量每个电极与接地点的电阻值,两电极接触电阻之差应在10%-20%范围内,超过了该范围就会引发电磁流量计零点不稳定。
b、空管状态下测量电磁流量计电极的绝缘电阻,要先对测量管道进行放空,并拆下传感器及相关接线,用干布擦干净传感器的内表面,待完全干燥后,用500V兆欧表测量每个电极与接地点电阻值,绝缘电阻必须要大于100MΩ,否则有可能引发电磁流量计零点不稳定。
③传感器的接地电阻要小于100Ω。当传感器用于绝缘管道或防腐衬里管道的测量时,检查传感器两端是否加装了接地短管或接地环;整套电磁流量计不要和电机、电器共用接地点。原来使用正常的电磁流量计,突然出现零位不稳定或显示波动的故障,应观察在传感器附近,有没有新增加的电器设备,如大功率电机、变频器、电焊机等,这些设备在使用时可能会影响接地电位的变化,从而使电磁流量计的零点不稳定或显示波动。
推荐阅读
电磁流量计故障实例
电磁流量计刮刀式电磁流量计电极介绍
正确选择电磁流量计数字量和模拟量输出方式
