德国PILZ皮尔兹公司是自动化领域知名安全继电器制造商,该公司安全继电器在很多行业使用。fkswng仪表在本文对Pilz安全继电器PNOZ s5的使用做简单介绍。

1、安全继电器PNOZ s5的外观及接线端子介绍
安全继电器PNOZ s5属于PNOZSigma家族,是具有延时功能的安全继电器,它的外观如下图所示:
①模块的上下各有8个接线端子,其中:
◆A1和A2是模块电源的接线端子;
◆S11和S12是一组安全输入通道的接线端子;
◆S21和S22是另外一组安全输入通道的接线端子;
◆13/14是一组常开安全触点,23/24是另外一组常开安全触点,这两组常开触点是立即动作型(instantaneous);
◆37/38是一组常开安全触点,47/48是另外一组常开安全触点,这两组常开触点是延时断开型(delay);
◆S34是复位信号的接线端子;
◆Y32是安全继电器的输出信号端子;
②中间部分有三个旋钮,最上边的用来设置安全继电器的工作模式,下面两个用来设置定时的时间;
③模块中间靠左部分是6个LED指示灯,其中:
◆Power:模块电源LED灯,电源接通时为绿色常亮;
◆In1:输入通道1的LED灯,通道闭合时为绿色常亮;
◆In2:输入通道2的LED灯,通道闭合时为绿色常亮;
◆Out:继电器的输出LED灯,当常开触点闭合时为绿色常亮;
◆Reset:复位信号的LED指示灯;
◆Fault:故障信号LED指示灯,点亮时为红色;
2、安全继电器PNOZ s5的工作原理
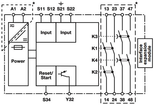
先来看下安全继电器PNOZ s5的内部原理图:

A1和A2是继电器的电源接线端子,PNOZ s5有两种电压范围的产品:
24V DC,订货号:750105,7511005和751185;
48-240V AC/DC,订货号:750135和751135;
S11/S12和S 21/S22为安全输入通道,当两路安全输入通道都闭合,并且模块A1/A2正常供电时,右侧的四路常开触点会闭合,此时Y32内部三极管导通,可向外提供24VDC电源,可连接到PLC的输入通道;当安全输入通道任何一路断开时(比如按下急停按钮或打开安全门),立即动作型常开触点(13/14和23/24)会立即断开,延时断开型常开触点(37/38和47/48)会延时设定的时间后断开;当安全输入通道再次闭合时,如果模块设置为[自动复位]模式,则四路输出通道(13/14、23/24、37/38、47/48)将立即闭合;如果模块设置[手动复位]模式,则需要给S34端子一个电压信号才能复位;
3、安全继电器PNOZ s5的工作模式及复位方式
安全继电器PNOZ s5的中间最上方的旋钮可以用来设置模块的工作模式及复位方式,如下图所示:

①工作模式包括两种:左侧的"In2+"表示不带触点间短路检测;右侧的"In2-"表示带触点间短路检测;
②每种工作模式下,都有四种复位的方式,如下图所示:

4、安全继电器PNOZ s5的定时设置
PNOZ s5可以设置时间来控制触点37/38和47/48延时断开。
定时时间=时间值×倍数;
时间值是旋钮t[s]的指向的时间数值,单位为:秒;
倍数是旋钮n指向的数值;
举个例子:假设t[s]选择30,n选择10,则定时时间=30×10=300s,如下图所示:

好了,关于Pilz安全继电器PNOZ s5的使用说明就先介绍这么多,如果大家感兴趣fkswng仪表后续会介绍具体使用例程(比如怎么接急停按钮等)。
相关阅读
安全继电器知识讲义
Bruce Desmond谈安全继电器选用
是否可以把安全继电器换成普通继电器
安全继电器在水泥生产线安全控制中的应用
