20世纪80年代,PLIZ设计了第一款用于安全控制领域的安全继电器,其诞生已有30多年历史。但国内安全继电器生产厂家的发展滞后,产品的功能也相对简单,通过安全认证的安全继电器厂家很少。主要因素有以下几方面。一是国内安全标准未和国际接轨。国内往往只有出口的机械设备,为满足国外的安全标准需求,才加上安全继电器;而用于内销的机械设备,很多是不加安全继电器的。因此,国内自主的生产驱动需求不大。二是安全认证的难度和成本很高。国内生产厂家经过努力开发出安全继电器的产品,但通过认证又是一道比较高的门槛,加大了安全继电器产品的开发难度。三是传统安全继电器的核心部件,强制导向继电器。据了解,国内并没有厂家真正地研发出用于安全领域的继电器。强制导向继电器的国内需求主要靠进口,成本不低,这就导致国内自主开发出来的安全继电器的硬件成本并不低于国外品牌的安全继电器,在市场上的竞争力远远低于国外品牌。基于第二、第三条原因,结合功能安全认证的流程和需求,开发出基于双微控制单元(microcontroller unit,MCU)的智能安全继电器。该安全继电器的安全等级可以达到PLe、Cat.4、SIL3,满足安全需求,同时硬件成本远低于传统的安全继电器。

安全继电器是符合功能安全开发要求的。开发依据的主要标准有IEC62061和ISO13849。因此,可以将安全继电器开发过程分解为三个阶段:概念阶段、设计阶段、验证阶段。
1、概念阶段
概念阶段主要是对安全继电器的需求进行定义,规划开发过程中工具、方法,如产品的安全功能、安全状态定义、产品应用、系统图、诊断措施、安全结构、安全等级、性能参数等。系统框图如图1所示。

图1 安全继电器系统框图
安全继电器安全功能定义为接收安全传感器的信号(如急停按钮、双手按钮、磁性开关、安全光幕等信号)。当这些安全传感器被触发,安全继电器输出安全信号,切断供电回路,达到保证安全的作用;安全状态定义为继电器输出处于断开状态;要达到的安全等级为SIL3、PLe。安全继电器应用如图2所示。

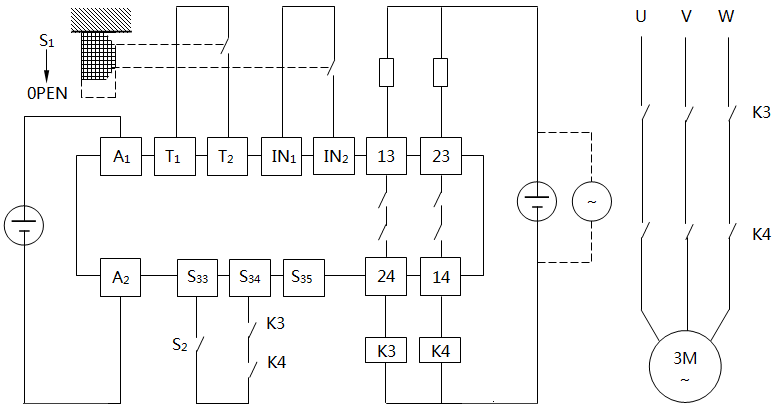
图2 安全继电器应用示意图
A1、A2为电源接口,可以接入24VDC开关电源;T1、T2、In1、In2为输入驱动及输入接口,用于接收安全传感器的信号及输出驱动信号。S33、S34、S35为复位回路。其中:S33、S34为手动复位,S33、S35为自动复位。13-14/23-34为输出回路,接入现场的执行机构。该应用为工业现场的安全门锁的应用。当安全门S1打开,能可靠断开接触器K3、K4,使得执行单元M停止,达到保证安全的目的。
概念阶段在功能安全开发阶段处于重要的阶段,也是周期最长的阶段。概念阶段策划良好,对后续工作的开展具有极为重要的指导作用。
2、设计阶段
设计阶段主要是对产品的硬件、软件、产品的功能进行开发,满足概念阶段的需求。具体可以分为两个部分:硬件设计和软件设计。
2.1 硬件设计
硬件电路主要由4部分组成:电源电路,输入电路,控制电路和输出电路。电路硬件框架如图3所示。
2.1.1 硬件设计
电源电路设计基于以下两点:①满足现有不同子电路的供电需求;②符合安全等级需求。具体来说,考虑两个故障同时发生,安全继电器能够进入安全状态或者安全功能不会受到影响;达到这个要求后,可以将电源回路设计为单通道的结构。
电源电路需要考虑的故障主要有:过电压,欠压,过流,开路,短路。
欠压故障的处理通过MCU对电源电压的监控,利用ADC采样。当电压低于某一规定的限值时,输出进入安全状态。
过电压故障的处理通过以下两种。①压敏电阻和TVS管组合,电源的过压故障容易对硬件电路造成损坏,因此需要压敏电阻或TVS管进行防护,需要压敏电阻及TVS管的组合是基于耐受两个故障。②MCU对电源电压的监控,当电源电压超过一定的限值,输出进入安全状态。
过流故障主要通过可恢复保险丝来完成。当电源回路电流超过保险丝的额定值,保险丝断开,各子电路失去供电,进入安全状态。
开路和短路故障可以利用fail-safe技术实现。

图3 安全继电器电路硬件框图
电源电路的功能实现比较简单,主要将24V电压转换成12V电压。考虑该部分电压主要用于继电器线圈的供电,应尽量选择DC/DC转换芯片,提高效率。12 V电压再通过LDO转换为3.3V电压,用于MCU和其他逻辑芯片的供电。
2.1.2 输入电路
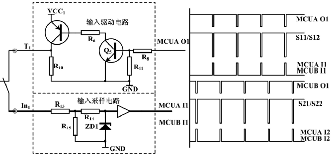
基于ISO13849标准的要求,要达到Cat.4等级,安全继电器的输入电路需采用双通道带诊断的结构,In1/In2构成双通道的输入,In1/In2的信号同时被MCUA和MCUB采集。当In1或In2的任一通道发生故障时,其他通道的MCU均能诊断出这一故障,形成通道间的故障互相诊断。
输入驱动电路的作用是:MCUA和MCUB编码产生两个不同的周期性脉冲电平T1、T2,脉冲电平进入到输入电路,能够被MCUA和MCUB识别和判断。当外部传感器电路发生短路时,进入的脉冲电平会进行叠加,产生不同于原T1、T2的波形,MCU不能识别该波形为T1或T2,从而判定出输入短路故障。输入电路及脉冲波形如图4所示。

图4 输入电路及脉冲波形示意图
2.1.3 控制电路
控制电路主要由两个MCU及必须的外围电路组成。根据功能安全的要求,采用双通道的MCU方案,MCU之间需要进行数据的交互和诊断。MCU之间是通过SPI进行通信,SPI的高速率,可以满足实时的需求。MCU之间采用两根I/O线进行时间同步。MCU需要加入硬件看门狗电路来防止程序的跑飞。
2.1.4 输出电路
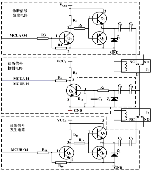
输出电路采用两个具有一组转换触点的普通继电器,利用转换触点的闭合/断开特性来实现触点的粘连故障诊断。继电器触点和继电器控制电路有隔离的需求。因此,采用高压电容进行隔离,并采用周期性脉冲波形的方式进行诊断信号及检测信号的传输。输出电路如图5所示。

图5 输出电路
继电器的诊断过程如下(以J1继电器进行说明)。
①在每次启动继电器之前,由MCUA产生周期性脉冲信号,通过高压电容C1、C2、J1常闭触点、C3、C4传输到检测电路。
②通过R9,C5将周期性脉冲信号变成高电平信号,控制Q6导通。
③当Q6导通后,MCUA采集到低电平信号,判定触点没有发生粘连,完成诊断过程。
2.2 软件设计
智能安全继电器的软件设计与普通产品的功能设计不同,普通产品的设计仅需要考虑功能实现。而功能安全产品不仅需要考虑功能的实现,还需要从功能安全的角度考虑。本软件采用分层的设计思路,每一层针对的功能和需求不同,具体来说分为3层:驱动层,诊断层和应用层。 驱动层和诊断层是基础和通用设计,不同功能安全产品的设计在这两层的设计是相似的,改变不大;但应用层的设计是根据产品功能进行的。不同的产品,这一层的软件设计是完全不同的。
2.2.1 驱动层
驱动层的主要工作是对MCU硬件进行设置和控制,如时钟、MCU I/O配置、读取、写入、存储空间的分区、SPI通信初始化,以及数据接收和发生,Usart的初始化、数据读取、ADC的初始化、模拟量读取、DMA的设置等。该部分的软件代码可以直接从MCU的厂家标准库取得,或者根据产品需求,进行相关修改。
2.2.2 诊断层
诊断层的主要工作是对MCU进行诊断,保证单片机能够正确地执行相应的功能,或者当发生故障时单片机能够进入安全状态。
要考虑的故障主要有以下几类。
①FLASH故障:FLASH能够被正确地读写,FLASH在运行过程中,不被改变。
②RAM故障:RAM能够被正确读写。
③SPI通信故障。
④UART故障。
⑤I/O故障。
⑥程序执行故障,跑飞。
诊断层的实现,主要依据IEC 61508推荐的技术措施进行设计。程序执行故障,可以采用程序段编号方式实现。通过软件很难实现或者不易达到要求的软件故障,可以采用硬件的手段进行补救。
2.2.3 应用层
应用层的设计依据安全继电器的应用要求进行功能设计、产品的应用。应用层的主要工作是根据安全继电器的应用要求进行功能设计:如输入驱动脉冲的实现,DI信号的采集、识别,不同安全传感器功能的实现,MCU之间的数据交换、数据比对,指示灯控制,外部故障处理,继电器的输出,继电器触点的诊断以及和PC机之间的UART通信等。
3、验证阶段
验证阶段需要对智能安全继电器进行验证及相关测试。验证阶段主要进行的工作有:可靠性数据计算,集成测试,故障插入测试,软件测试等。
可靠性数据计算可按如下步骤进行。第一步由通用数据库或元器件厂家提供的可靠性数据计算出每一个器件的可靠性数据。第二步对原理进行通道划分(依据安全结构),计算出每一个通道的失效数据λs、λd、λdu、λdd。第三步由失效数据计算出MTTF、PFH、CCF等。
集成测试主要是测试产品的性能,环境电磁兼容 (electromagnetic compatibility,EMC)试验,集成测试的测试项目主要依据产品功能、行业标准、功能安全对EMC的加强测试标准和企业标准等。
故障插入测试通过对硬件、软件进行故障的模拟,来观察安全继电器的输出是否符合预期的要求。
软件测试需要进行的常规测试有白盒测试、黑盒测试、静态测试。
安全手册主要向客户说明产品符合的标准、安全功能、安全状态、安全完整性要求、安装、连接、维护等要求或者说明。
本文基于功能安全的深入研究,提出了一种基于MCU的技术方案。采用了基于普通继电器的技术方案,降低了硬件成本,具有很强的应用推广价值。同时本文对功能安全认证的流程和工作内容进行了介绍,为需要进行功能安全认证的企业或者个人提供了借鉴。
作者:陈小全、周婷
相关阅读
安全继电器知识讲义
Bruce Desmond谈安全继电器选用
是否可以把安全继电器换成普通继电器
