钢铁行业生产无缝钢管过程中,环形加热炉是重要的生产环节,采用先进的环形炉仪表自动控制系统,直接关系钢管生产质量、环保节能及产能效益,fkswng仪表在本文介绍环形炉仪表自动控制系统的组成和特点,采用的控制回路功能原理及高效节能双蓄热式加热炉换向控制方案等。

1、仪表自动控制系统的总体规划
①基础自动化L1系统基础自动化L1系统选用西门子公司的S7-400产品,该系统具有标准化程度高,可靠性高,操作性好,可维护性好,可扩展性好等特点。L1监控画面统一采用WinCC软件设计。整个系统仪控和电控各设1套PLC系统,PLC的I/O点备用量按15%-20%考虑。充分考虑系统功能的完备和技术先进性。系统总体由一台PLC编程主机(1#远程站),一台PC操作机(2#远程站),PLC数据采集模块,现场检测仪表等构成,主要完成炉温炉压调节控制,钢坯加热时间规划等,环形加热炉自动控制系统总体规划图如图1所示。

图1 环形炉自动控制系统的总体规划
②环形炉仪表自动化系统
环形炉仪表自动化系统分为2级,L0级是指现场测量仪表、执行元件等,主要完成过程参数的检测、信号传输、执行控制动作等;L1级是基础自动化级,接收L0级送来的信号并运算处理,向L0级执行元件发送执行指令。L1级控制系统实现环形炉过程参数的监视和控制,操作人员通过TFT显示屏和键盘、鼠标对生产过程进行操作、监控。设置有UPS供电系统,在短时停电状况下能确保系统的安全运行和数据保存,其中主要的控制回路共有32个,主要的检测回路共有216个,环形炉炉体总体规划图如图2所示。

图2 环形炉炉体总体规划图
2、仪表自动控制系统的方案及原理
由于炉温又受多方面因素影响,如燃气(高炉煤气或混合煤气)的热值、压力、流量波动、空气流量或压力波动、钢坯的尺寸大小及热扎节奏快慢等。因此有必要采取一系列自动控制方案,保证炉温炉压等自动调节控制精准合理,高效节能环保等。
①主要的控制方案原理
a、炉温自动控制原理和燃烧控制原理
温度控制器将温度实测值和设定值进行比较,采用改进型双交叉限幅控制算法计算出燃烧所需煤气和空气的理论流量值,分别将其作为空气流量控制器和煤气流量控制器的流量设定值。两个流量控制器分别将流量实测值和设定值作比较,计算各自的流量调节阀的开度值输出给调节阀,实现对温度的连续控制。
◆加热区炉温控制方案
环形炉6个段加热区炉温自动调节控制器采用改进型双交叉限幅控制算法引入了比值固定燃烧控制方案。在燃气(混合煤气或高炉煤气)热值稳定和成分固定的情况下,燃气量和空气量交替跟踪对方流量值变化,保持在燃气过剩界限和空气过剩界限之内变化,根据空气燃气比值,实现经济燃烧,高效节能,并且空燃比是可以根据燃气种类成分热值变化进行人为合理控制更改,燃气量根据炉温测量值和炉温设定值偏差大小系统自动调节控制,当炉温偏低时,先增加空气量,后增加煤气量;当炉温偏高时,先减煤气量,后减空气量;实现空气和煤气的双交叉控制,既保证煤气的完全燃烧,又达到炉温的精确控制,对于炉温的控制改进型双交叉限幅控制算法中有串级控制方式。
其中上述6个加热段采用改进型双交叉限幅自动控制的原理图如图3所示。

图3 改进型双交叉限幅自动控制的原理
说明:图3中A为煤气流量控制器设定值,空气交叉限幅器的输出;C为预热空气控制器设定值。煤气、空气交叉限幅器由一个高选择器和低选择器构成。
◆改进型双交叉限幅控制算法
为了确保燃气热值成分变化或其他因素干扰带来的燃烧不足或空气过量,在炉温自动控制方案中,采用了氧化锆进行炉内含氧量测试,根据炉内燃烧气体含氧量高低可以判断燃烧是否充分,空气是否过量,并且将氧化锆氧含量信号作为空燃比调整的参考引入仪表自动调节控制系统,使其燃烧自动控制更精确,其原理图如图4所示。
b、各个控制回路检测与流量计算方式
各燃烧控制段煤气、助燃空气流量均采用孔板测量,经差压变送器将其转换为电信号送PLC控制系统。在流量测量值修正中,对热空气、热煤气流量测量值进行温度、压力补正。
②炉膛压力控制
炉膛压力的控制直接影响燃气的消耗、炉体使用年限、炉温的均匀分布、钢坯加热质量,炉压生产控制指标一般在0-10Pa以内,常设定为5Pa,点火烘炉炉压控制指标-1~-10Pa达到炉膛不产生大量热气外泄,不吸入冷空气。本控制系统中炉膛负压选用0.075%高稳定性单晶硅炉膛负压变送器测量炉膛负压,控制系统采用闭环回路控制方案,调整好PID参数即可。在均热段顶部设置1个取压点,在烟道内空气换热器后设置1套烟道挡板。通过调节烟道挡板以保持炉内压力为设定的微正压。其炉压控制原理图如图5所示。

图5 环形炉炉压控制原理
③加热炉热风放散控制
为保护换热器及保持风机不在喘振区工作所需的最小风量,采用热风放散控制方案。热风总管设置热风炉热电偶进行温度检测。热风放散控制原理图如图6所示。

图6 环形炉热风放散控制原理
a、制方式自动方式A方式:在HMI画面上由人工设定热风放散调节回路的设定值。手动方式M方式:在HMI客户机上由人工对热风温度调节器的输出值进行手动控制。
b、控制功能
正常工作时热风放散阀处于全关状态,热风温度高于设定值时自动进入放散状态。
3、仪表自动控制系统蓄热换向阀反抽轮换燃烧系统方案
①蓄热式加热炉的蓄热箱工作原理及其特点蓄热式加热炉的高效蓄热要由蓄热式烧嘴和换向系统组成。其原理是基于蓄热式高温空气燃烧技术(HTAC),充分利用烟气余热来预热助燃空气,达到回收余热的一种最佳燃烧方式。蓄热式加热炉的排烟温度<200℃,热效率≥65%,达到在最大程度上回收调温烟气的湿热,提高助燃空气温度的效果。新型蓄热式加热炉的蓄热室采用陶瓷小球或蜂窝体作为蓄热体,其表面积大,使蓄热室内的体积大大的缩小,并极大的提高了传热效率。再加上新型可靠的自动控制技术及预热介质预热温度高,废气预热得到接近极限的回收。双蓄热式环形加热炉是将高炉煤气和助燃空气双预热至1000℃左右,使得高温煤气和空气混合燃烧产生了较高的理论燃烧温度,这种低热值的高炉煤气可以迅速、稳定、充分的燃烧,高温烟气均匀充满整个炉膛,钢坯加热温度十分均匀,为轧制高质量的钢管创造了条件。
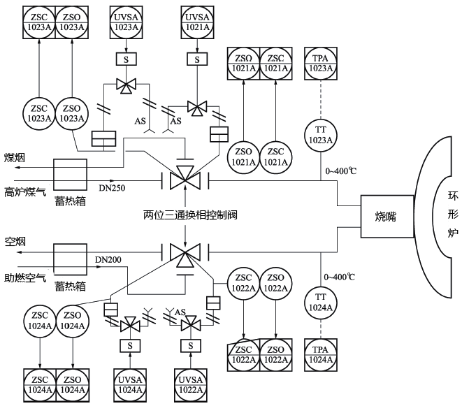
②双蓄热换向阀反抽轮换燃烧方案
在燃烧系统中,烧嘴前引入了反抽双蓄热轮换燃烧方案。传统的环形炉燃烧系统,将燃气与空气混合后进行燃烧,提高炉膛温度,加热管坯,多余的炉膛热气直接进行烟道排放和热风放散。本套燃烧自动控制方案中,引入了煤烟与空烟提前进行蓄热箱预热燃气和空气温度,煤烟与空烟来源炉膛内多余热气,从烧嘴处反抽过来,这样减少了废热烟气的排放,同时相比靠直接燃烧提升燃气和空气温度,又降低了燃气的消耗。采用的是常规仪表,如电磁阀,两位三通换向阀带开关到位反馈信号,成本低,轮换燃烧是指环形炉分为内环与外环,当内环燃烧时,对应的燃烧段外环处于反抽预热阶段,达到预热温度时,燃烧系统可进行自动切换,燃烧外环预热好的燃气与空气,此时内环处于反抽预热模式;并且对应的内外烧嘴反抽时,燃烧热能能够更加快速均匀的分布炉膛内加热管坯,对于燃烧火焰采用脉冲式燃烧控制,高效节能,蓄热箱后烧嘴前换向阀自动控制原理如图7所示。

图7 换向阀自动控制原理
③脉冲式火焰燃烧控制方案
仪表自动控制系统对火焰的燃烧控制采用脉冲式燃烧技术,间断的燃烧符合对炉温均匀性要求较高,大容量的工业炉,采用脉宽调制技术,通过换向阀调节燃烧时间的占空比(通断比),实现烧嘴火焰的控制,温度加热,燃气的流量可以通过压力调节预先设置,烧嘴一开始工作就处于满负荷状态,保证燃烧时烧嘴燃烧速度不变。升温时,换向阀预热好的燃气通往烧嘴时间加长,间断时间减少;降温时,换向阀预热好的燃气通往烧嘴时间减少,间断时间加长:保温时换向阀常采用50秒通断预热好的燃气进行燃烧控制。
脉冲式燃烧控制主要优点:
a、传热效率高,大大降低能耗;
b、提高炉内温度场的均匀性;
c、提高了烧嘴的负荷调节比;
d、减少NO和NO2的产生;
e、实现燃烧的精准控制。
4、HMI人机对话的界面功能
采用HMI客户机屏幕显示的方式,主要HMI画面清单:开炉允许画面;系统总貌画面;报警总貌画面;参数设定画面;分段显示画面;控制回路画面;实时趋势画面;历史记录画面。
在组态软件应用方面,绘制了仪表主画面、温度监控、燃烧分段控制、物料跟踪等多幅动态工艺流程主操界面,并且自诊断故障点及原因,若炉温某燃烧段串级比例控制发现故障,自动切换为手动控制,空燃比此时仍有效,以煤气量为基准限控空气量,自动串级控制无效,防止系统误操作。通过操作机和主机都可以反映出故障点等运行报警情况。
本系统运行投入以来,一直运行稳定,各项控制指标完全满足工艺生产要求。加热能力完全达到加热圆钢坯55万t/年的设计产量,采用的双蓄热式反抽轮换燃烧控制技术提前将高炉煤气和助燃空气双预热至800~1000℃左右,使高炉煤气得到合理利用,炉内多余热风量的放散率降由原来50%下降至目前的20%以下,降低了能源消耗,为企业节能降耗创造出可观的经济效益。
作者:黄承云、邓华、曾春霞
