fkswng仪表制造有限公司是国内余热发电自动化控制工程商,经常涉及电气系统继电保护方面内容,fkswng仪表在本文分享我国断路器失灵保护的工作原理和断路器失灵保护方案优点,希望对广大仪表人和电气人有所帮助。
我国断路器失灵保护的工作原理
对于断路器失灵保护的配置和实现方案,我国技术标准有着明确的要求。标准化方案将断路器失灵保护分为线路保护分相启动断路器失灵保护和变压器、线路永跳保护共用三相启动断路器失灵保护,其动作逻辑分别如图1和图2所示。
1、分相启动断路器失灵保护
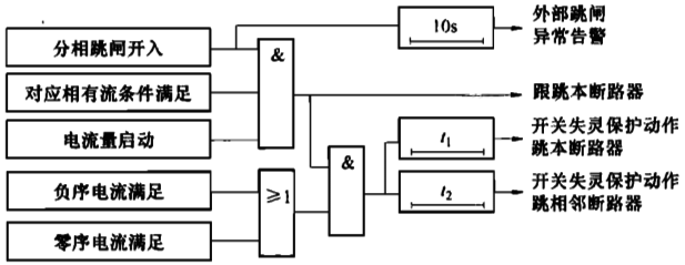
当线路保护分相跳闸触点开入和相对应的相电流条件满足,且电流量(零序电流或变化量电流)启动元件动作时,断路器失灵保护瞬时动作并重跳本断路器对应相。同时若断路器失灵保护零序电流或者负序电流判据满足,则断路器失灵保护经Ⅰ段时限后跳本三相断路器,经Ⅱ段时限跳开所有相邻断路器。保护动作逻辑如图1所示,这样可以避免失灵误启动,并增加了开入量异常告警功能。

图1 分相启动断路器失灵保护动作逻辑
t1为断路器失灵保护动作跳本断路器时间;t2为断路器失灵保护动作跳相邻断路器时间
2、三相启动断路器失灵保护
保护三相启动断路器失灵保护也可分为经低功率因素、负序过电流和零序过电流三个辅助判据开放。为了防止三相严重故障情况下三相操作的断路器三相失灵,此时无零序、负序电流,因故障电压很低,可导致低功率因素条件判断不能满足开放条件,因此特补充三相电压均低且无电压互感器断线时,低功率因素条件将自动满足。保护逻辑如图2所示。

图2 三相启动断路器失灵保护动作逻辑
t1为断路器失灵保护动作跳本断路器时间;t2为断路器失灵保护动作跳相邻断路器时间
我国断路器失灵保护方案优点
相对巴西电网所选用的断路器失灵保护原理,我国断路器失灵保护方案有如下优点
①判据考虑全面且整定简单
断路器失灵相电流定值只要按照有流条件整定,满足断路器保护的采样精度就可以了。其电流门槛不需要躲过负荷电流,主要作用是反映断路器位置是否在合位。分相启动失灵保护通过启动元件,零序电流、负序电流的辅助判据,来防止重负荷情况下失灵保护误启动,其定值门槛值只要按躲过最大不平衡零序电流与负序电流整定就可以了。对于三跳启动失灵保护增加了低功率因数判据,功率因数角只需按躲过负荷最小功率因数整定即可。
②防误动能力强
由于断路器保护启动元件和辅助判据均能保证正常情况下不满足动作条件,因而即使保护启动断路器失灵保护触点误开入,失灵保护也不会误出口。
③时间逐步配合,动作范围明确
失灵保护有瞬时跟跳、经I段延时跳本断路器、经Ⅱ段延时跳所有相邻断路器三级,时限配合能够有效避免故障范围扩大。
④自检功能完善
当启动断路器失灵保护触点的开入超过10s后,自动发告警信号,便于运行人员查找问题。
3、什么是断路器失灵保护?
断路器失灵保护就是指故障电气设备的继电保护动作发出跳闸命令而断路器拒动时,利用故障设备的保护动作信息与拒动断路器的电流信息构成对断路器失灵的判别,能够以较短的时限切除同一厂站内其他有关的断路器,使停电范围限制在最小,从而保证整个电网的稳定运行,避免造成发电机、变压器等故障元件的严重烧损和电网的崩溃瓦解事故。
在110kV及以上电压等级的发电厂和变电所中,当输电线路、变压器或母线发生短路,在保护装置动作于切除故障时,肯能伴随故障元件的断路器拒动,也即发生了断路器的失灵故障。产生断路器失灵故障的原因是多方面的,如断路器跳闸线圈短线,断路器的操动机构失灵等。高压电网的断路器和保护装置,都应具有一定的后备作用,以便在断路器或保护装置失灵时,仍能有效切除故障。相邻元件的远后备保护方案是最简单合理的后备方式,既是保护据动的后备,又是断路器拒动的后备。但是在高压电网中,由于各电源支路的助增作用,实现上述后备方式往往有较大困难(灵敏度不够),而且由于动作时间较长,易造成事故范围的扩大,甚至引起系统失稳而瓦解。有鉴于此,电网中枢地区重要的220kV及以上主干线路,系统稳定要求必须装设全线速动保护时,通常可装饰两套独立的全线速动主保护(即保护的双重化),以防保护装置的拒动;对于断路器的拒动,则专门装设断路器失灵保护。
作者:多功能电力仪表
