1、特性与技术指标
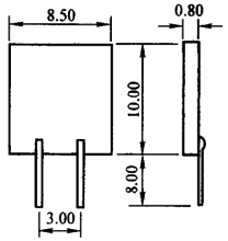
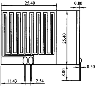
厚膜铂热电阻主要特性与薄膜铂热电阻基本相同,日本产厚膜铂热电阻的结构见图1-图4,其技术指标见表1。

日本产100S25厚膜铂电阻 日本产100W47厚膜铂电阻

日本产100P30厚膜铂电阻 日本产50W85厚膜铂电阻
表1 厚膜铂热电阻主要技术指标
量程/℃ 电阻值/Ω 电阻误差% 自热系数/mW/℃ 0℃电阻 100℃电阻 绝缘电阻/MΩ 响应时间/s
-70~600 72.35-313.72 0.075-0.1 100-200 100Ω 138.51 1-10 0.15-0.3
2、厚膜铂热电阻电阻与温度关系及元件制备
厚膜铂热电阻与温度的关系为RT=R0+(1+αT),显然电阻温度系数α越大,电阻值的变化也越大,因而测温准确度越高。它的制备工艺是,高纯铂粉与玻璃粉混合,加有机载体调成糊状浆料。用丝网印刷在刚玉基片上,再烧结安装引线,调整阻值,最后涂玻璃釉作为电绝缘及保护层。阻值调整决定了产品精度等级,采用超声法调组可达到±(0.10%-0.20%)的水平。
3、厚膜铂热电阻应用
厚膜铂热电阻与线绕铂热电阻的应用范围基本相同。但是,制成铠装形式,在表面温度测量及在恶劣机械振动环境下应用,却明显优于线绕式。
①表面温度传感器。当用于测量物体表面温度时,将厚膜铂热电阻直接贴在被测表面上,也可以依据被测表面情况,采取不同的安装方式,能保证得到准确、可靠的测量结果。
②容器温度传感器。容器温度测量可采用圆柱形厚膜铂热电阻,它的特点是强度高、抗腐蚀能力强。
③插入式温度传感器。主要用于测量管道及密封容器中介质的温度。也可在高强度、高速流体中进行测量。厚膜铂热电阻多用于直接测量平面物体的表面温度、要求测温准确度高的医疗器械与显影液控制装置。
相关阅读
薄膜铂热电阻
选对铂电阻元件 提高铂电阻质量和使用寿命
