1、S7-400H的接地要求
S7-400H的接地要求,与fkswng仪表网技术文章“S7-400 PLC接地要求”相同,如图1所示。

图1 S7-400H的接地原则
另外,ET200M机架和IM153-2的接地要求与S7-300 PLC接地要求相同,如图2所示。

图2 ET200M的接地示意图
从图2看出,西门子系统的PE既做保护地,同时由于ET200M系列模板的特点,PE也作为系统工作的基准电位,因此PE同时承担了系统基准点的功能,PE接地的好坏直接影响系统的稳定性。系统柜内的接地汇流条宜选用镀锡铜排,接地线也压好电缆接头,如图3所示。

图3 电柜内的PE接地总线
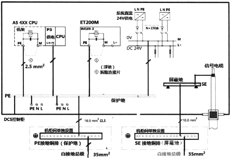
2、DCS的接地原则
DCS的接地方式,请参看图4。

图4 DCS控制系统的接地示意图
①接地电阻要求
◆从仪表设备的接地端子到总接地板之间的导体及连接点电阻的总和称为连接电阻。仪表系统的接地连接电阻不应大于1Ω。
◆接地极的电位与通过接地极流入大地的电流之比称为接地极对地电阻。接地极对地电阻和总接地板、接地总干线及接地总干线两端的连接点电阻之和称为接地电阻。仪表系统的接地电阻不应大于4Ω。
②推荐接地线的颜色
见表1
表1 DCS控制系统接地线的颜色
接地线用途 DCS控制系统接地线的颜色
保护接地的接地连线、汇流线、分干线、汇总线、干线 绿色
信号回路和屏蔽接地的接地连线、汇流排、分干线、工作接地汇总版、干线 绿色+黄色
本安接地分干线、汇流条 绿色+黄色
总接地板、接地总干线、接地极 绿色
③DCS控制系统接地连接线规格
接地系统的导线应采用多股绞合铜芯绝缘电线或电缆。接地系统的导线应根据连接仪表的数量和长度按以下数值选用:
◆接地连线>2.5-4.0mm2;
◆接地分干线>16-35mm2;
◆接地干线>35-75mm2;
仪表接地相关阅读
仪表人最关注的16个仪表接地问题解读
叶向东关于仪表保护接地的疑难解答
