西门子S7-400 PLC与S7-300 PLC类似,因此在接地方面的要求也与S7-300 PLC接地有很多都相同之处,在此仅对S7-400 PLC独有的特性进行说明。
1、S7-400 PLC系统的接地总览
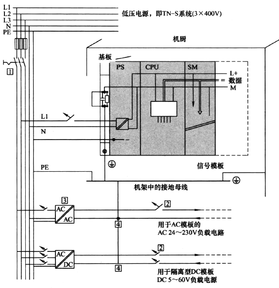
S7-400 PLC系统的供电是通过电源模板和背板总线实现的,这与S7-300 PLC系统有所区别。P5407电源模板从供电系统取电(例如L1、N、PE),然后给背板总线提供DC24V和DC5V电源,从而进一步给机架上的其他模板内部芯片提供电源。机架导轨、参考位M
和机柜均与机柜内的接地母线连接,最后与TN-S供电系统的PE连接,如图1所示。

图1 具有接地电源的S7-400 PLC系统
2、西门子S7-400 PLC系统的接地规范
①电源模板的接地要求
S7-400 PLC电源模板(PS407)连接到供电电源上时需使用专用的电源连接器(插头),如图2所示。

图2 电源连接器连线示意图
注意:应将PE线进行连接。
②S7-400 PLC的CPU的接地连接
A、具有参考接地电位(0V)
如果系统已有参考接地电位方式构成的,则任何扰动电流都被释放到大地中去。
在S7-400 PLC的安装底板的最左侧,有一个金属连接片,同时左下角还有一个接地端子。正常情况下,将接地端子接地后,系统通过金属连接片实现了系统内部参考电位M(0V)通过金属连接片进行接地,如图3所示。

图3 具有参考接地电位的S7-400 PLC结构
实物如图4所示。默认情况下,S7-400 PLC系统均采用该接地方式。

图4 S7-400 PLC安装底板上的金属短接片
B、没有参考接地电位(浮地方式)
如果在一个大型设备中,需要对地线的故障进行监测(例如在化学工业或者在电站项目中,常有这样的要求),则需要将S7-400 PLC系统采用浮地的方式,此时须将金属片拆除。
在浮地系统中,由于底板上参考接地电位M和“地”之间的金属片被拆掉,此时S7-400 PLC的参考电位M是通过RC网络后才接大地接地端的。此时将左下角的接地端子进行接地处理后,可以通过RC回路释放扰动电流,并可避免静电荷的产生,如图5所示。

图5 没有参考接地电位的S7-400 PLC结构
实物如图6所示。

图6 S7-400 PLC安装底板上的金属短接片被拆掉
如果系统只希望在CR处与整个设备相连接,则此时各个ER都是以浮地的方式处理。(例如:如果一个ER是通过具有5V电源连接的IM连接到CR的,则该ER必须浮地)。
PG如果连接到一个浮地的S7-400 PLC系统时,必须通过下个RS-485中继器来连接。
C、系统中存在隔离模板
如果S7-400 PLC系统中存在隔离的模板,则系统的参考电位(0V内部)和外部的负载电路的参考电位(0V外部)是隔离的,如图7所示。

图7 隔离模板的低与系统地须隔离
对于输出模板,如果有额外的负载电源,则此时该负载电源与系统电源有两种可能性:隔离的或非隔离的电源。
a、对于非隔离电源,则应将金属短接片保留,同时将系统地相连,如图8所示。

图8 对于非隔离电源的接地方式
b、对于隔离电源,则负载电源的地线不与系统内的任何地线进行连接。
③S7-400 PLC数字量模板的接地要求
请参看S7-300 PLC接地部分。
④S7-400 PLC模拟量模板的接地要求
请参看S7-300 PLC接地部分。
A、将传感器连接到模拟量输入模板
a、连接电隔离传感器隔离传感器不与本地的“地电位”连接(机壳接地),它们可处于浮接状态。
为了确保在受EMC严重影响的环境下不超出UCM的允许值(请参看具体模板参数),请将信号测量线路的M-与模板的MANA连接,如图9所示。

图9 将隔离传感器连接到电隔离AI模板
说明:1为电隔离传感器;2为外壳接地;3对于带MANA的模块,需要进行连接;M+为测量线路正极;M-为测量线路负极;MANA为模拟测量电路的参考电位;UISO为MANA与机壳接地间的电位差。
注意:当连接2线制传感器进行电流测量以及连接电阻类型的传感器时,请不要将M-连接到MANA。此规则也适用于已进行相应编程但尚未使用的输入。
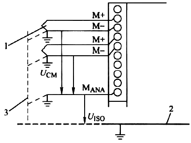
b、非隔离传感器连接到模板
使用非隔离传感器时,必须将MANA连接到机壳接地。
根据本地条件或干扰的不同,在本地分布的测量点之间可能出现电位差UCM,如果超过 UCM的允许值,则在测量点之间必须进行等电位连接,如图10所示。

图10 将非隔离传感器连接到电隔离AI模板
说明:1为非隔离传感器;2为机壳接地;3为等电位连接导线;M+为测量线路正极;M-为测量线路负极; MANA为模拟测量电路的参考电位;UISO为MANA与机壳接地间的电位差。
B、将负载/执行器连接到模拟量输出
对于隔离的模拟量输出模块,在测量电路MANA的参考点和机壳接地之间没有电气连接。如果在测量电路MANA的参考点和机壳接地之间出现电位差UISO,则必须使用隔离的模拟量输出模块。通过MANA端子和机壳接地之间的等电位连接导线,可确保UISO不超过允许值。
a、对负载/执行器连接到电压输出
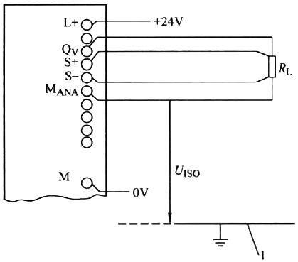
◆ 负载到电压输出的4线制连接
采用4线负载电路可获得更高的精度。对S-和S+传感器线路直接接线并连接到负载。这样即可直接测量和修正负载电压。
干扰和电压突降可能会在检测线路S-和模拟电路MANA的参考回路间产生电位差。此电 位差(UCM)不得超过允许值。任何超过限制值的电位差都会对模拟信号的精度产生不利影响,如图11所示。
图11 负载到电隔离模拟量输出模块电压输出的4线制连接
说明:1为外壳接地;L+为DC24V供电电压接线端;Qv为模拟量输出电压;S+为检测线路正极;S-为检测线路负极;MANA为模拟电路的参考电位;M为接地; UISO为MANA与机壳接地间的电位差
◆负载到电压输出的2线制连接
使用2线连接时,应在前连接器上将S+连接到Qv,将端子S连接到MANA。但这样达不到4线制连接的精度。而负载则连接到Qv和MANA端子,如图12所示。

图12 负载到电隔离模拟量输出模块电压输出的2线制连接
b、对负载/执行器连接到电流输出
负载应连接在Q1和MANA端子之间,如图13所示。

图13 将负载连接到隔离AO模板的电流输出
说明:L+为DC24V供电电压接线端; Q1为模拟量输出电流;MANA为模拟电路的参考电位; M为接地;UISO为MANA与机壳接地间的电位差。
3、S7-400 PLC系统接地电缆的要求
接地线缆的选择:
①用正确的导线确保线径适合承载所需电流,具体要求见表1
表1 电源和前连接器的接线
②系统布线应分组(高压/电源/信号/数据电缆),用隔离的管道或单独的电缆束来布放高压、信号或数据线。数据电缆和低压电缆与其他电缆的布置要求见表2
表2 数据电缆和低压电缆与其他电缆的布置要求
中压/高压电缆与其他电缆的布置要求见表3
表3 中压/高压电缆与其他电缆的布置要求
③所有地线应尽可能地短且应使用大线径,见下面接地说明,例如:最小直径为10mm2。
机柜/框架接地:通过优质金属制成的电缆连接到地母线;
基板接地:在机柜中,没有安装基板和没有通过大金属篇(块)做内部连接时,应将基板通过截面积至少为10mm2的电缆连接到地母线上;
模板接地:由于模板插入基板后,通过后底部自动接地,所以不再需要另外接地;
外设接地:通过电源插头接地;
连接用电缆的屏蔽层接地:连接到基板或地母线上(应避免构成地线回路);传感器和执行接接地:根据该系统的有关规范来接线。
