1、双法兰差压变送器
法兰变送器是在普通的变送器基础上增加了一个远程密封装置构成的,所以也叫远传差压变送器。 远程密封装置由法兰膜盒、毛细管和毛细管内的填充液三部分组成。 工作时,被测介质作用在法兰膜盒的隔离膜片上,使膜片产生变形然后通过毛细管内的填充液, 将压力传到变送器的敏感元件,经转换,仪表便输出相应的信号。 以下情况需要用到法兰变送器: 过程温度超出变送器的正常工作范围, 而且不能用导压管把温度调节至极限范围内;过程具有腐蚀性,需要频繁更换变送器或使用特殊结构材料; 过程中含有悬浮固体颗粒或者具有粘滞性,可能会堵塞导压管;要求使用卫生连接件;要求能够轻松清洗连接件位置,以避免批次间的污染;参考液柱不稳定,需要更换湿/ 干柱以减少维护工作,或需要重新灌充/ 排干;需要测量密度或界面;变送器或导压管中的过程介质可能冻结或凝固。

双法兰差压变送器测量液位的原理和普通差压变送器测量液位的原理是一样的,所不同的是引压方式。 容器中的液体或物料受重力的作用,会对容器底部或侧壁产生一定的静压力P。 当液体或物料的密度均匀时,此静压力与液体的高度h成正比,使用变送器测出容器底部的静压力,就可知道液位高度。
2、双法兰差压变送器安装和调试
双法兰液位变送器的正确规范安装以及与安装方式对应量程、上限、下限的计算和设置决定了液位测量的正确性和准确性。根据双法兰变送器的特点,对变送器位于两个法兰中间、下部法兰下方和上部法兰上方等3种安装以及安装方式对应的参数计算和设置方法进行比较分析。
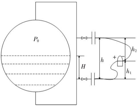
①双法兰差压变送器安装在两个法兰中间
双法兰差压变送器安装高度在两个法兰中间,变送器的正压室(H侧)测接下部法兰,负压室(L侧)侧接上部法兰,这种安装方
式符合工作人员的习惯及常识,如图 2 所示。

图2 双法兰差压变送器安装在密闭容器两个法兰之间
图2中,H为高加内的实际液位;h为高加内的上部法兰和下部法兰之间的距离;h1为变送器负压侧和高加上部法兰之间的高度;h2 为变送器正压侧和高加下部法兰之间的高度;P0 为设计工况下高加内的压力;ρ水为设计工况下高加内水的密度;ρ介为毛细管内所充介质的密度。
在高加内水的高度为H时,双法兰差压变送器正压测所受的压力为:P+=P0+ρ水×gH-ρ介×g×h2;双法兰差压变送器负压侧所受的压力为:P-=P0+ρ介×g×h2;所以,变送器正负压侧的差压:P=P+-P-=ρ水×g×H-ρ介×g×h2-ρ介×g×h2=ρ水×g×H-ρ水×g×h;当液面最低H=0时, P1=-ρ介×g×h;当液面最高H=h时,P2=-ρ水×g×h-ρ介×g×h。
所以双法兰差压变送器要做负迁移,迁移量:A=-ρ介×g×h;双法兰差压变送器需要校验的量程为:L=P2-P1=ρ水×g×h;利用手操器将变送器的零点设置为-ρ介×g×h, 满点设置为ρ水×g×h-ρ介×g×h,其对应输出为4-20mADC。
②双法兰差压变送器安装在两个法兰下方
双法兰差压变送器位于下部法兰下面,和图2一样使用常用的高压侧接下面、负压侧接上面的引压方式,双法兰差压变送器的布置和常规电厂高加液位测量以及常见密闭容器测量液位一样,如图3所示。 这种安装方式一般需要把双法兰差压变送器布置于容器所在平台的下一层。双法兰差压变送器正压侧所受的压力为:P+=P0+ρ介×g×H+ρ介×g×h2;负压侧所受的压力为:P-=P0+ρ介×g×h2;所以,双法兰差压变送器正负压侧的差压:P=P+-P-=ρ水×g×H-ρ介×g×h2-ρ介×g×h2=ρ水×g×H-ρ水×g×h;当液面最低H=0时, P1=-ρ介×g×h;当液面最高H=h时,P2=-ρ水×g×h-ρ介×g×h。所以变送器要做负迁移,迁移量:A=-ρ介×g×h;所以双法兰差压变送器需要校验的量程为:L=P2-P1=ρ水×g×h;利用手操器将变送器的零点设置为-ρ介×g×h, 满点设置为:ρ水×g×h-ρ介×g×h,其对应输出为4-20mADC。

图3 双法兰差压变送器安装在密闭容器低端法兰之下
③双法兰差压变送器安装在两法兰上方
双法兰差压变送器位于上部法兰上面,引压方式和上述两种方法一致,如图4所示,但这种布置方式很少用到。
变送器正压侧所受的压力为:P+=P0+ρ水×g×H-ρ介×g×h2;变送器负压侧所受的压力为:P-=P0+ρ介×g×h2;所以,双法兰差压变送器正负压侧的差压:P=P+-P-=ρ水×g×H-ρ介×g×h2-ρ介×g×h2=ρ水×g×H-ρ介×g×h;当液面最低H=0时,P1=-ρ介×g×h;当液面最高H=h时,P2=-ρ水×g×h-ρ介×g×h。所以双法兰差压变送器要做负迁移,迁移量:A=-ρ介×g×h;所以双法兰差压变送器需要校验的量程为:L=P2-P1=ρ水×g×h;利用手操器对变送器的零点设置为-ρ介×g×h, 满点设置为:ρ水×g×h-ρ介×g×h,其对应输出为4-20mADC。

图4 双法兰差压变送器安装在密闭容器高端法兰之上
④双法兰差压变送器调试安装
通过上面3种安装方式的计算,可以看出,双法兰差压变送器在高加液位测量中,无论变送器安装在取压口的任何位置,其迁移量和量程都是不变的。 其安装位置对变送器的量程以及迁移量是没有影响的。在对变送器相关参数进行计算时,毛细管填充液的密度 ρ介是已知的, 通过设计文件或者现场精确测量可以得到两个法兰的安装距离h, 这样可以方便计算出液位变送器的量程L和迁移量 A。 然后用 HART手操器对变送器的零点和满点进行设置。
双法兰差压变送器的校验和普通差压变送器类似,但需要考虑毛细管内的液位变化带来的压力变化。 所以需将变送器的两个法兰置于同一水平面上,用法兰连接头连接变送器毛细管法兰和压力校验仪,压力平稳升至最大量程,并保持15min,确认毛细管无泄漏,然后用5点法在P1到P2范围内进行校验。校验过程中,膜片朝下放置可能会损伤膜片表压,应做好保护。
双法兰差压变送器校验合格后, 安装前应检查法兰与毛细管、毛细管与变送器的连接部分及毛细管本身是否有液体泄漏;法兰膜片有无变形、损伤、腐蚀。 安装时,为减小环境温差的影响,可将高、低压侧的毛细管束在一起,并将毛细管束绑扎以免振动等的影响,超长部分的毛细管应卷在一起固定;弯曲毛细管时,弯曲半径不应小于150mm,以免管截面变小,影响压力传送,降低灵敏度;安装过程中,避免扭曲、挤压毛细管。
三门核电采用第一种安装方式,为了运行巡检及维护方便,各个高加的3个液位变送器统一安装在一个仪表架内(布置在和高加同一平台且周围环境温度相对稳定的地方),这样可以减小或者消除因周围环境温度变化导致毛细管填充液膨胀收缩引起的附加误差。
3、双法兰差压变送器和普通差压液位变送器的比较
①省去了平衡容器和仪表管,减少维护工作
由于变送器毛细管内充满介质, 所以省去了平衡容器、参比液柱和仪表管,减少了设备投入以及这些设备的日常维护工作, 同时也消除了因平衡容器内液位变动,仪表管堵、漏和有不凝性气体引起的附加误差。
②省去了阀组 ,减少了阀组的投入以及日常维护工作。
③因法兰膜盒离变送器本体远 ,而且毛细管内充满隔离介质, 所以在合理选择毛细管介质的情况下,可以测量更高的温度,不需要很长的仪表管对接液进行冷却。
④安装方便,可以和高加布置在同一层平台,不用考虑引压点的位置,巡检及维护方便。 而普通差压变送器测量液位需要通过很长的仪表管,引压到更低一层的平台,增加了投入及维护难度。
⑤测量精度和普通差压变送器几乎相同。
⑥因为双法兰差压变送器比普通变送器多了一个远传密封装置, 所以仪表的结构相对较为复杂,材质要求高,价格也更贵。
经过正确的校验、安装和调试,使用双法兰差压变送器能准确地测量高加液位,和使用普通差压变送器测量液位相比,优点明显,维护相对减少,而且布置更加灵活。
