与传统传感器相比,集成电路(IC)温度传感器具有设计简单、体积小、价格低、响应速度快、精确度高、集成度高等优点,在计算机、通信、电信及工业控制等领域得到广泛应用。例如,可以将温度传感器直接嵌入到功率集成电路的热源中去探测温度,精准地控制功率管的温度,从而提高智能功率集成电路芯片的可靠性。
由于CMOS工艺具有集成度高、成本低、功耗低、与标准数字工艺兼容以及芯片面积小等优点,可以集成更多的信号感知、调节、转换、处理和控制等功能,已成为智能温度传感器的主流工艺技术。采用0.16μm CMOS工艺制作的传感器在-55℃~125摄氏度温度范围内的测温误差达到±0.15℃;有文献报道,在军用温度范围内的测温误差达到±0.1℃。根据市场研究公司Marketstand Markets的分析报告,CMOS温度传感器2013-2020年市场占有额年均增长46.16%,预计2020年达到9.6亿美元。CMOS工艺的应用使得传感器智能化加速发展,片上智能CMOS温度传感器在现代热管理系统中已被广泛采用。
本文概述了IC温度传感器的技术现状,在分析IC温度传感器原理的基础上提出了设计控制、工艺控制、应力控制等几种精度控制要素,从原理、设计、工艺、应用等方面对IC温度传感器进行了探讨。
1、IC温度传感器技术采用
CMOS工艺设计并制作IC温度传感器有多种方法,通常归纳为4类:①BJT基温度传感器;②MOSFET基温度传感器;③环振荡器基温度传感器;④传播线基温度传感器。在这些方法中,热二极管、热晶体管(基极连接在一起可构成二极管)可以作为敏感元件。在CMOS工艺中,可采用寄生双极晶体管作为温度敏感元件,将BiCMOS或BCD等先进CMOS工艺中包含的双极晶体管结构加以利用。采用BiCMOS工艺制造的集成温度传感器将双极晶体管作为温度传感器的感温元件,具有受工艺波动的影响小、与标准数字工艺兼容、功耗低等优点。
SOI CMOS微热板等高温测温技术也在探索中。受到热敏二极管可用温度范围的限制,采用体硅工艺制作的传感器的测温范围被限制在-55~150℃的范围内。若采用SOI工艺,测温范围可扩大到--55~200 ℃。比利时Catholic University of Louvain大学微电子实验室使用SOI工艺技术(FD SOI工艺的SOI横向PIN晶体管),大大扩展了温度范围,设计出的传感器工作温度为25-250℃,精度为3℃,分辨率为0.8℃,仅需2个校准点。在新加坡科学工程研究委员会的项目中,技术人员研究出一种工作温度高达250℃的智能温度传感器前端。
1.1 热二极管
热二极管传感器的优点是能与IC工艺兼容,且成本较低。当二极管由一恒定正向电流驱动时,其正向偏置电压随着温度的升高而线性降低,这一性质被用于制作IC温度传感器。若要进一步增加灵敏度,可以采用2个或多个二极管串联的方式,典型的可用温度范围是-100~250℃。
1.2 热晶体管
在集成电路中,热二极管实际由基极连在一起的双极晶体管构成。普通二极管作为温度传感器,虽然制作工艺简单,但其线性度差。因此,将NPN晶体管的BC结短接,在基极和射极扩散区形成唯一有源结,利用BC结作为感温元件,即通常的2个三极管形式。若先对三极管的两端加上高正向偏置电流,再加上低的正向偏置电流,让这2个电压的电压差ΔVBE仅仅取决于这2个电流的比值,使其接近理想的PN结,其线性度接近理论推导值,从而获得较高的温度检测精度。
1.3 遥感传感
将1个遥感热二极管(或者热晶体管)安装于封装之内或安装在发热系统同一芯片上,传感器的其他部分不与系统直接接触,可通过遥感进行控制。传感器还包括A/D转换器、逻辑电路以及读出电路,可向微控制器发送优化系统所需的电热信号。
1.4 带隙基准
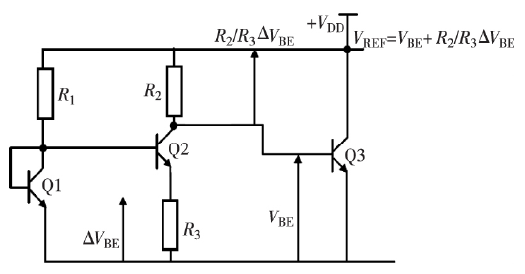
带隙基准电路是先进IC温度传感器的基本单元,用于产生独立于温度的基准电压VREF。带隙电路提供的基准电压等于硅在零温度时带隙电压的外推值1.205V。Widlar单元作为与温度无关的输出基准电压源,如图1所示,可将带隙电压电路转化为电压正比于绝对温度(VPTAT)的传感器。观察电阻R2两端的电压降,它正比于绝对温度并且被R2/R3放大。而电流正比于绝对温度(IPTAT),视为恒流发生器,与绝对温度呈线性变化。一般地,VPTAT增益为6-20mV/℃的模拟传感器以及IPTAT增益为1-10μA/℃的模拟温度传感器,其精度的变化范围约为0.5%-2%。

图1 Widlar单元作为与温度无关的输出基准电压源
1.5 CMOS传感器
1.5.1 敏感器件
大多数CMOS(如BiCMOS和BCD)传感器利用了双极晶体管的特性。基本的、精度最高的CMOS温度传感器是硅PN结二极管(即热二极管)。硅双极结型晶体管工作于二极管模式时,可作为温度传感器。标准CMOS传感器工艺主要利用2种类型的寄生双极晶体管作为感温器件。
1.5.2 工作原理
CMOS智能温度传感器模拟前端的工作原理如图2所示,其中,图2(a)所示为2个以二极管形式连接的PNP(衬底、寄生、双极)晶体管结构,图2(b)所示为CMOS温度传感器结构。图2中,2个相同晶体管的VBE差值表现为正温度系数,与温度或集电极电流的特性无关,即ΔVBE与绝对温度成正比。如果工作在不相等的电流密度下,那么它们的射极-基极电压用于产生电压值,其电压值正比于绝对温度的数值VPTAT以及带隙基准电压VREF,VPTAT与VREF二者之比就是温度测量值。注意到图2中的带隙电压随温度降低而下降的数值为2mV/K。因此需要加上α×ΔVBE以补偿电压降低值,使VREF保持恒定。

图2 CMOS智能温度传感器工作原理
1.5.3 CMOS横向双极晶体管(CLBT)和CMOS纵向双极晶体管(CVBT)
标准CMOS传感器主要利用CLBT和CVBT这2种类型的寄生双极晶体管作为感温器件,CVBT和CLBT的剖面图如图3所示。CLBT是分别与NMOS管或PMOS管处于平行位置的横向NPN或PNP晶体管,如果MOS管的栅极处于空置状态,并且对双极管基极-发射结进行正向偏置,双极晶体管就处于工作状态。CVBT是P阱CMOS NPN或CMOS PNP的2中衬底寄生晶体管CVBT以源漏扩散作为发射极,阱作为基区,衬底作为集电极,其性能与双极晶体管较接近,缺点是集电极被固定在芯片的衬底,使用范围受到限制。

图3 CVBT和CLBT的剖面图
CLBT以MOSFET的源-漏扩散作为发射极和集电极,沟道作为基区,工序相对简单,且集电极不受限制。由于基区掺杂浓度偏差造成沟道载流子迁移率不均匀,以及侧向扩散导致基区发射极面积和基极宽带无法精确控制,工艺精确控制困难,晶体管的电流增益一般小于5。
采用双极晶体管制作的温度传感器存在如下缺陷:当该结构工作在AC电源下,因为衬底漏电流的存在,会出现信号幅度随频率变动的现象。可通过采用具有N型埋层的CMOS偏置源来解决。
1.6 脉宽调制(PWM)传感器
脉宽调制(PWM)温度传感器基于温度占空比的输出信号,可以通过VPTAT和频率转换器的电压获得。
2、CMOS传感器精度控制
2.1 设计控制
CMOS智能温度传感器所能达到的精度通常由双极晶体管的精度确定,因此,可以从模型、设计、校准、工艺等方面着手。
①用精密模拟IC设计保证只能有唯一主要误差源VBE。电路设计应保证双极晶体管偏置电流工作在最适宜精确感测温度的区域;需要设计高精度A/D转换器,以便准确获得基极-发射极电压。
②开发出有效的校准技术,对因为VBE而产生的误差进行校准,这与生产线工艺设计相关。智能传感器的校准可以在晶圆级,即在传感器被切片或封装前或封装后进行。若需要误差低于±0.5℃,则要在封装后进行校准。
③在智能传感器中加入一个抵消或补偿温度波动的控制动作。例如,动态误差校准技术就是在传感器前端加入具有滤波功能的A/D转换器,从而将接收的已被前端调制的干扰输入信号滤除掉。
2.2 工艺控制
硅热敏二极管的性能将受到IC工艺和可靠性的限制。结温通常受到金属接触的电迁移、电路闭锁、导线键合可靠性、封装可靠性以及离子污染效应的限制。因此,对这些因素必须进行有效控制。
智能温度传感器的发射极-基极电压VBE的重复性基本决定了传感器的初始精度。例如,如果工艺特征尺寸发生变化,导致薄膜电阻和VBE的数值发生变化,即薄膜电阻和VBE的分布会随着工艺特征尺寸的不同而发生变化。可以通过修调等工艺对VBE等参数进行控制,修调需建立在对参数分布准确认识的基础之上。
2.3 应力控制
在组装和封装过程中产生的机械应力,会导致双极晶体管特性发生改变。控制应力需要对基极-发射极电压的温度效应进行量化,找到最小化性能参数漂移的方法。
2.4 热管理
CMOS智能温度传感器片上智能CMOS温度传感器具有本地探测和接口适配等特点,在现代热管理系统中被广泛采用。在超大规模IC的宽温度工作范围应用中,仅仅要求中等测量精度(±1-2℃)。这类传感器的工作电压已低至0.8V,电源灵敏度达到4℃/V。在25℃和45℃进行两点校准之后,传感器在-40~125℃温度范围内误差达到-0.6-0.8℃。片上智能温度传感器的参数比较如表1所示。在0.9V电源的条件下,A/D转换器采样率为5kS/s时,功耗仅为11.8μW,这些指标已满足热管理应用要求。
表1 片上智能CMOS温度传感器的参数比较
参数 文献[6] 文献[7] 文献[8] 文献[9] 文献[10] 文献[11] 文献[12]
工艺/μm 0.16 0.35 0.18 0.13 0.18 0.18 0.18
面积/mm2 0.085 0.6 0.04 0.12 0.18 0.35 0.09
电源电压/V 0.85-1.2 3.3 1 1.2 1.2-2 1.8 1.2
电源灵敏度/(℃×V-1) 0.45 28 - - 0.6 - 14
温度范围/℃ -40~125 0-90 -10~30 0-110 0-100 -40~85 0-100
误差/℃ ±0.4(3σ) -0.4~0.6 -0.8~1.0 -4~4 -0.5~0.5 ±0.15(3σ) -1.4~1.5
分辨率/℃ 0.063 0.09 0.21 0.78 0.25 0.006 0.3
采样率/S×s-1 167 2 33.3 5k 80k 10 32.8
校准条件/℃ 30 10,70 -10,30 50 30 3个点 10,90
2.5 高温传感技术
CMOS温度传感器若工作在高于150℃温度范围下,CMOS器件的性能将严重退化,衬底注入、短沟道效应等寄生效应将加剧。采用SOI IC新工艺后,结构中寄生的PN结漏电减小,被测温度提升至250℃。例如,有一种通过1μmSOI CMOS工艺实现的新技术,它采用不同沟道长度来补偿NMOS和PMOS管阈值电压温度系数之间的失配。电压基准源电路在-25~250℃温度范围内,阈值电压温度系数的精度达到27‰;在25-150℃温度范围内,阈值电压温度系数的精度达到18.7‰。在275℃的温度下,平均测温误差为±1.8%。另外,与CMOS工艺兼容的微热板工艺可实现CMOS微板系统的工作温度达到500℃。
传感器应用中微小型化和智能化的需求推动温度传感器向以CMOS智能传感器为主流的IC温度传感器发展。从设计、工艺和封装等方面保证双极晶体管的特性,对于CMOS传感器的精度控制是至关重要的。在现代热管理系统中,采用不同线宽的CMOS工艺可以制作出不同性能的传感器。采用SOI IC工艺和微热板工艺可以实现200℃以上的温度测量。
作者:中国电子科技集团公司第二十四研究所 任芳、徐婉静、赖凡、张杨波、王文捷、邱盛
相关阅读
温度传感器时间常数和滞后
DS1820智能温度传感器,你知多少
常用温度传感器及其接口电路介绍
如何正确计算温度传感器插入深度
